Curiosii for ever!
: Car repair manuals for everyone.
Home
>>
Lexus
>>
2009
>>
IS 350 V6-3.5L (2GR-FSE)
>>
Repair and Diagnosis
>>
Powertrain Management
>>
Computers and Control Systems
>>
Body Control Module
>>
Locations
>>
Multiplex Communication System
Multiplex Communication System
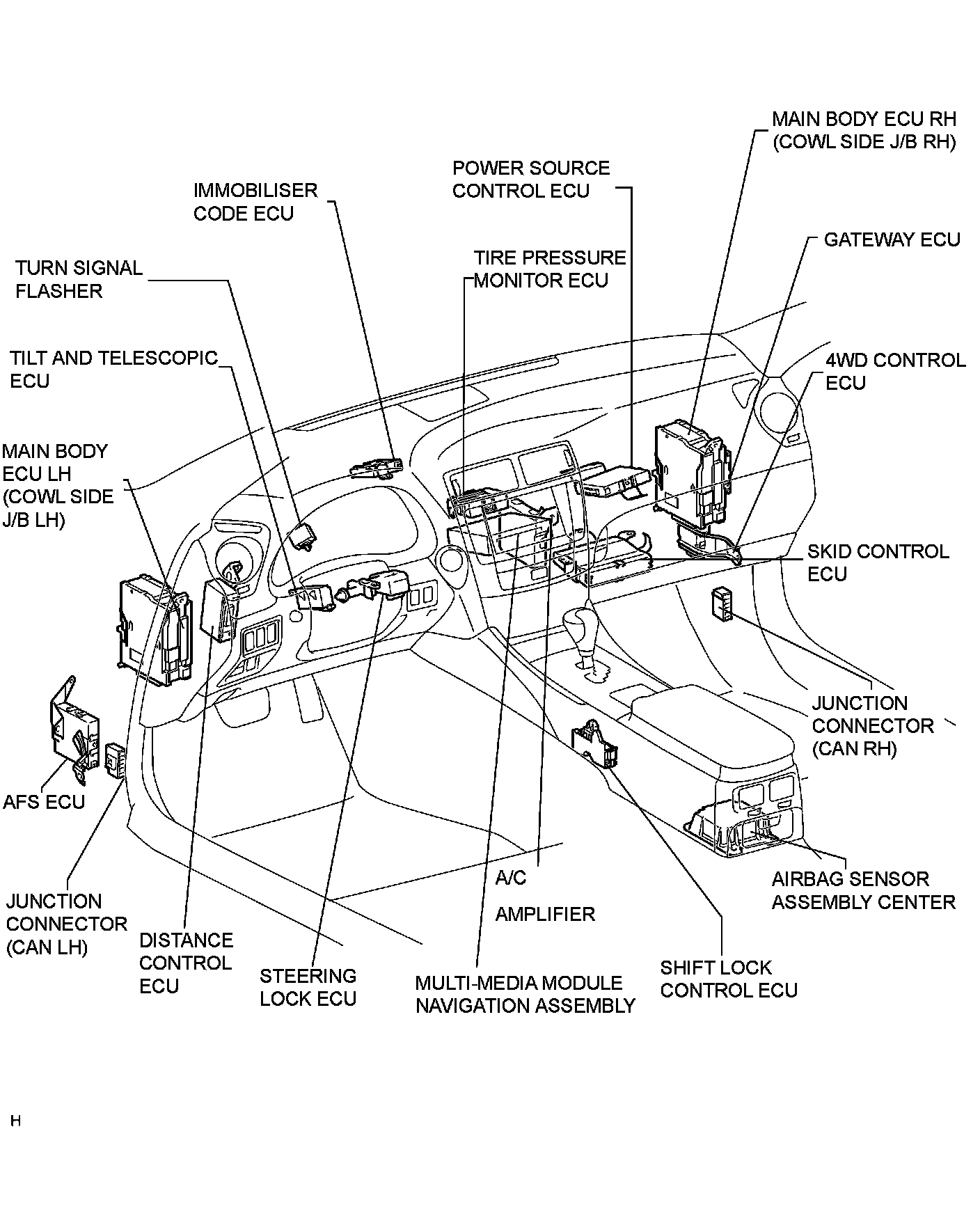
MULTIPLEX COMMUNICATION: MULTIPLEX COMMUNICATION SYSTEM: PARTS LOCATION
PARTS LOCATION
ILLUSTRATION