Curiosii for ever!: Car repair manuals for everyone.

Installation








AIR CONDITIONING: AIR CONDITIONING UNIT: INSTALLATION

INSTALLATION

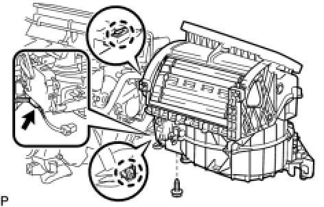
1. INSTALL BLOWER ASSEMBLY





(a) Install the blower assembly with the claw and screw.
Torque: 3.0 Nm (31 kgf-cm, 27 in-lbf)
(b) Connect the connector.
2. INSTALL AIR CONDITIONING AMPLIFIER ASSEMBLY Installation
3. INSTALL NO. 2 AIR DUCT





(a) Install the No. 2 air duct with the screw.
Torque: 5.4 Nm (55 kgf-cm, 48 in-lbf)
4. INSTALL AIR CONDITIONER UNIT ASSEMBLY
(a) Install the air conditioner unit assembly with the 3 bolts and 2 screws.





Torque: 9.8 Nm (100 kgf-cm, 7 ft-lbf)(bolt 1)
5. INSTALL INSTRUMENT PANEL REINFORCEMENT ASSEMBLY
(a) Driver seat side:




(1) Using a T40 "torx" socket, install the instrument panel reinforcement with the 3 "torx" bolts.
(b) Passenger seat side:
(1) Using a 12 mm hexagon wrench, install the instrument panel reinforcement with the 2 bolts.
Torque: 6.0 Nm (61 kgf-cm, 53 in-lbf)
(2) Using a T40 "torx" socket, install the instrument panel reinforcement with the 2 "torx" bolts.
Torque: 20 Nm (204 kgf-cm, 15 ft-lbf)
(c) Install the instrument panel reinforcement with the 4 bolts and nut.





Torque: 9.8 Nm (100 kgf-cm, 7 ft-lbf)(nut 1)
(d) Install the bolt and cap.
(e) Connect the 19 connectors and attach the 27 clamps.
(f) Install the 2 junction blocks with the 2 bolts and nut.





6. INSTALL IMMOBILIZER CODE ECU
7. INSTALL DEFROSTER NOZZLE LOWER ASSEMBLY





(a) Attach the 4 claws to install the defroster nozzle lower.
8. INSTALL STEERING COLUMN ASSEMBLY (for Manual Tilt) Installation
9. INSTALL STEERING COLUMN ASSEMBLY (for Power Tilt and Power Telescopic Steering Column) Installation
10. INSTALL STEERING SLIDING YOKE SUB-ASSEMBLY (for 2WD) Installation
11. INSTALL NO. 2 STEERING INTERMEDIATE SHAFT ASSEMBLY (for 4WD) Installation
12. INSTALL INSTRUMENT PANEL SAFETY PAD ASSEMBLY Installation
13. CONNECT PASSENGER AIRBAG CONNECTOR
14. INSTALL NO. 2 CONSOLE BOX DUCT (for Manual Transmission) Installation
15. INSTALL NO. 1 CONSOLE BOX DUCT (for Automatic Transmission) Installation
16. INSTALL NO. 2 CONSOLE BOX DUCT (for Automatic Transmission) Installation
17. INSTALL FRONT STEREO COMPONENT SPEAKER ASSEMBLY (w/ Front Center Speaker) Installation
18. INSTALL NO. 3 INSTRUMENT PANEL SPEAKER PANEL SUB-ASSEMBLY Installation
19. INSTALL NO. 2 INSTRUMENT PANEL REGISTER ASSEMBLY Installation
20. INSTALL NO. 1 INSTRUMENT PANEL REGISTER ASSEMBLY Installation
21. INSTALL FRONT PILLAR GARNISH LH Installation
22. INSTALL FRONT PILLAR GARNISH RH
23. INSTALL GLOVE COMPARTMENT DOOR ASSEMBLY Installation
24. INSTALL FRONT PASSENGER SIDE KNEE AIRBAG ASSEMBLY Installation
25. INSTALL NO. 2 INSTRUMENT PANEL UNDER COVER SUB-ASSEMBLY Installation
26. INSTALL SIDE INSTRUMENT PANEL RH Installation
27. INSTALL FRONT DOOR OPENING TRIM COVER RH Installation
28. INSTALL FRONT DOOR SCUFF PLATE RH (w/o Illumination)
29. REMOVE FRONT DOOR SCUFF PLATE RH (w/ Illumination)
30. INSTALL COMBINATION METER ASSEMBLY Installation
31. INSTALL INSTRUMENT CLUSTER FINISH PANEL SUB-ASSEMBLY Installation
32. INSTALL DRIVER SIDE KNEE AIRBAG ASSEMBLY Installation
33. INSTALL LOWER INSTRUMENT PANEL FINISH PANEL SUB-ASSEMBLY Installation
34. INSTALL NO. 1 INSTRUMENT PANEL UNDER COVER SUB-ASSEMBLY Installation
35. INSTALL SIDE INSTRUMENT PANEL LH Installation
36. INSTALL FRONT DOOR OPENING TRIM COVER LH Installation
37. INSTALL FRONT DOOR SCUFF PLATE LH (w/o Illumination) Installation
38. REMOVE FRONT DOOR SCUFF PLATE LH (w/ Illumination) Installation
39. INSTALL TURN SIGNAL SWITCH ASSEMBLY WITH SPIRAL CABLE SUB-ASSEMBLY Installation
40. INSTALL STEERING COLUMN COVER (for Manual Tilt) Installation
41. INSTALL STEERING COLUMN COVER (for Power Tilt and Power Telescopic Steering Column) Installation
42. ADJUST SPIRAL CABLE SUB-ASSEMBLY Installation
43. INSTALL STEERING WHEEL ASSEMBLY Installation
44. INSTALL STEERING PAD Installation
45. INSTALL LOWER NO. 3 STEERING WHEEL COVER Installation
46. INSTALL LOWER NO. 2 STEERING WHEEL COVER Installation
47. INSTALL INTEGRATION CONTROL PANEL WITH RADIO RECEIVER ASSEMBLY (w/o Navigation System) Installation
48. INSTALL MULTI-DISPLAY WITH RADIO RECEIVER ASSEMBLY (w/ Navigation System) Installation
49. INSTALL CENTER LOWER INSTRUMENT CLUSTER FINISH PANEL Installation
50. INSTALL NO. 3 INSTRUMENT PANEL REGISTER ASSEMBLY Installation
51. INSTALL CONSOLE BOX Installation
52. INSTALL CONSOLE BOX REGISTER ASSEMBLY Installation
53. INSTALL FRONT ASH RECEPTACLE SUB-ASSEMBLY Installation
54. INSTALL FRONT CONSOLE PANEL SUB-ASSEMBLY (for Manual Transmission) Installation
55. INSTALL REAR CONSOLE PANEL SUB-ASSEMBLY (for Manual Transmission) Installation
56. INSTALL CONSOLE PANEL SUB-ASSEMBLY (for Automatic Transmission) Installation
57. INSTALL UPPER NO. 2 CONSOLE PANEL GARNISH (for Automatic Transmission) Installation
58. INSTALL UPPER NO. 1 CONSOLE PANEL GARNISH (for Automatic Transmission) Installation
59. INSTALL SHIFT LEVER KNOB SUB-ASSEMBLY (for Manual Transmission)
60. INSTALL SHIFT LEVER KNOB SUB-ASSEMBLY (for Automatic Transmission)
61. INSTALL WINDSHIELD WIPER MOTOR AND LINK ASSEMBLY Installation
62. INSTALL COWL TOP VENTILATOR LOUVER SUB-ASSEMBLY Installation
63. INSTALL FRONT WIPER ARM AND BLADE ASSEMBLY LH Installation
64. INSTALL FRONT WIPER ARM AND BLADE ASSEMBLY RH Installation
65. INSTALL FRONT WIPER ARM HEAD CAP Installation
66. INSTALL ROOF DRIP SIDE FINISH MOULDING LH
67. INSTALL ROOF DRIP SIDE FINISH MOULDING RH
68. INSTALL FRONT FENDER PROTECTOR UPPER LH Installation
69. INSTALL FRONT FENDER PROTECTOR UPPER RH Installation
70. INSTALL HEATER WATER INLET HOSE
(a) Install the water hose and attach the clip.
71. INSTALL HEATER WATER OUTLET HOSE
(a) Use the same procedures described for the water hose inlet.
72. INSTALL LIQUID TUBE SUB-ASSEMBLY
(a) Remove the vinyl tape attached to the tube.
(b) Sufficiently apply compressor oil to a new O-ring and the fitting surface of the liquid tube.
Compressor oil:
ND-OIL 8 or equivalent
(c) Install the O-ring on the liquid tube.
(d) Install the liquid tube to the fitting hole.
73. INSTALL SUCTION PIPE SUB-ASSEMBLY
(a) Remove the vinyl tape attached to the pipe.
(b) Sufficiently apply compressor oil to a new O-ring and the fitting surface of the suction pipe.
Compressor oil:
ND-OIL 8 or equivalent
(c) Install the O-ring on the suction pipe.





(d) Move the hook connector in the direction indicated by the arrow in the illustration.
(e) Insert the pipe joints into the fitting holes securely and tighten the bolt.
Torque: 9.8 Nm (100 kgf-cm, 7 ft-lbf)
74. CONNECT CABLE TO NEGATIVE BATTERY TERMINAL
75. CHARGE REFRIGERANT Service and Repair
76. WARM UP ENGINE Service and Repair
77. CHECK FOR LEAKAGE OF REFRIGERANT Service and Repair
78. INSTALL ENGINE ROOM SIDE COVER LH Installation
79. INSTALL ENGINE ROOM SIDE COVER RH Installation
80. INSTALL COOL AIR INTAKE DUCT SEAL Installation