Curiosii for ever!: Car repair manuals for everyone.

Data Link Connector

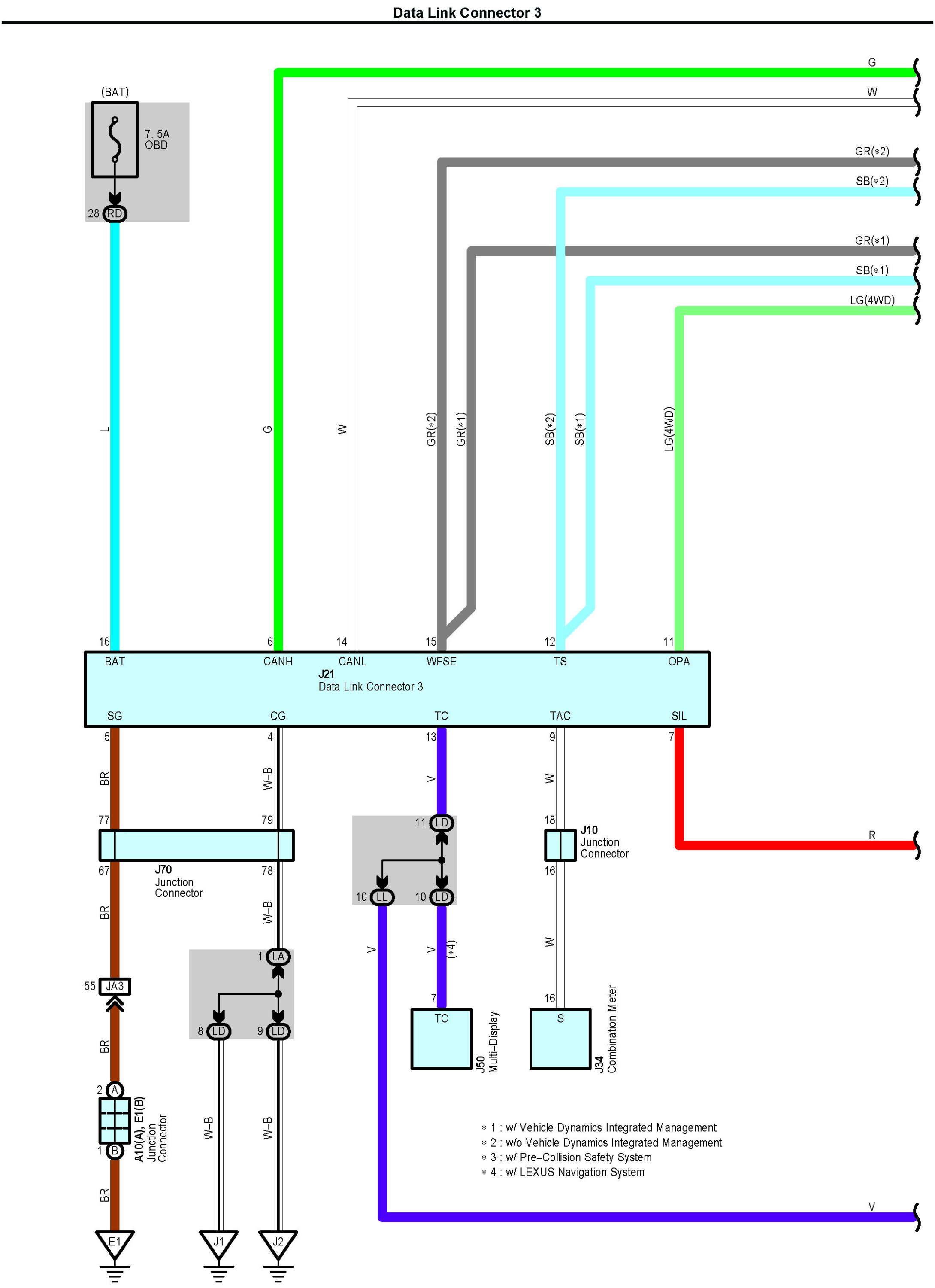
Data Link Connector 3 Part 1:




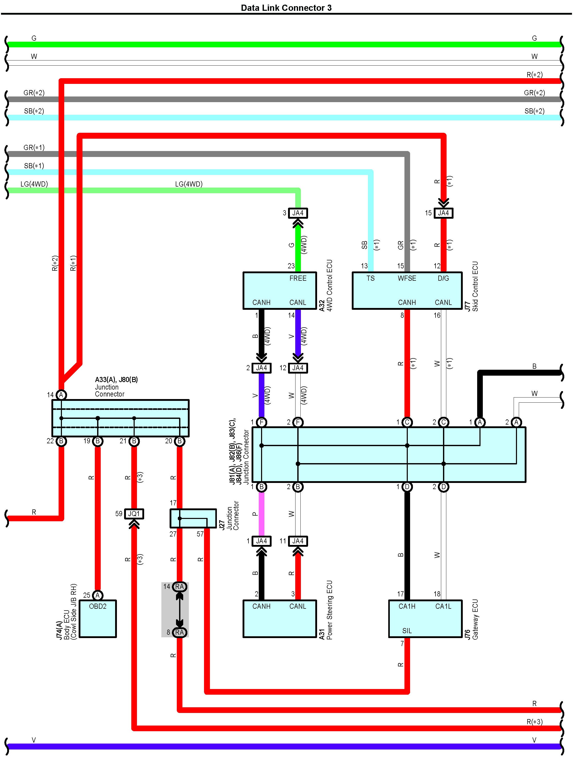
Data Link Connector 3 Part 2:




Data Link Connector 3 Part 3:




Connectors Part 1:




Connectors Part 2:




Connectors Part 3:




Connectors Part 4:






Locations: The locations of components, connectors, ground points, and splices referred to within these diagrams can be found at Vehicle Locations. Locations