Curiosii for ever!: Car repair manuals for everyone.

Navigation System

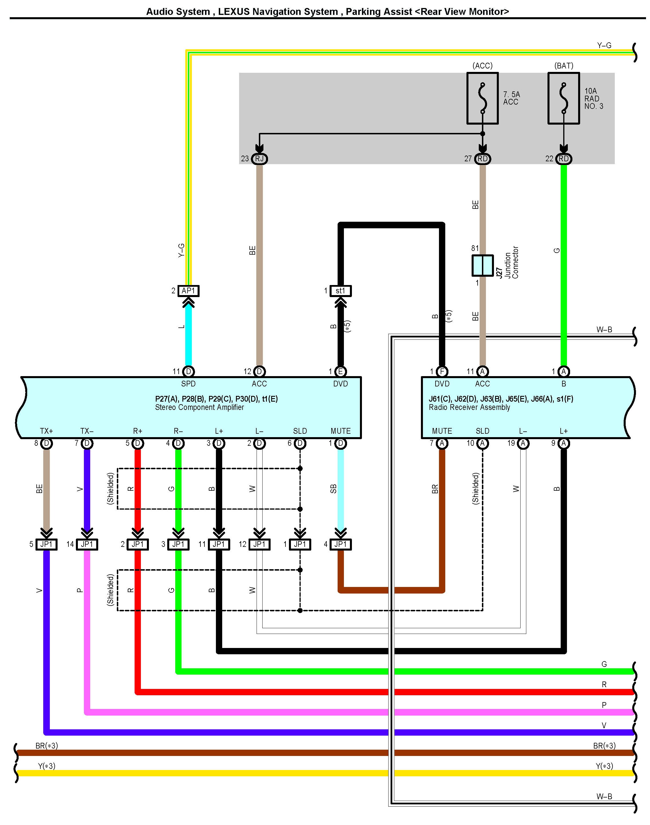
Audio System, LEXUS Navigation System, Parking Assist <Rear View Monitor> Part 1:




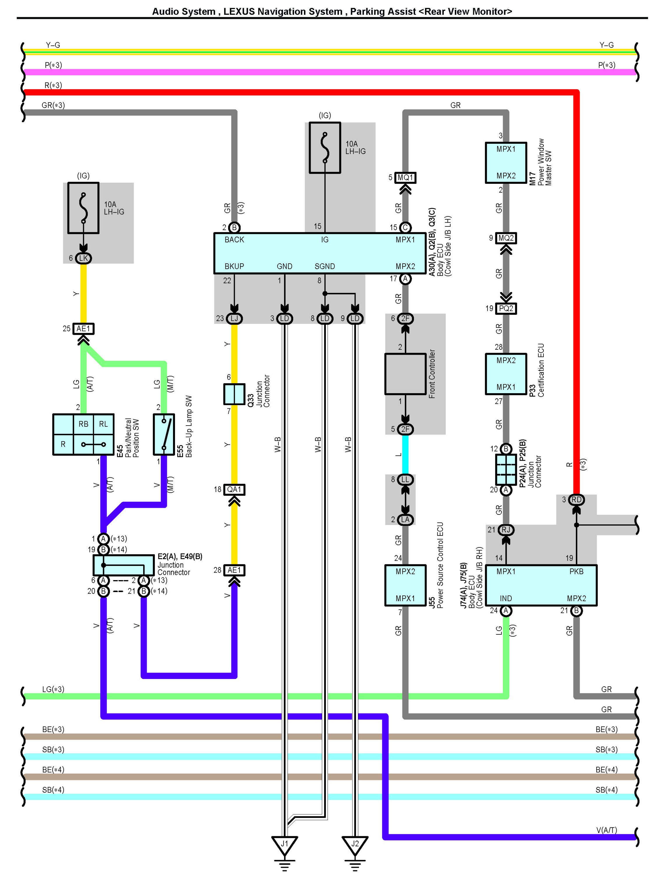
Audio System, LEXUS Navigation System, Parking Assist <Rear View Monitor> Part 2:




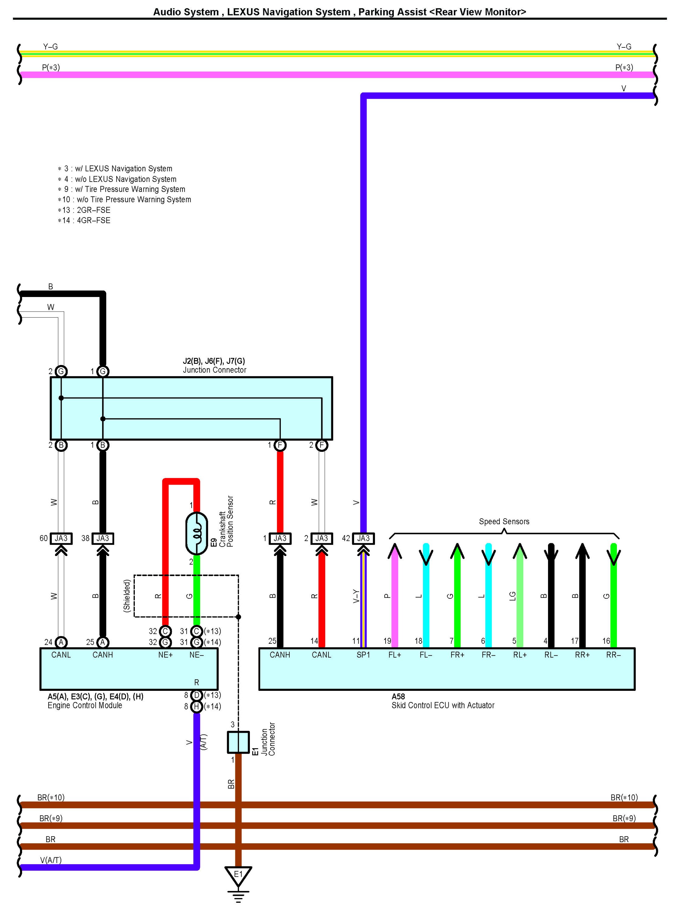
Audio System, LEXUS Navigation System, Parking Assist <Rear View Monitor> Part 3:




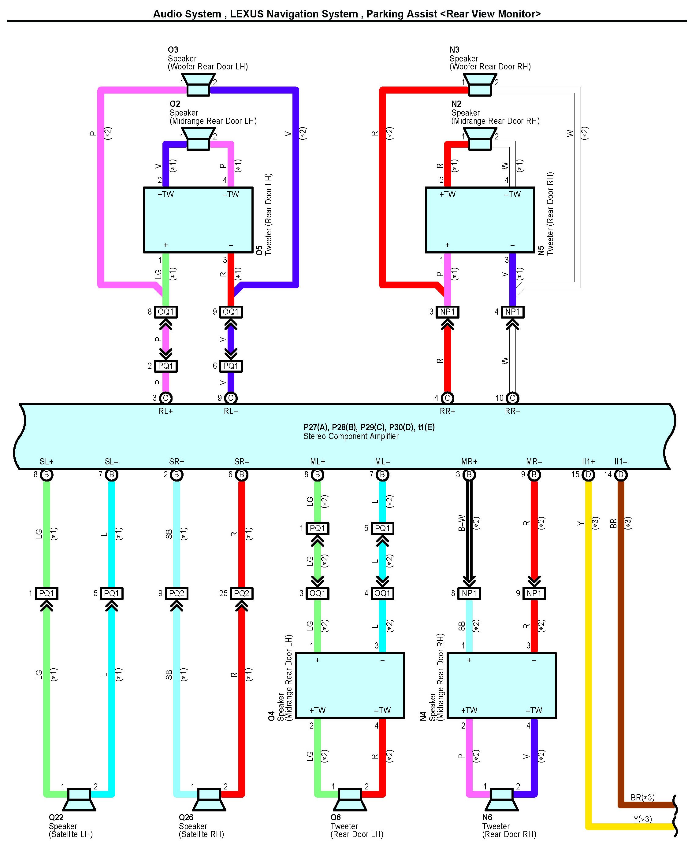
Audio System, LEXUS Navigation System, Parking Assist <Rear View Monitor> Part 4:




Audio System, LEXUS Navigation System, Parking Assist <Rear View Monitor> Part 5:




Audio System, LEXUS Navigation System, Parking Assist <Rear View Monitor> Part 6:




Audio System, LEXUS Navigation System, Parking Assist <Rear View Monitor> Part 7:




Audio System, LEXUS Navigation System, Parking Assist <Rear View Monitor> Part 8:




Audio System, LEXUS Navigation System, Parking Assist <Rear View Monitor> Part 9:




Audio System, LEXUS Navigation System, Parking Assist <Rear View Monitor> Part 10:




Audio System, LEXUS Navigation System, Parking Assist <Rear View Monitor> Part 11:




Connectors Part 1:




Connectors Part 2:




Connectors Part 3:




Connectors Part 4:




Connectors Part 5:




Connectors Part 6:




Connectors Part 7:




Connectors Part 8:




Connectors Part 9:






Locations: The locations of components, connectors, ground points, and splices referred to within these diagrams can be found at Vehicle Locations. Locations