Curiosii for ever!: Car repair manuals for everyone.

Part 1








1UR-FSE ENGINE CONTROL SYSTEM: SFI SYSTEM: EVAP System

EVAP System

RELATED DTCS





If any EVAP system DTCs are set, the malfunctioning area can be determined using the table below.




NOTE:
If the reference pressure difference between the first and second checks is greater than the specification, all the DTCs relating to the reference pressure (P043E, P043F, P2401, P2402 and P2419) are stored.

DESCRIPTION




NOTE:
The canister is located near the fuel tank, underneath the body.




NOTE:
In this vehicle's EVAP system, turning ON the vent valve does not seal off the EVAP system. To check for leaks in the EVAP system, disconnect the air inlet vent hose and apply pressure from the atmosphere side of the canister.

While the engine is running, if a predetermined condition (closed-loop etc.) is met, the purge VSV is opened by the ECM and stored fuel vapors in the canister are purged into the intake manifold. The ECM changes the duty cycle ratio of the purge VSV to control purge flow volume.
The purge flow volume is also determined by the intake manifold pressure. Atmospheric pressure is allowed into the canister through the vent valve to ensure that the purge flow is maintained when the negative pressure (vacuum) is applied to the canister.
The following two monitors run to confirm appropriate EVAP system operation.
1. Key-off monitor
This monitor checks for EVAP (Evaporative Emission) system leaks and canister pump module malfunctions. The monitor starts 5 hours* after the engine switch is turned off. More than 5 hours are required for the fuel to cool down to stabilize the EVAP pressure, thus making the EVAP system monitor more accurate.
The leak detection pump creates negative pressure (vacuum) in the EVAP system and the pressure is measured. Finally, the ECM monitors for leaks from the EVAP system, and malfunctions in both the canister pump module and purge VSV, based on the EVAP pressure.
HINT: *: If the engine coolant temperature is not below 35°C (95°F) 5 hours after the engine switch is turned off, the monitor check starts 2 hours later. If it is still not below 35°C (95°F) 7 hours after the engine switch is turned off, the monitor check starts 2.5 hours later.

2. Purge flow monitor
The purge flow monitor consists of the two monitors. The 1st monitor is conducted every time and the 2nd monitor is activated if necessary.

- The 1st monitor
While the engine is running and the purge VSV (Vacuum Switching Valve) is ON (open), the ECM monitors the purge flow by measuring the EVAP pressure change. If negative pressure is not created, the ECM begins the 2nd monitor.
- The 2nd monitor
The vent valve is turned OFF (open) and the EVAP pressure is measured. If the variation in the pressure is less than 0.5 kPa-g (3.75 mmHg-g), the ECM interprets this as the purge VSV being stuck closed, illuminates the MIL and sets DTC P0441 (2 trip detection logic).

Atmospheric pressure check:
In order to ensure reliable malfunction detection, the variation between the atmospheric pressures, before and after conduction of the purge flow monitor, is measured by the ECM.





















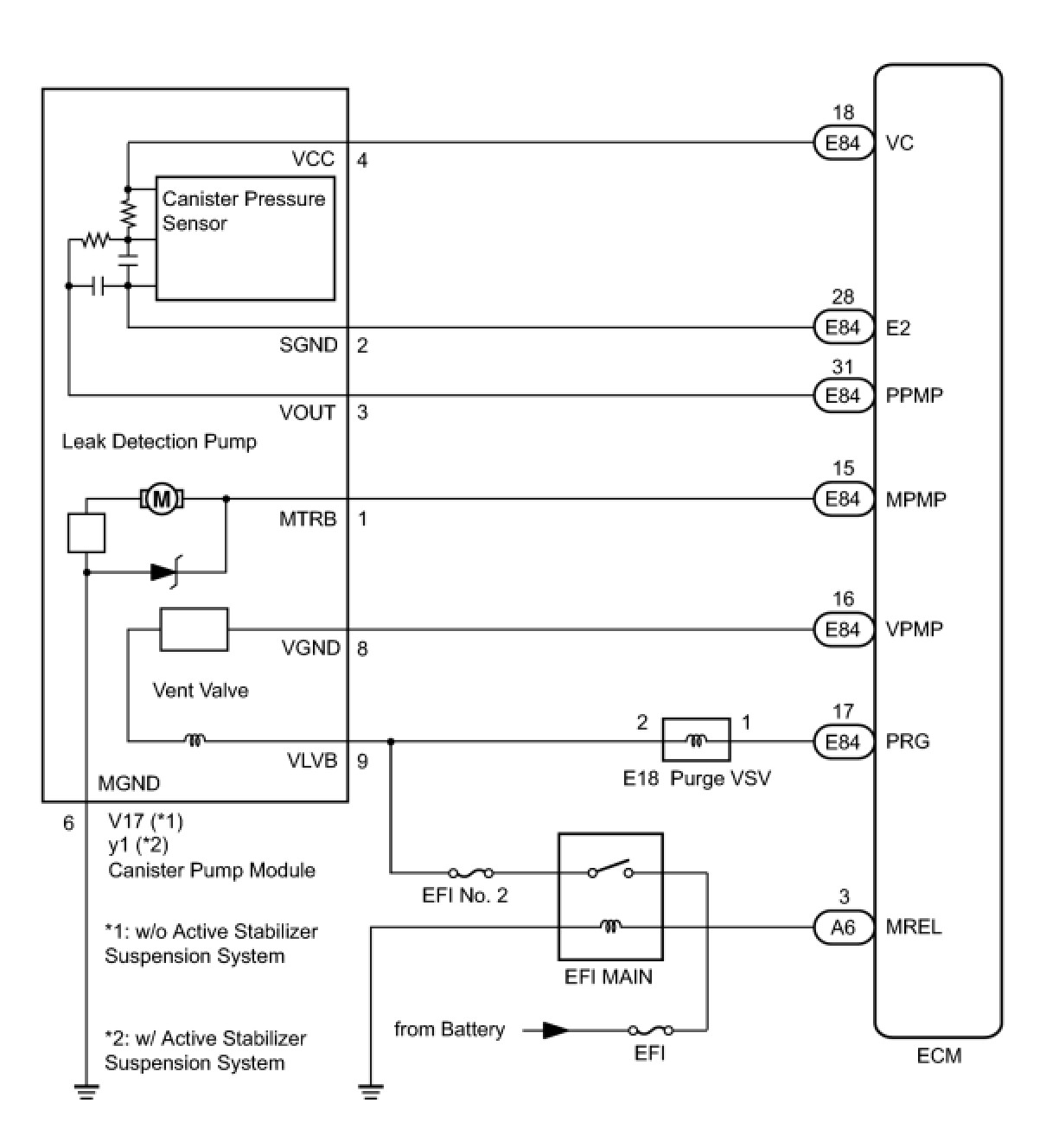
WIRING DIAGRAM





INSPECTION PROCEDURE
NOTE:
The Techstream is required to conduct the following diagnostic troubleshooting procedure.
HINT:
- Using the Techstream monitor results enables the EVAP (Evaporative Emission) system to be confirmed.
- Read freeze frame data using the Techstream. The ECM records vehicle and driving condition information as freeze frame data the moment a DTC is stored. When troubleshooting, freeze frame data can be helpful in determining whether the vehicle was running or stopped, whether the engine was warmed up or not, whether the air fuel ratio was lean or rich, as well as other data recorded at the time of a malfunction.