Curiosii for ever!: Car repair manuals for everyone.

Open in CAN Main Bus Line








CAN COMMUNICATION: CAN COMMUNICATION SYSTEM: Open in CAN Main Bus Line

Open in CAN Main Bus Line

DESCRIPTION

There may open circuit in the CAN main bus line and/or the DLC3 sub bus line when the resistance between terminals 6 (CANH) and 14 (CANL) of the DLC3 is 69 Ohms or more.






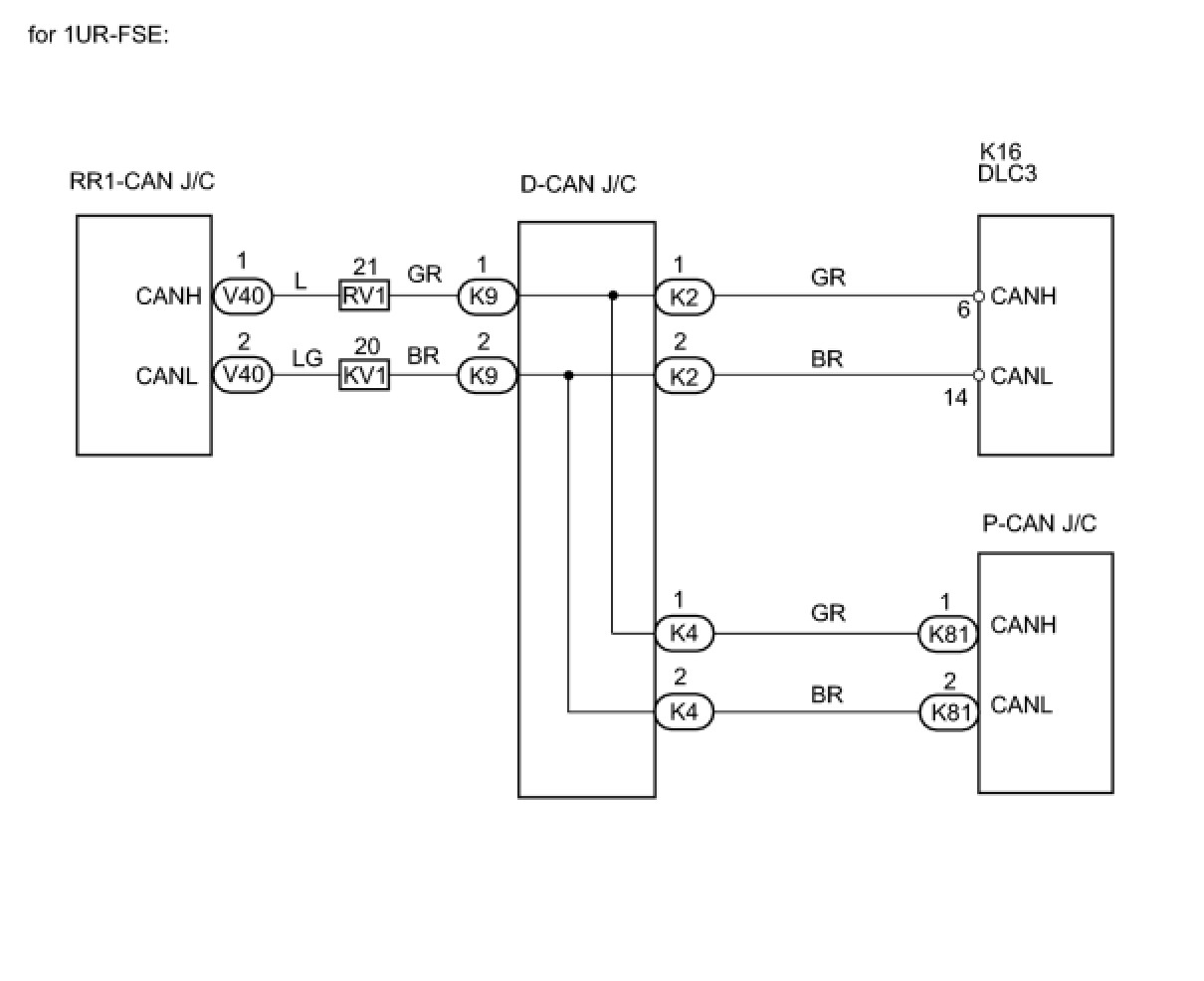
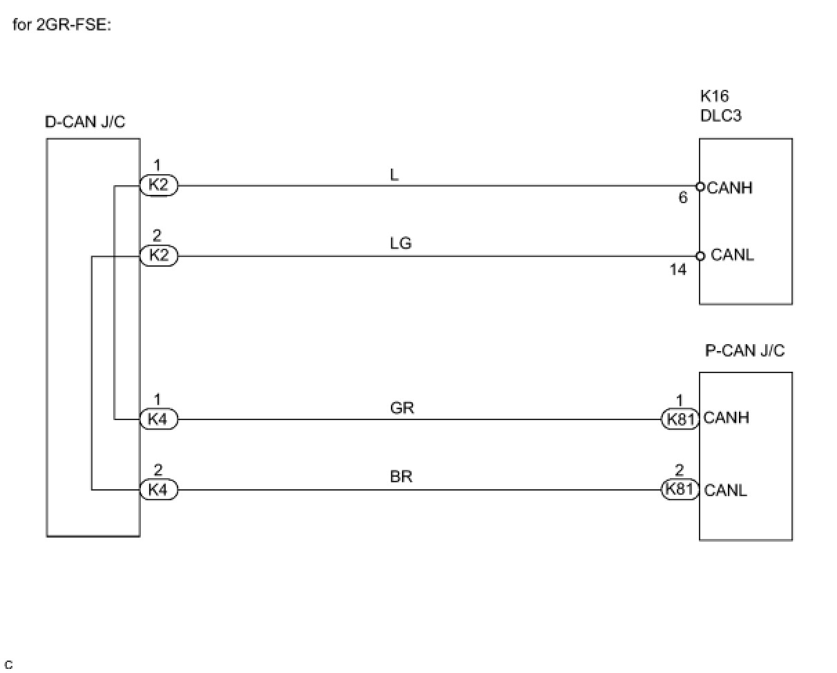
WIRING DIAGRAM









INSPECTION PROCEDURE

PROCEDURE

1. CHECK DLC3
(a) Turn the engine switch off.




(b) Measure the resistance according to the value(s) in the table below.
Standard resistance:





NOTE:
When the measured value is 132 Ohms or more and a CAN communication system diagnostic trouble code is output, there may be a fault besides disconnection of the DLC3 sub bus line. For that reason, troubleshooting should be performed again from "HOW TO PROCEED WITH TROUBLESHOOTING" How to Proceed With Troubleshooting after repairing the trouble area.

B -- REPAIR OR REPLACE DLC3 SUB BUS LINE OR CONNECTOR (CANH, CANL)
A -- Continue to next step.

2. CHECK CAN MAIN BUS LINE FOR DISCONNECTION




(a) Disconnect the CAN main bus line connector (K4) from the D-CAN J/C A side (w/ earth terminal).
- Before disconnecting the connector, make a note of where it is connected.
- Reconnect the connector to its original position.
(b) Measure the resistance according to the value(s) in the table below.
Standard resistance:






Result





C -- REPLACE JUNCTION CONNECTOR (D-CAN J/C)
B -- CONNECT CONNECTOR
A -- Continue to next step.

3. CONNECT CONNECTOR
(a) Reconnect the CAN main bus line connector (K4) to the D-CAN J/C.
NEXT -- Continue to next step.

4. CHECK CAN MAIN BUS LINE FOR DISCONNECTION




(a) Disconnect the CAN main bus line connector (K81) from the P-CAN J/C B side (w/o earth terminal).
- Before disconnecting the connector, make a note of where it is connected.
- Reconnect the connector to its original position.
(b) Measure the resistance according to the value(s) in the table below.
Standard resistance:






NG -- REPAIR OR REPLACE CAN MAIN BUS LINE OR CONNECTOR
OK -- REPLACE JUNCTION CONNECTOR (P-CAN J/C)
5. CONNECT CONNECTOR
(a) Reconnect the CAN main bus line connector (K4) to the D-CAN J/C.
NEXT -- Continue to next step.

6. CHECK CAN MAIN BUS LINE FOR DISCONNECTION




(a) Disconnect the CAN main bus line connector (K9) from the D-CAN J/C B side (w/o earth terminal).
- Before disconnecting the connector, make a note of where it is connected.
- Reconnect the connector to its original position.
(b) Measure the resistance according to the value(s) in the table below.
Standard resistance:






OK -- REPLACE JUNCTION CONNECTOR (D-CAN J/C)
NG -- Continue to next step.

7. CONNECT CONNECTOR
(a) Reconnect the CAN main bus line connector (K9) to the D-CAN J/C.
NEXT -- Continue to next step.

8. CHECK CAN MAIN BUS LINE FOR DISCONNECTION




(a) Disconnect the CAN main bus line connector (V40) from the RR1-CAN J/C A side (w/ earth terminal).
- Before disconnecting the connector, make a note of where it is connected.
- Reconnect the connector to its original position.
(b) Measure the resistance according to the value(s) in the table below.
Standard resistance:






NG -- REPAIR OR REPLACE CAN MAIN BUS LINE OR CONNECTOR
OK -- REPLACE JUNCTION CONNECTOR (RR1-CAN J/C)