Curiosii for ever!: Car repair manuals for everyone.

Pattern Select Switch Power Mode Circuit








AA80E AUTOMATIC TRANSMISSION: AUTOMATIC TRANSMISSION SYSTEM: Pattern Select Switch Power Mode Circuit

Pattern Select Switch Power Mode Circuit

DESCRIPTION

Cowl side J/B ECU receives pattern select switch information, and sends it through the multiplex communication system and CAN system to the TCM.
The TCM memory contains the programs for the NORMAL and POWER shift patterns and lock-up pattern.
By following the programs corresponding to the signals from the pattern select switch, the neutral start and other various sensors, the TCM switches the solenoid valves ON and OFF, and controls the transmission gear change and the lock-up clutch operation.

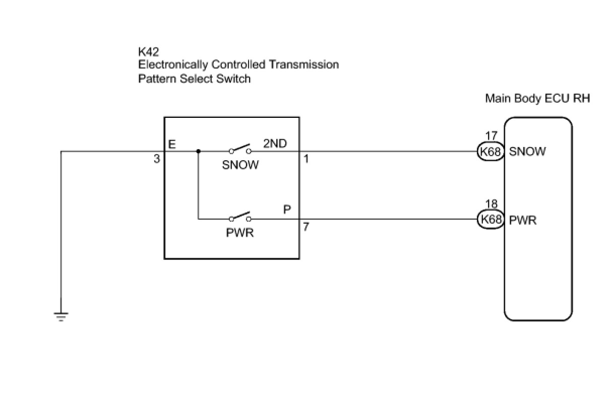
WIRING DIAGRAM





INSPECTION PROCEDURE

PROCEDURE

1. CHECK HARNESS AND CONNECTOR (PATTERN SELECT SWITCH ASSEMBLY - BODY GROUND)
(a) Disconnect the connector of pattern select switch.




(b) Measure the resistance according to the value(s) in the table below.
Standard resistance:






NG -- REPAIR OR REPLACE HARNESS OR CONNECTOR
OK -- Continue to next step.

2. INSPECT PATTERN SELECT SWITCH ASSEMBLY




(a) Measure the resistance according to the value(s) in the table below.
Standard resistance:






NG -- REPLACE PATTERN SELECT SWITCH ASSEMBLY
OK -- Continue to next step.

3. CHECK HARNESS AND CONNECTOR (PATTERN SELECT SWITCH ASSEMBLY - MAIN BODY ECU)




(a) Connect the connector of pattern select switch.
(b) Disconnect the cowl side junction block (main body ECU RH) connector.
(c) Measure the resistance between terminal PWR of the cowl side junction block (main body ECU RH) and body ground.
Standard resistance:






NG -- REPAIR OR REPLACE HARNESS OR CONNECTOR
OK -- PROCEED TO NEXT CIRCUIT INSPECTION SHOWN IN PROBLEM SYMPTOMS TABLE