Curiosii for ever!: Car repair manuals for everyone.

Engine Switch Indicator Circuit








2GR-FSE STARTING: SMART ACCESS SYSTEM WITH PUSH-BUTTON START: Engine Switch Indicator Circuit

Engine Switch Indicator Circuit

DESCRIPTION

Engine start conditions or system malfunctions can be checked by the status of the engine switch indicator light.

Engine switch indicator light condition





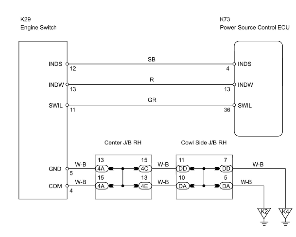
WIRING DIAGRAM





INSPECTION PROCEDURE

PROCEDURE

1. INSPECT ENGINE SWITCH




(a) Remove the engine switch.
(b) Apply battery voltage between the terminals of the switch, and check the illumination condition of the switch.
NOTICE:
- If the positive (+) lead and the negative (-) lead are incorrectly connected, the engine switch indicator does not illuminate.
- If the voltage is too low, the indicator will not illuminate.

OK:






NG -- REPLACE ENGINE SWITCH
OK -- Continue to next step.

2. CHECK WIRE HARNESS (ENGINE SWITCH - POWER SOURCE CONTROL ECU AND BODY GROUND)




(a) Disconnect the K29 switch connector.
(b) Disconnect the K73 ECU connector.
(c) Measure the resistance of the wire harness side connectors.
Standard resistance:






NG -- REPAIR OR REPLACE HARNESS AND CONNECTOR
OK -- REPLACE POWER SOURCE CONTROL ECU