Curiosii for ever!: Car repair manuals for everyone.

Multiplex Communication System [CAN] Part 2

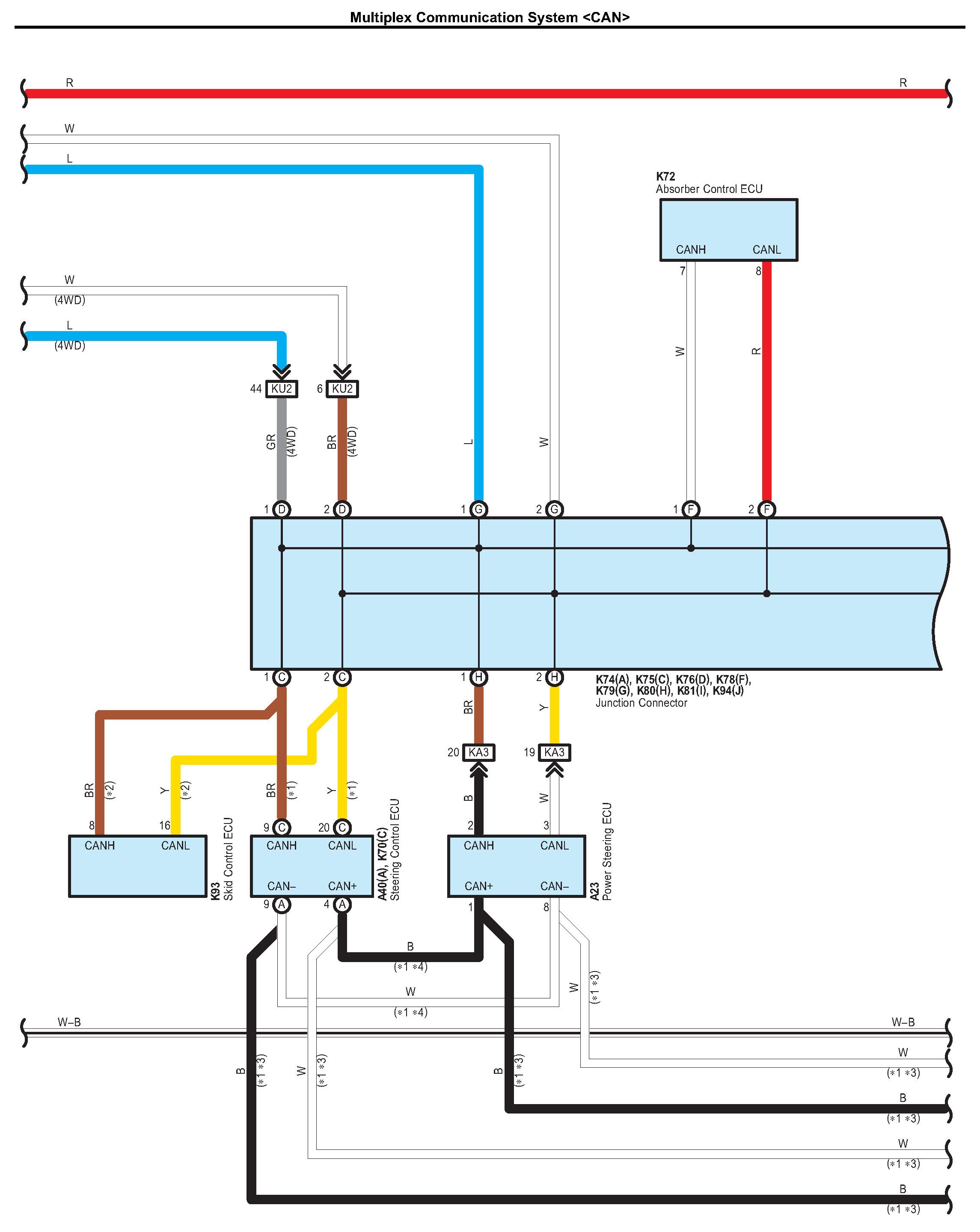
Multiplex Communication System [CAN] Part 2:




Connectors Part 1:




Connectors Part 2:




Connectors Part 3:




Connectors Part 4:




Connectors Part 5:




Connectors Part 6:






Next Diagram Multiplex Communication System [CAN] Part 3

Previous Diagram Multiplex Communication System [CAN] Part 1

Locations: The locations of components, connectors, ground points, and splices referred to within these diagrams can be found at Vehicle Locations. Locations