Curiosii for ever!: Car repair manuals for everyone.

Navigation ECU Power Source Circuit








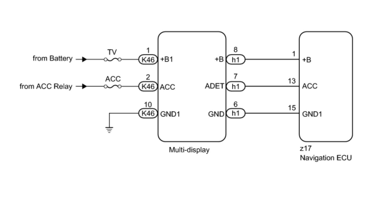
NAVIGATION: NAVIGATION SYSTEM: Navigation ECU Power Source Circuit

Navigation ECU Power Source Circuit

DESCRIPTION

This is the power source circuit to operate the navigation ECU.

WIRING DIAGRAM





INSPECTION PROCEDURE

PROCEDURE

1. INSPECT MULTI-DISPLAY




(a) Disconnect the navigation ECU connector.
(b) Measure the resistance according to the value(s) in the table below.
Standard resistance:





(c) Measure the voltage according to the value(s) in the table below.
Standard voltage:






NG -- CHECK HARNESS AND CONNECTOR (NAVIGATION ECU - MULTI-DISPLAY)
OK -- PROCEED TO NEXT CIRCUIT INSPECTION SHOWN IN PROBLEM SYMPTOMS TABLE
2. CHECK HARNESS AND CONNECTOR (NAVIGATION ECU - MULTI-DISPLAY)




(a) Disconnect the multi-display connector.




(b) Measure the resistance according to the value(s) in the table below.
Standard resistance:






NG -- REPAIR OR REPLACE HARNESS OR CONNECTOR
OK -- REPLACE MULTI-DISPLAY