Curiosii for ever!: Car repair manuals for everyone.

ID Code Box Power Source Circuit








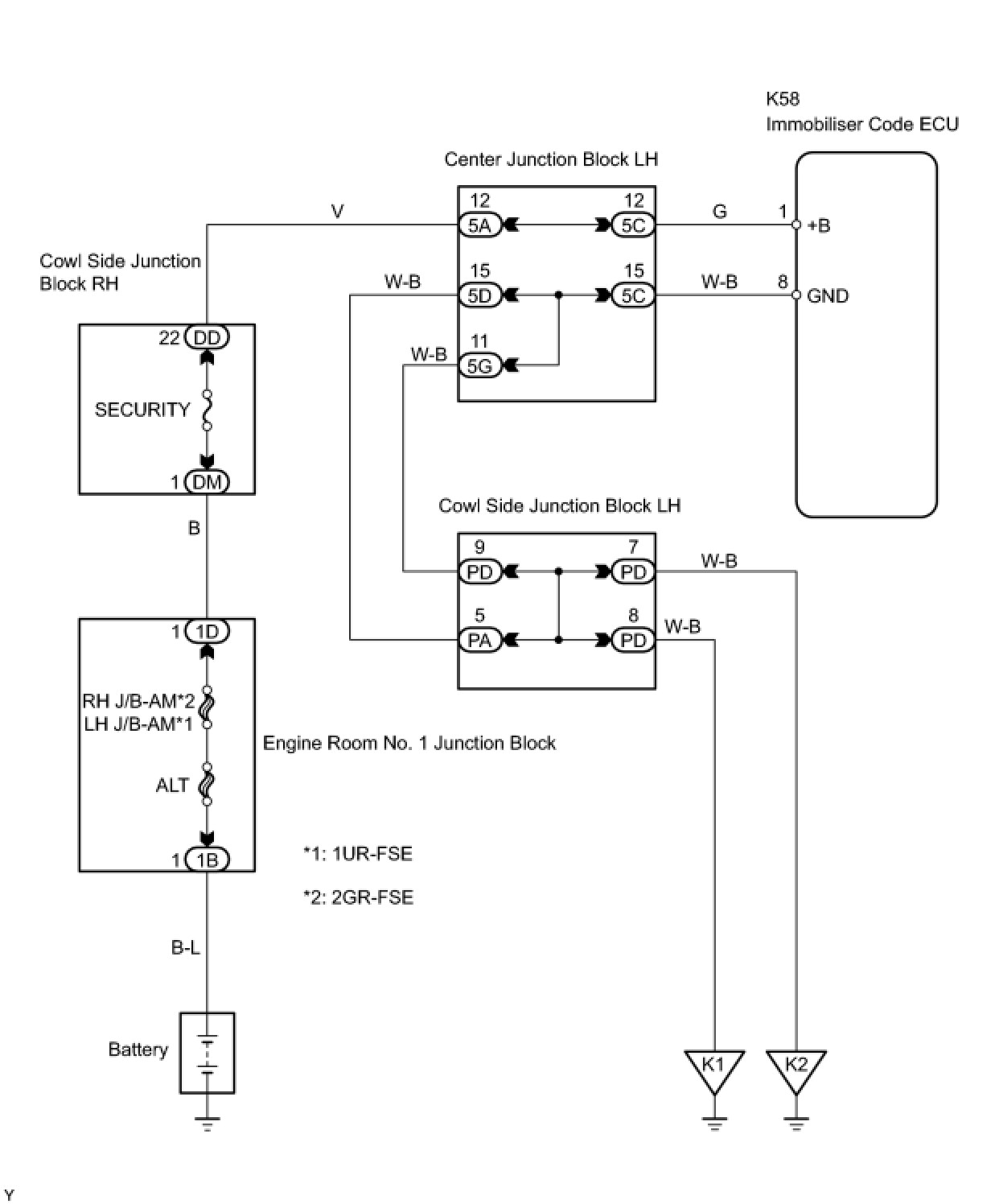
ENGINE IMMOBILIZER: ENGINE IMMOBILIZER SYSTEM: ID Code Box Power Source Circuit

ID Code Box Power Source Circuit

DESCRIPTION

This circuit provides power to operate the immobilizer code ECU.

WIRING DIAGRAM





INSPECTION PROCEDURE

PROCEDURE

1. INSPECT FUSE (SECURITY)
(a) Remove the SECURITY fuse from the cowl side junction block RH.
(b) Measure the resistance of the fuse.
Standard resistance:
Below 1 Ohms
NG -- REPLACE FUSE
OK -- Continue to next step.

2. CHECK WIRE HARNESS (IMMOBILIZER CODE ECU - BATTERY AND BODY GROUND)




(a) Disconnect the K58 ECU connector.
(b) Measure the resistance and voltage of the wire harness side connector.
Standard resistance:






Standard voltage:






NG -- REPAIR OR REPLACE HARNESS AND CONNECTOR
OK -- REPLACE IMMOBILIZER CODE ECU