Curiosii for ever!: Car repair manuals for everyone.

Electrical Diagrams

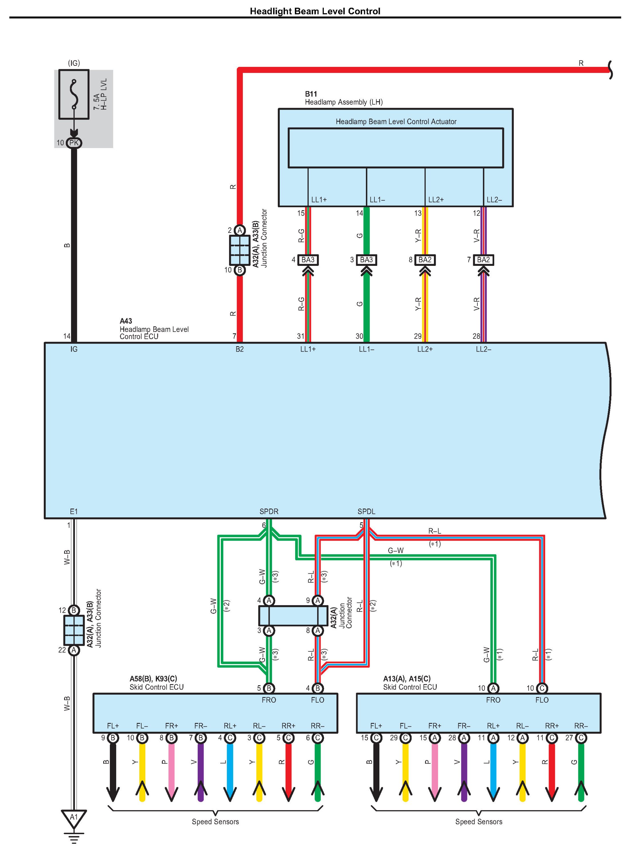
Headlight Beam Level Control Part 1:




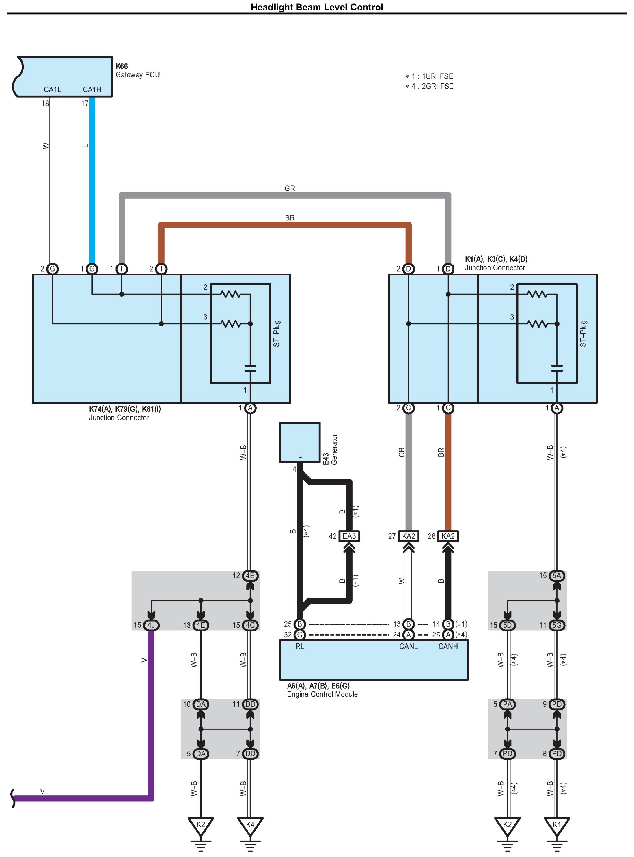
Headlight Beam Level Control Part 2:




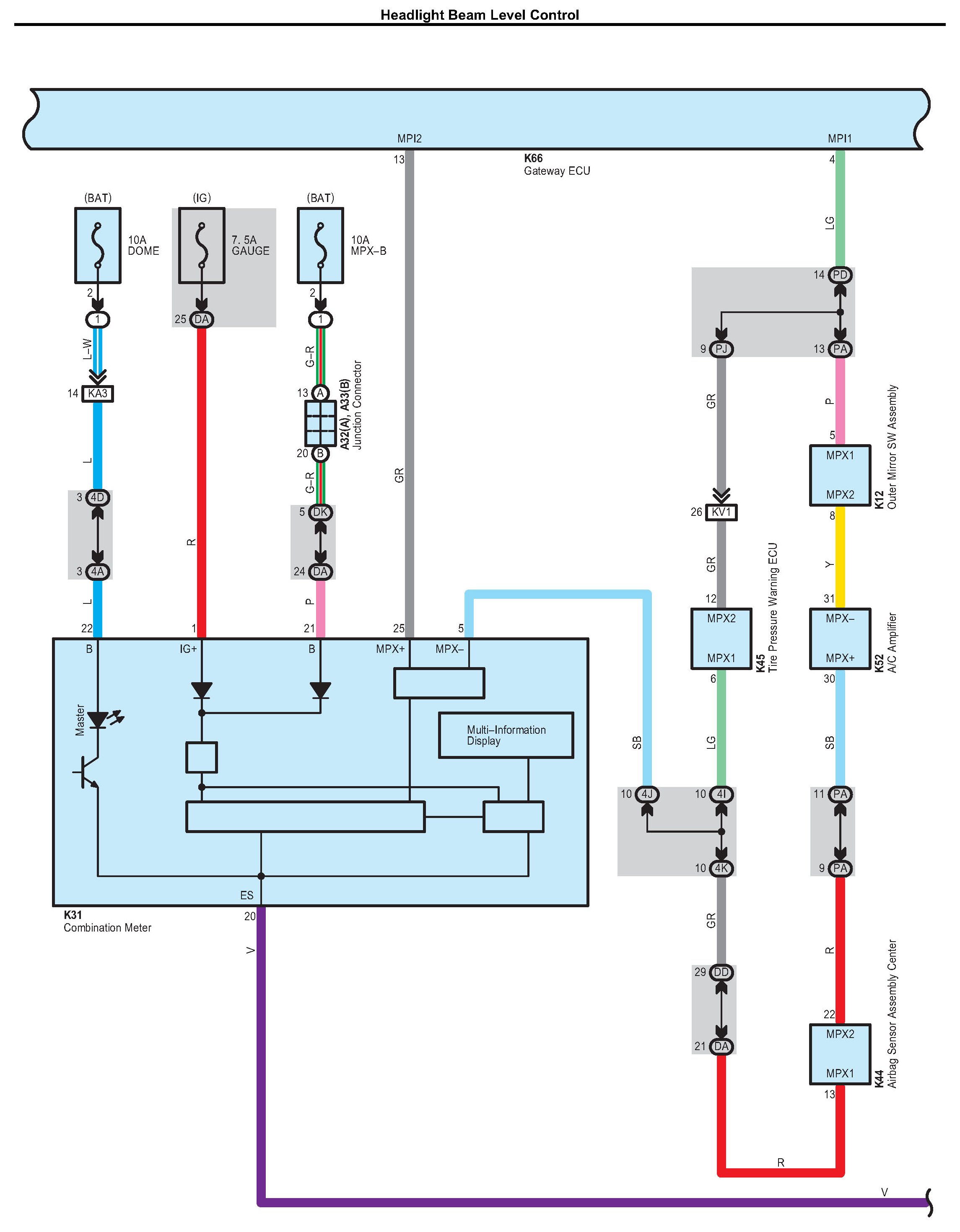
Headlight Beam Level Control Part 3:




Headlight Beam Level Control Part 4:




Headlight Beam Level Control Part 5:




Connectors Part 1:




Connectors Part 2:




Connectors Part 3:




Connectors Part 4:




Connectors Part 5:




Connectors Part 6:






Locations: The locations of components, connectors, ground points, and splices referred to within these diagrams can be found at Vehicle Locations. Locations