Curiosii for ever!: Car repair manuals for everyone.

Main Relay (Computer/Fuel System): Testing and Inspection








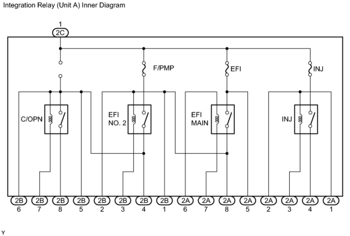
2GR-FSE ENGINE CONTROL SYSTEM: INTEGRATION RELAY: INSPECTION

INSPECTION

1. INSPECT INTEGRATION RELAY
NOTICE:
- Some relays are built into the integration relay (unit A). The integration relay cannot be disassembled. If there is a malfunction in the circuit of the integration relay, replace the integration relay.
- The internal circuit of the integration relay is as shown in the illustration. Inspect the integration relay using the following procedures.









(a) Measure the resistance of the C/OPN relay.
(1) Connect the battery's positive (+) lead to terminal 2A-8 and negative (-) lead to terminal 2B-3. Check the resistance between the terminals when battery voltage is applied between the terminals.
Standard resistance:





(2) Connect the battery's positive (+) lead to terminals 2A-8 and 2C-1, and negative (-) lead to terminal 2B-3 and 2B-7. Measure the resistance between terminals 2C-1 and 2B-8 when battery voltage is applied between the terminals.
Standard resistance:










(b) Measure the resistance of the EFI MAIN relay.
(1) Remove the EFI fuse. Measure the resistance between the terminals.
Standard resistance:





(2) Connect the battery's positive (+) lead to terminal 2A-6 and negative (-) lead to terminal 2A-7. Measure the resistance between EFI fuse terminal 2 and terminal 2A-8 when battery voltage is applied between the terminals.
Standard resistance:










(c) Measure the resistance of the EFI NO. 2 relay.
(1) Measure the resistance between the terminals.
Standard resistance:





(2) Connect the battery's positive (+) lead to terminal 2A-8 and negative (-) lead to terminal 2B-3. Measure the resistance between terminals 2B-7 and 2C-1 when battery voltage is applied between the terminals.
Standard resistance:










(d) Measure the resistance of the INJ relay.
(1) Remove the INJ fuse. Measure the resistance between the terminals.
Standard resistance:





(2) Connect the battery's positive (+) lead to terminal 2A-1 and negative (-) lead to terminal 2A-3. Measure the resistance between the INJ fuse terminals 2 and terminal 2A-4 when battery voltage is applied between the terminals.
Standard resistance: