Engine Immobiliser, Push-Button Start, Steering Lock, Smart Access System With Push-Button Start
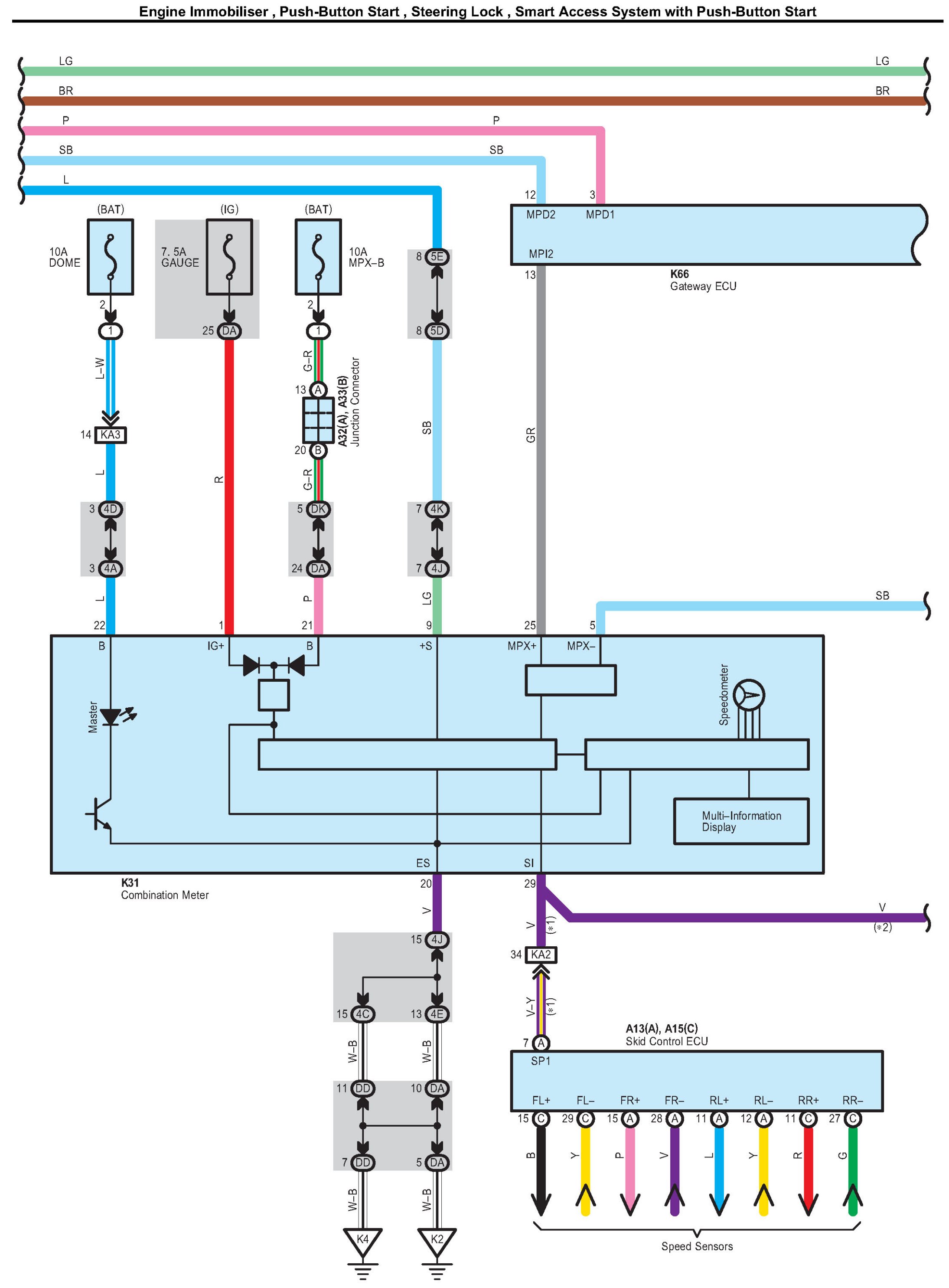
Engine Immobiliser, Push-Button Start, Steering Lock, Smart Access System with Push-Button Start Part 1:
Engine Immobiliser, Push-Button Start, Steering Lock, Smart Access System with Push-Button Start Part 2:
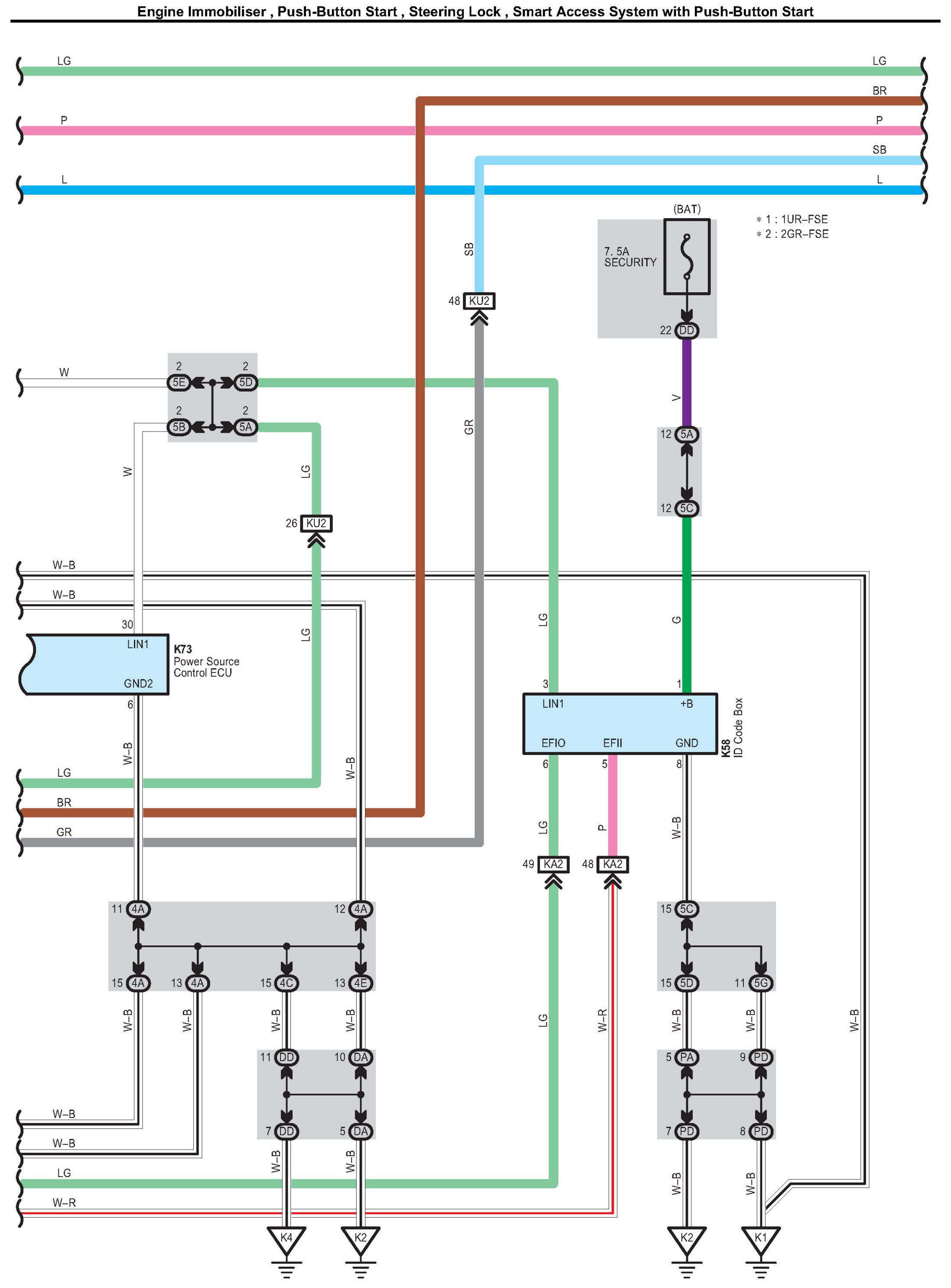
Engine Immobiliser, Push-Button Start, Steering Lock, Smart Access System with Push-Button Start Part 3:
Engine Immobiliser, Push-Button Start, Steering Lock, Smart Access System with Push-Button Start Part 4:
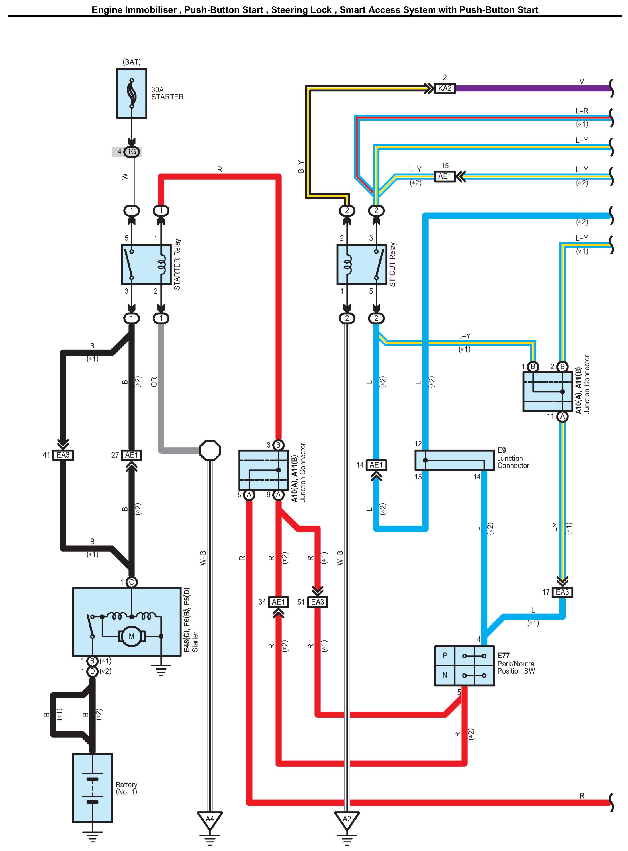
Engine Immobiliser, Push-Button Start, Steering Lock, Smart Access System with Push-Button Start Part 5:
Engine Immobiliser, Push-Button Start, Steering Lock, Smart Access System with Push-Button Start Part 6:
Engine Immobiliser, Push-Button Start, Steering Lock, Smart Access System with Push-Button Start Part 7:
Connectors Part 1:
Connectors Part 2:
Connectors Part 3:
Connectors Part 4:
Connectors Part 5:
Connectors Part 6:
Locations: The locations of components, connectors, ground points, and splices referred to within these diagrams can be found at Vehicle Locations. Locations