Curiosii for ever!: Car repair manuals for everyone.

Millimeter Wave Radar Sensor Power Source Circuit








CRUISE CONTROL: DYNAMIC RADAR CRUISE CONTROL SYSTEM: Millimeter Wave Radar Sensor Power Source Circuit

Millimeter Wave Radar Sensor Power Source Circuit

DESCRIPTION

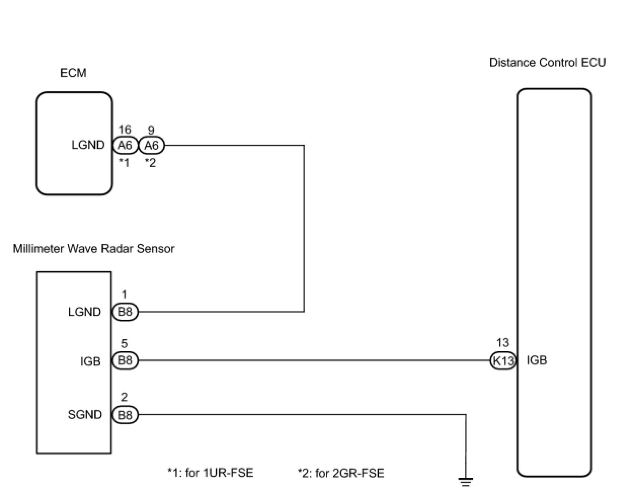
This circuit provides power to the millimeter wave radar sensor. The millimeter wave radar sensor emits radio waves towards an object in front and measures the distance and direction of the object by receiving the beam reflections. Based on the reflections, the sensor calculates the difference in speed between the vehicle and the object in front. This data is transmitted to the distance control ECU.

WIRING DIAGRAM





INSPECTION PROCEDURE

PROCEDURE

1. CHECK DISTANCE CONTROL ECU (IGB VOLTAGE)




(a) Disconnect the B8 sensor connector.
(b) Measure the voltage of the wire harness side connector.
Standard voltage:






NG -- CHECK WIRE HARNESS (MILLIMETER WAVE RADAR SENSOR - DISTANCE CONTROL ECU)
OK -- Continue to next step.

2. CHECK WIRE HARNESS (MILLIMETER WAVE RADAR SENSOR - ECM AND BODY GROUND)




(a) Disconnect the B8 sensor connector.
(b) Disconnect the A6 ECM connector.
(c) Measure the resistance of the wire harness side connectors.
Standard resistance:





HINT:
- *1: for 1UR-FSE
- *2: for 2GR-FSE

NG -- REPAIR OR REPLACE WIRE HARNESS AND CONNECTOR
OK -- PROCEED TO NEXT SUSPECTED AREA SHOWN IN PROBLEM SYMPTOMS TABLE
3. CHECK WIRE HARNESS (MILLIMETER WAVE RADAR SENSOR - DISTANCE CONTROL ECU)




(a) Disconnect the B8 sensor connector.
(b) Disconnect the K13 ECU connector.
(c) Measure the resistance of the wire harness side connectors.
Standard resistance:






NG -- REPAIR OR REPLACE WIRE HARNESS AND CONNECTOR
OK -- PROCEED TO NEXT SUSPECTED AREA SHOWN IN PROBLEM SYMPTOMS TABLE