Curiosii for ever!: Car repair manuals for everyone.

All Doors Lock/Unlock Functions Do Not Operate Via Door Control Switch








DOOR LOCK: POWER DOOR LOCK CONTROL SYSTEM: All Doors LOCK/UNLOCK Functions do not Operate Via Door Control Switch

All Doors LOCK/UNLOCK Functions do not Operate Via Door Control Switch

DESCRIPTION

The multiplex network body ECU receives switch signals from the door control switch and activates the door lock motor on each door according to the signals.

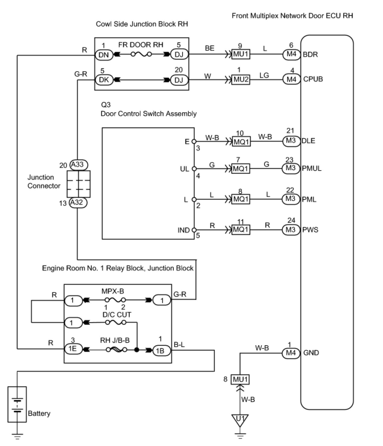
WIRING DIAGRAM





INSPECTION PROCEDURE

PROCEDURE

1. INSPECT FUSE (FR DOOR RH, MPX-B, D/C CUT)
(a) Remove the FR DOOR RH fuse from the cowl side junction block RH.
(b) Remove the MPX-B and D/C CUT fuses from the engine room No. 1 junction block.
(c) Measure the resistance of the fuses.
Standard resistance:
Below 1 Ohms
NG -- REPLACE FUSE
OK -- Continue to next step.

2. CHECK WIRE HARNESS (PASSENGER DOOR ECU - BATTERY AND BODY GROUND)




(a) Disconnect the M4 ECU connector.
(b) Measure the voltage of the wire harness side connector.
Standard voltage:





(c) Measure the resistance of the wire harness side connector.
Standard resistance:






NG -- REPAIR OR REPLACE HARNESS AND CONNECTOR
OK -- Continue to next step.

3. INSPECT DOOR CONTROL SWITCH ASSEMBLY




(a) Remove the door control switch.
(b) Measure the resistance of the switch.
Standard resistance:






NG -- REPLACE DOOR CONTROL SWITCH ASSEMBLY
OK -- Continue to next step.

4. CHECK WIRE HARNESS (DOOR CONTROL SWITCH ASSEMBLY - PASSENGER DOOR ECU)




(a) Disconnect the Q3 switch connector.
(b) Disconnect the M3 ECU connector.
(c) Measure the resistance of the wire harness side connectors.
Standard resistance:






NG -- REPAIR OR REPLACE HARNESS AND CONNECTOR
OK -- Continue to next step.

5. REPLACE MULTIPLEX NETWORK DOOR ECU FRONT RH (PASSENGER DOOR ECU)
(a) After replacing front multiplex network door ECU RH with a normal one, check that all doors can be locked and unlocked by using the door control switch.
OK:
All doors can be locked and unlocked with door control switch.
NG -- REPLACE COWL SIDE JUNCTION BLOCK RH (MULTIPLEX NETWORK BODY ECU)
OK -- END