Curiosii for ever!: Car repair manuals for everyone.

Engine Does Not Start








2GR-FE STARTING: SMART ACCESS SYSTEM WITH PUSH-BUTTON START: Engine does not Start

Engine does not Start

DESCRIPTION

1. ENGINE START SYSTEM FUNCTION
(a) If the engine switch is pressed with the shift lever in the P or N position and the brake pedal depressed, the main body ECU determines that it is an engine start request.
(b) The certification ECU and other ECUs perform key verification via the LIN communication line.
(c) The main body ECU activates the ACC relay.
(d) The main body ECU activates the IG1 and IG2 relays.
(e) The certification ECU outputs a steering UNLOCK signal. The signal is sent to the main body ECU via the steering lock ECU.
(f) The main body ECU sends an engine start request signal to the ECM.
(g) The ECM sends an ACC cut request signal to the main body ECU.
(h) The ECM and main body ECU activate the ST relay.
(i) The main body ECU deactivates the ACC relay until the ECU detects an engine start.
(j) When engine revolution speed reaches 1200 rpm, the ECU determines that the engine has been started.
The ECM stop sending an ACC cut request signal to the main body ECU.
The main body ECU reactivates the ACC relay and turns off the engine switch indicator light.


















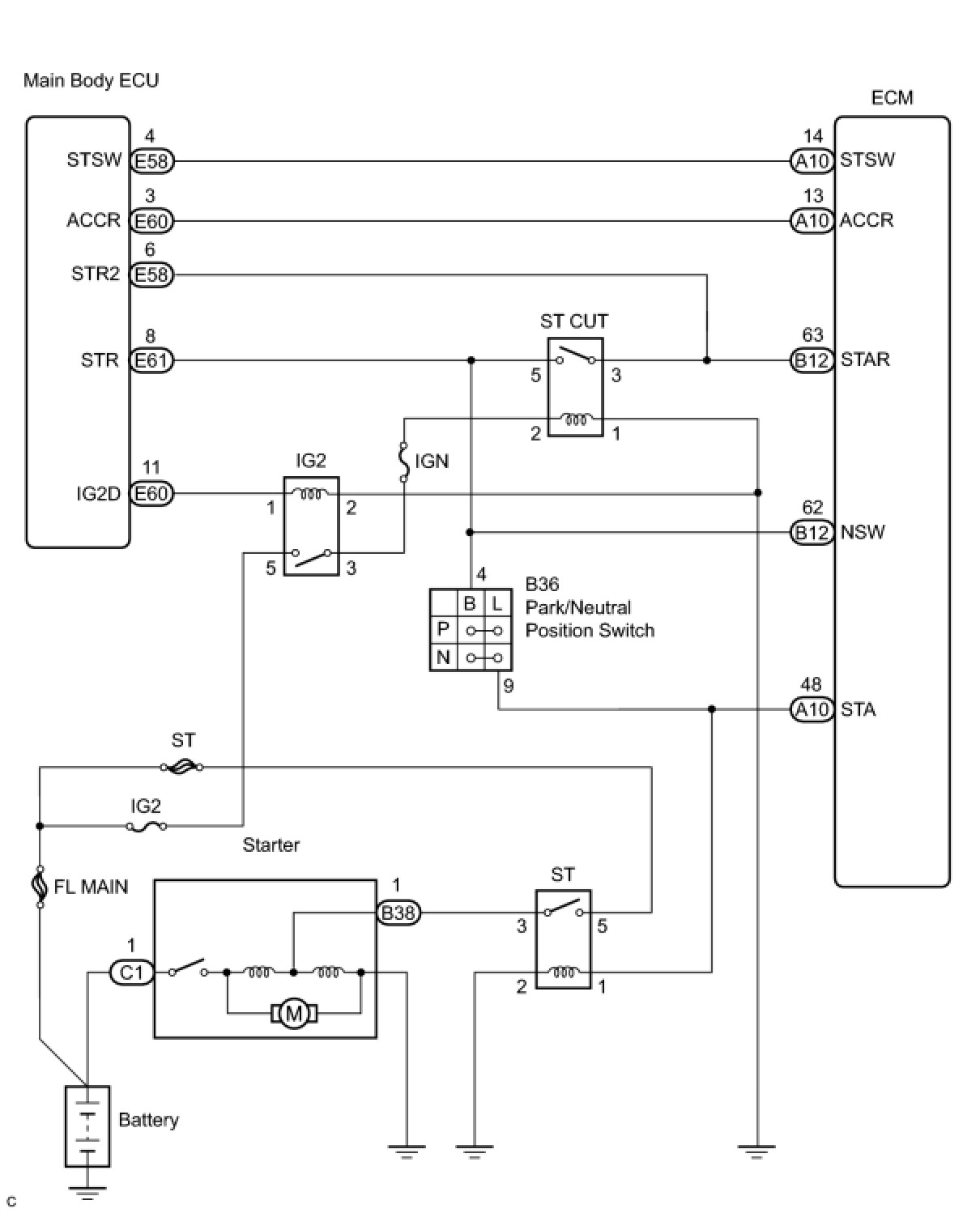
WIRING DIAGRAM





INSPECTION PROCEDURE

1. EMERGENCY ENGINE START CONTROL
(a) If there is a malfunction in the stop light switch or STOP fuse, their signals may not be correctly transmitted to the main body ECU. This may result in the engine not starting even if the engine switch is pressed while the brake pedal is depressed and the shift lever is in the P position.
To activate the starter:
(1) Turn the engine switch from off to on (ACC).
(2) Press and hold the engine switch for 15 seconds.
HINT: After the main body ECU, certification ECU, steering lock ECU, ID code box and/or ECM are/is replaced, perform the registration procedures for the engine immobilizer system Engine Immobilizer System.

PROCEDURE

1. CHECK ENTRY FUNCTION DETECTION AREA




(a) Inspect entry detection area.
(1) When the electrical key is in either of the 2 inspection points in the illustration, the shift lever is in the P position and the brake pedal is depressed, check that the engine switch indicator illuminates in green.
OK:
Engine switch illuminates in green.
HINT: If the engine switch does not illuminate, perform troubleshooting according to the PROBLEM SYMPTOMS TABLE of the smart access with push-button start (starting) (engine switch indicator light does not come on) Problem Symptoms Table and the smart access with push-button start (entry door lock) (matching for the inside of the cabin cannot be performed) Smart Access System With Push-Button Start.

NG -- GO TO OTHER PROBLEM
OK -- Continue to next step.
2. CHECK IF ENGINE STARTS (INITIALIZE STEERING LOCK)
(a) Engine switch off.
(b) Make sure that the shift lever is in the P position.
(c) Open and close the driver's door.
(d) When the shift lever is in the P position and the brake pedal is depressed, check if the engine can be started.
OK:
Steering lock/unlock function operates normally and engine can be started.
HINT: After the battery is discharged and then recharged, the engine may not start unless the steering lock is initialized using the above procedure Steering Lock System.

OK -- END
NG -- Continue to next step.
3. CHECK FOR DTC
(a) Delete the DTCs Reading and Clearing Diagnostic Trouble Codes.
(b) Check for DTCs again.
OK:
No DTC is output.
HINT:
- If smart access system with push-button start (starting function) DTCs are output, Smart Access System With Push-Button Start.
- If smart access system with push-button start (entry lock function) DTCs are output, Smart Access System With Push-Button Start.
- If electrical steering lock DTCs are output, Electric Steering Lock.
- If engine immobilizer system DTCs are output, Engine Immobilizer System.
- If engine control system DTCs output (2GR-FE), SFI System.

NG -- GO TO DTC CHART
OK -- Continue to next step.
4. CHECK ENGINE SWITCH CONDITION
(a) Check the power source mode change.
(1) When the key is inside the vehicle and the shift lever is in the P position, check that pressing the engine switch causes the power source mode to change as follows:
OK:
off -> on (ACC) -> on (IG) -> off
HINT:
- If power mode does not change to ON (IG and ACC), Power Source Mode does not Change to ON (IG and ACC).
- If power mode does not change to ON (IG), Power Source Mode does not Change to ON (IG).
- If power mode does not change to ON (ACC), Power Source Mode does not Change to ON (ACC).

NG -- GO TO OTHER PROBLEM
OK -- Continue to next step.
5. CHECK CRANKING FUNCTION
(a) Check the engine cranking function.
(1) When there is fuel in the fuel tank, the key is inside the vehicle, and the shift lever is in the P position, check that depressing the brake pedal and pressing the engine switch crank the engine.
OK:
Engine cranks.
OK -- READ VALUE USING TECHSTREAM (ENGINE START REQUEST)
NG -- Continue to next step.
6. READ VALUE USING TECHSTREAM (P SIGNAL)
(a) Connect Techstream to the DLC3.
(b) Turn the engine switch on (IG).
(c) Read the DATA LIST according to the displays on the tester screen.

Main Body:





OK:
ON (P signal is ON) and OFF (P signal is OFF) appear on the screen.
HINT: If the result is not as specified, perform troubleshooting for DTC B2281 ("P" signal malfunction) first B2281.

NG -- GO TO DTC B2281
OK -- Continue to next step.
7. READ VALUE USING TECHSTREAM (STOP LIGHT SWITCH)
(a) Connect Techstream to the DLC3.
(b) Turn the engine switch on (IG).
(c) Check the DATA LIST for proper functioning of the stop light switch.

Main Body:





OK:
ON (brake pedal depressed) and OFF (brake pedal released) appear on the screen.
HINT: If the result is not as specified, perform troubleshooting for DTC B2284 (Brake signal malfunction) first [1][2]B Code Charts.

NG -- GO TO DTC B2284
OK -- Continue to next step.
8. READ VALUE USING TECHSTREAM (STEERING LOCK)
(a) Connect Techstream to the DLC3.
(b) Turn the engine switch on (IG).

Main Body:





OK:
ON (steering is unlocked) and OFF (steering is locked) appear on the screen.
HINT: If the result is not as specified, perform troubleshooting for DTCs B2285 (Steering lock position signal circuit malfunction) and B2288 (Steering lock signal circuit malfunction) first Smart Access System With Push-Button Start.

NG -- GO TO DTC B2285
OK -- Continue to next step.
9. CHECK STEERING LOCK
(a) Check if the steering lock is released when turning the engine switch on (ACC).
OK:
The steering lock is released.
NG -- READ VALUE USING TECHSTREAM (L CODE)
OK -- Continue to next step.
10. INSPECT MAIN BODY ECU (STSW VOLTAGE)




(a) Disconnect the A10 ECM connector.
(b) Measure the voltage according to the value(s) in the table below.
Standard voltage:





HINT: If the result is not as specified, perform troubleshooting for DTC B2275 (STSW monitor malfunction) first B2275.

NG -- GO TO DTC B2275
OK -- Continue to next step.
11. INSPECT ECM (ACCR VOLTAGE)




(a) Reconnect the connector.
(b) Measure the voltage according to the value(s) in the table below.
Standard voltage:





*1: Voltage is output only when the engine is cranking.
HINT: If the result is not as specified, perform troubleshooting for DTC B2276 (ACCR signal circuit malfunction) first B2276.

NG -- GO TO DTC B2276
OK -- Continue to next step.
12. INSPECT MAIN BODY ECU (STR VOLTAGE)




(a) Measure the voltage according to the value(s) in the table below.
Standard voltage:






OK -- INSPECT RELAY (ST)
NG -- Continue to next step.
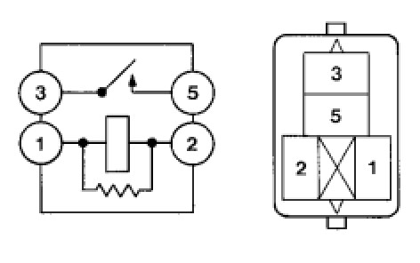
13. INSPECT RELAY (ST CUT)




(a) Measure the resistance of the ST CUT relay.
Standard resistance:






NG -- REPLACE RELAY
OK -- Continue to next step.
14. INSPECT PARK/NEUTRAL POSITION SWITCH




(a) Disconnect the park/neutral position (PNP) switch connector.
(b) Measure the resistance according the the value(s) in the table below.
Standard resistance:






NG -- REPLACE PARK / NEUTRAL POSITION SWITCH
OK -- Continue to next step.
15. CHECK HARNESS AND CONNECTOR (PARK/NEUTRAL POSITION SWITCH - ECM, MAIN BODY ECU)
(a) Measure the resistance according to the value(s) in the table below.





Standard resistance:






NG -- REPAIR OR REPLACE HARNESS OR CONNECTOR
OK -- Continue to next step.
16. INSPECT DRIVER SIDE JUNCTION BLOCK (STR2 VOLTAGE)




(a) Disconnect the B12 ECM connector.
(b) Measure the voltage according to the value(s) in the table below.
Standard voltage:





*1: Voltage is output for 0.3 seconds when the engine is cracking to start. Disconnect the B12 connector from the ECM before measuring the voltage.
NG -- REPLACE MAIN BODY ECU
OK -- Continue to next step.
17. CHECK WIRE HARNESS (MAIN BODY ECU - ECM - ENGINE ROOM R/B)
(a) Remove the ST CUT relay from the engine room R/B.




(b) Disconnect the E58 ECU connector.
(c) Measure the resistance according to the value(s) in the table below.
Standard resistance:






NG -- REPAIR OR REPLACE HARNESS OR CONNECTOR
OK -- Continue to next step.
18. INSPECT RELAY (ST)




(a) Remove the starter relay from the engine room R/B.
(b) Measure the resistance of the starter relay.
Standard resistance:






NG -- REPLACE RELAY
OK -- Continue to next step.
19. CHECK HARNESS AND CONNECTOR (ECM - ST RELAY, PNP SWITCH)
(a) Disconnect the A10 ECM connector.




(b) Measure the resistance according the the value(s) in the table below.
Standard resistance:






NG -- REPAIR OR REPLACE HARNESS OR CONNECTOR
OK -- Continue to next step.
20. INSPECT ENGINE ROOM RELAY BLOCK (ST RELAY VOLTAGE)




(a) Measure the voltage according to the value(s) in the table below.
Standard voltage:






NG -- REPAIR OR REPLACE HARNESS OR CONNECTOR
OK -- Continue to next step.
21. INSPECT STARTER ASSEMBLY
HINT: Testing and Inspection.

NG -- REPAIR OR REPLACE STARTER ASSEMBLY
OK -- REPAIR OR REPLACE HARNESS OR CONNECTOR (STARTER - BATTERY, ST RELAY)
22. READ VALUE USING TECHSTREAM (L CODE)
(a) Reconnect the connectors.
(b) Connect Techstream to the DLC3.
HINT: When using Techstream with the engine switch off, turn on and off any of the door courtesy light switches repeatedly at 1.5 second intervals or less until communication between the tester and vehicle starts.
(c) Turn the engine switch on (IG).

Smart Key:





OK:
OK is displayed on the screen.
HINT: If the result is not as specified, refer to PROBLEM SYMPTOMS TABLE of the electrical steering lock (steering wheel cannot be unlocked) Symptom Related Diagnostic Procedures.
If the result is not as specified, there may be a malfunction with the steering lock ECU or the ID code box.

NG -- GO TO STEERING LOCK SYSTEM
OK -- Continue to next step.
23. READ VALUE USING TECHSTREAM (ENGINE START REQUEST)
(a) Connect Techstream to the DLC3.
HINT: When using Techstream with the engine switch off, turn on and off any of the door courtesy light switches repeatedly at 1.5 second intervals or less until communication between the tester and vehicle starts.
(b) Turn the engine switch on (IG).

Smart Key:





OK:
OK (received) and NG (not received) appear on the screen.
NG -- REPLACE CERTIFICATION ECU
OK -- Continue to next step.
24. READ VALUE USING TECHSTREAM (S CODE)
(a) Connect Techstream to the DLC3.
HINT: When using Techstream with the engine switch off, turn on and off any of the door courtesy light switches repeatedly at 1.5 second intervals or less until communication between the tester and vehicle starts.
(b) Turn the engine switch on (IG).

Smart Key:





OK:
OK is displayed on the screen.
HINT: If the result is not as specified, there may be a malfunction with the certification ECU or the ID code box.

NG -- REPLACE CERTIFICATION ECU
OK -- Continue to next step.
25. INSPECT ID CODE BOX




(a) Check the input signal waveform.
(1) Connect an oscilloscope to terminal E32-6 (EFIO) and body ground.
(2) Turn the engine switch on (IG).
(3) Check the signal waveform according to the condition(s) in the table below.






NG -- REPLACE ID CODE BOX
OK -- END
26. REPLACE CERTIFICATION ECU
(a) Replace the certification ECU.
(b) Perform the registration procedures for the engine immobilizer system Engine Immobilizer System.
(c) Check if the engine can be started.
OK:
Engine can be started.
OK -- END (CERTIFICATION ECU IS DEFECTIVE)
NG -- REPLACE ID CODE BOX