Curiosii for ever!: Car repair manuals for everyone.

Ignition Relay: Testing and Inspection








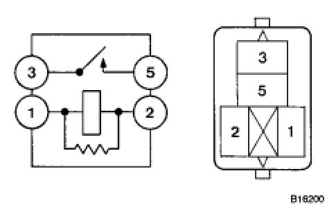
2GR-FE ENGINE CONTROL SYSTEM: IGNITION RELAY NO. 2: INSPECTION

INSPECTION

1. INSPECT IGNITION RELAY NO. 2





(a) Using an ohmmeter, measure the resistance according to the value(s) in the table below.
Standard resistance:





If the result is not as specified, replace the relay.