Curiosii for ever!: Car repair manuals for everyone.

ECM Communication Stop Mode








CAN COMMUNICATION SYSTEM: ECM Communication Stop Mode

ECM Communication Stop Mode

DESCRIPTION





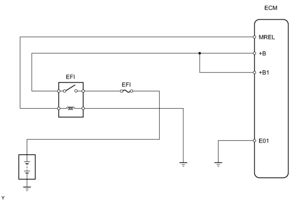
WIRING DIAGRAM





INSPECTION PROCEDURE

PROCEDURE

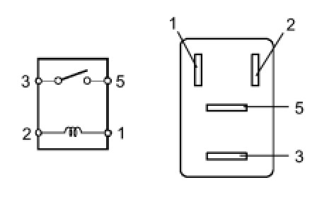
1. INSPECT EFI RELAY (Marking: EFI)
(a) Remove the EFI relay from the engine room No. 2 relay block.
(b) Measure the resistance of the relay.





Standard resistance:






NG -- REPLACE EFI RELAY
OK -- Continue to next step.
2. CHECK WIRE HARNESS (EFI RELAY - ECM, BATTERY AND BODY GROUND)
(a) Remove the EFI relay from the engine room No. 2 relay block.
(b) Disconnect the E4 and E6 ECM connectors.





(c) Measure the voltage of the wire harness side connector.
Standard voltage:





(d) Measure the resistance of the wire harness side connectors.
Standard resistance:






NG -- REPAIR OR REPLACE HARNESS AND CONNECTOR
OK -- REPLACE ECM