Curiosii for ever!: Car repair manuals for everyone.

Display and Navigation Assembly Communication Stop Mode








CAN COMMUNICATION: CAN COMMUNICATION SYSTEM: Display and Navigation Assembly Communication Stop Mode

Display and Navigation Assembly Communication Stop Mode

DESCRIPTION





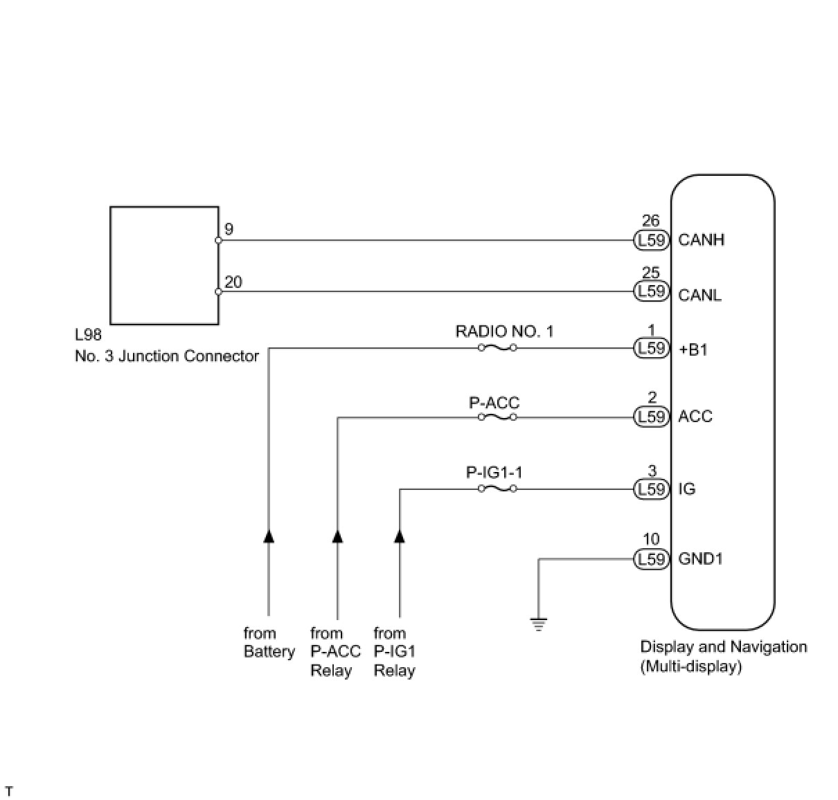
WIRING DIAGRAM
HINT: For vehicles with multi-display only.





INSPECTION PROCEDURE
HINT: Operating the engine switch, any switches or any doors triggers related ECU and sensor communication with the CAN, which causes resistance variation.

PROCEDURE

1. DISCONNECT CABLE FROM NEGATIVE BATTERY TERMINAL
(a) Disconnect the cable from the negative (-) battery terminal before measuring the resistances of the main wire and the branch wire.
CAUTION: Wait at least 90 seconds after disconnecting the cable from the negative (-) battery terminal to prevent airbag and seat belt pretensioner activation.
NOTICE:
- After the engine switch is turned off, the HDD navigation system requires approximately 6 minutes to record various types of memory and settings. As a result, after turning the engine switch off, wait 6 minutes or more before disconnecting the cable from the negative (-) battery terminal.
- When disconnecting the cable, some systems need to be initialized after the cable is reconnected Repair Instruction - Initialization.

NEXT -- Continue to next step.
2. CHECK FOR OPEN IN CAN BUS WIRE (DISPLAY AND NAVIGATION OR MULTI-DISPLAY BRANCH WIRE)





(a) Disconnect the L59 display and navigation (multi-display) connector.
(b) Measure the resistance according to the value(s) in the table below.
Standard resistance:






NG -- REPAIR OR REPLACE DISPLAY AND NAVIGATION OR MULTI-DISPLAY BRANCH WIRE OR CONNECTOR (CANH, CANL)
OK -- Continue to next step.
3. CHECK HARNESS AND CONNECTOR (DISPLAY AND NAVIGATION OR MULTI-DISPLAY - BATTERY AND BODY GROUND)
(a) Connect the cable to the negative (-) battery terminal.
NOTE: When disconnecting the cable, some systems need to be initialized after the cable is reconnected Repair Instruction - Initialization.





(b) Disconnect the L59 display and navigation (multi-display) connectors.
(c) Measure the resistance according to the value(s) in the table below.
Standard resistance:





(d) Measure the voltage according to the value(s) in the table below.
Standard voltage:






Result





D -- REPAIR OR REPLACE HARNESS OR CONNECTOR
C -- REPLACE MULTI-DISPLAY
B -- REPLACE MULTI-DISPLAY
A -- REPLACE DISPLAY AND NAVIGATION ASSEMBLY