Curiosii for ever!
: Car repair manuals for everyone.
Home
>>
Lexus
>>
2008
>>
LS 460 V8-4.6L (1UR-FSE)
>>
Repair and Diagnosis
>>
Powertrain Management
>>
Computers and Control Systems
>>
Description and Operation
Computers and Control Systems: Description and Operation
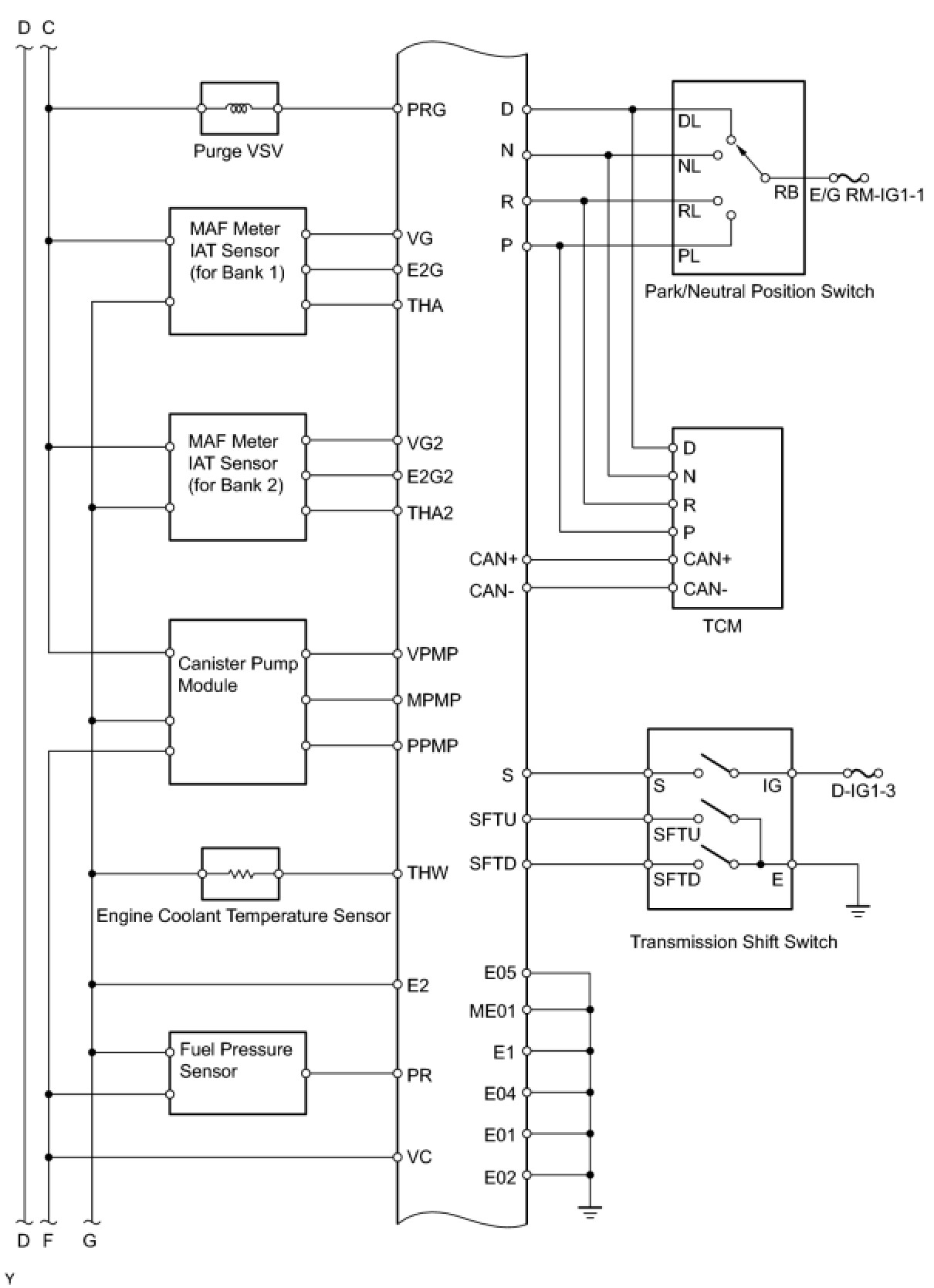
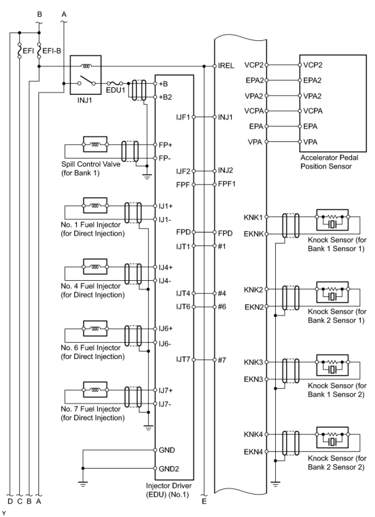
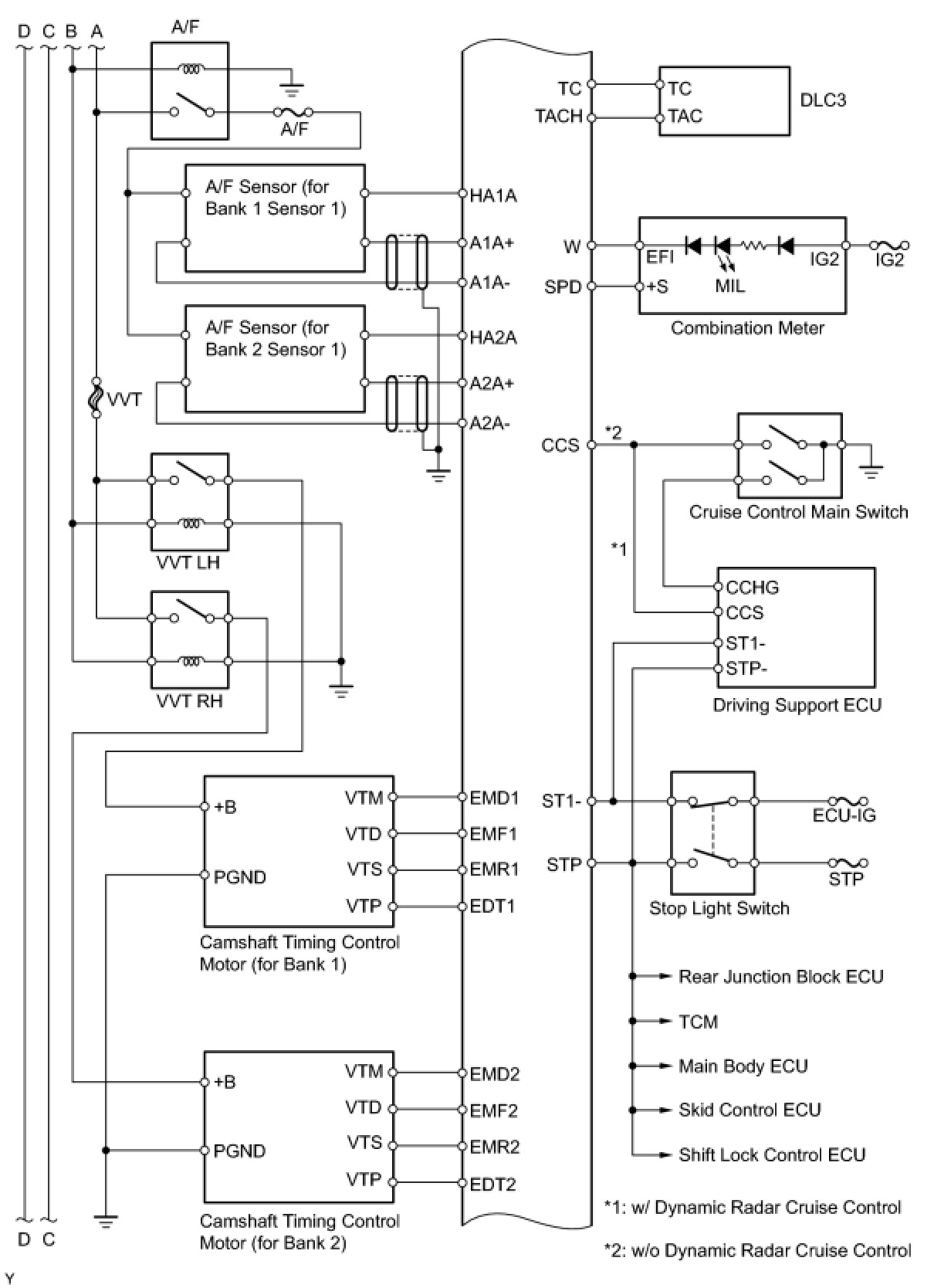
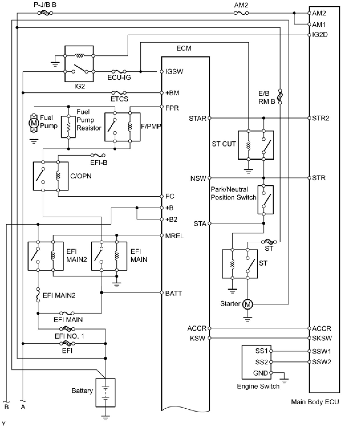
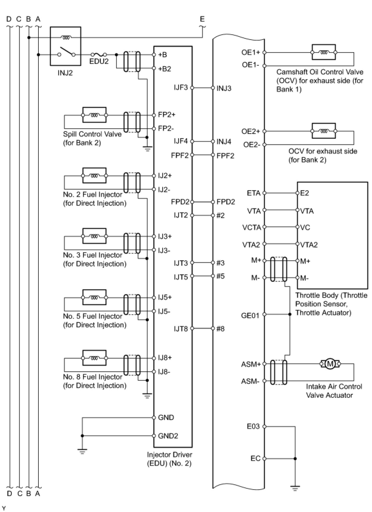
1UR-FSE ENGINE CONTROL SYSTEM: SFI SYSTEM: SYSTEM DIAGRAM
SYSTEM DIAGRAM