Curiosii for ever!
: Car repair manuals for everyone.
Home
>>
Lexus
>>
2008
>>
IS 350 V6-3.5L (2GR-FSE)
>>
Repair and Diagnosis
>>
Starting and Charging
>>
Starting System
>>
Description and Operation
>>
Starting System
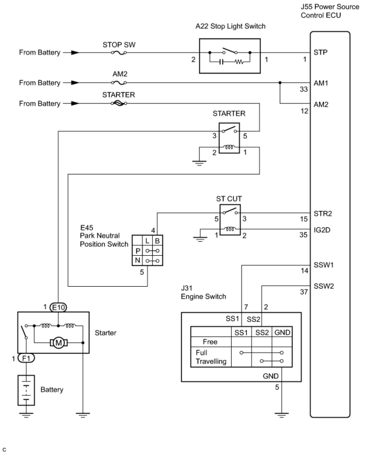
Starting System
2GR-FSE STARTING:
STARTING SYSTEM
:
SYSTEM DIAGRAM