Curiosii for ever!: Car repair manuals for everyone.

Emission Control Systems: Description and Operation








2GR-FSE EMISSION CONTROL: EMISSION CONTROL SYSTEM:

SYSTEM DIAGRAM

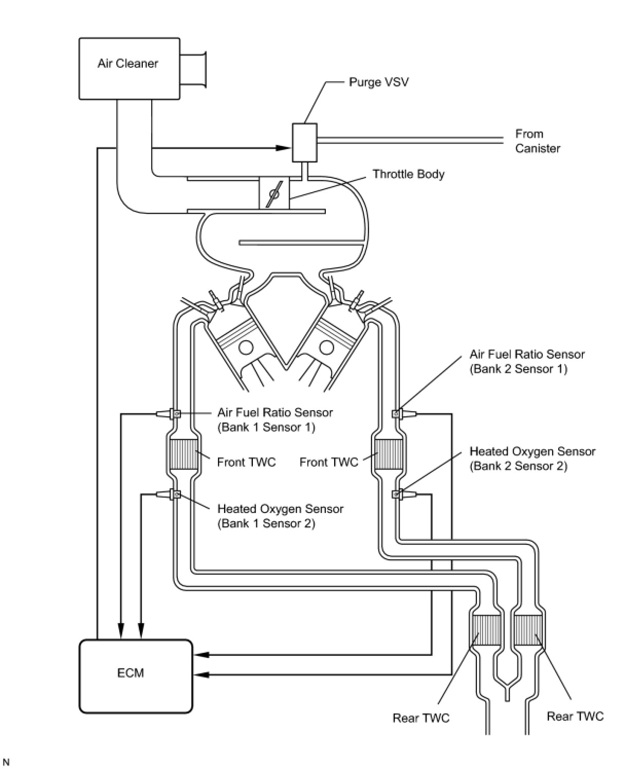
1. EMISSION CONTROL SYSTEM DIAGRAM





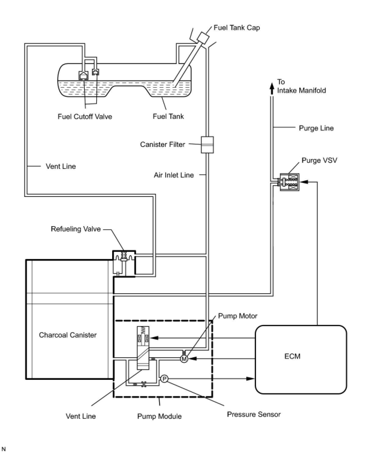
2. EVAP CONTROL SYSTEM DIAGRAM





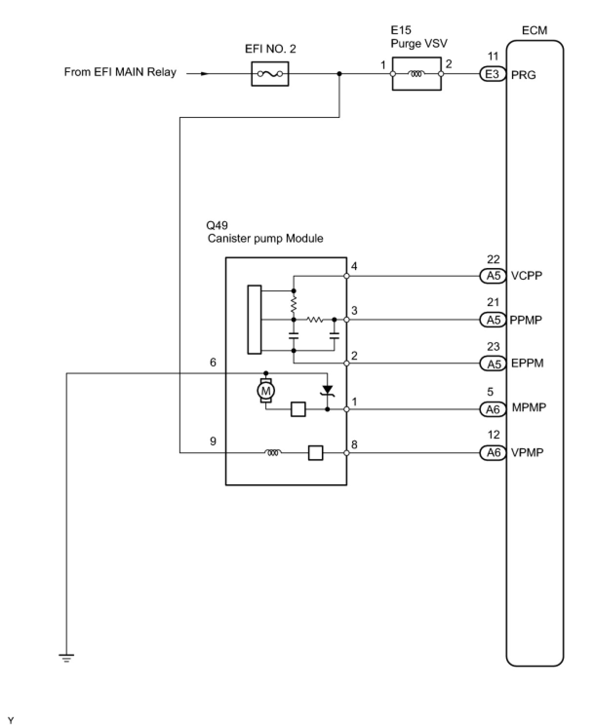
3. EVAP SYSTEM WIRING DIAGRAM





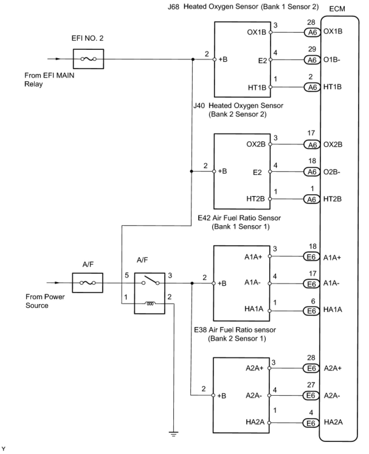
4. EMISSION CONTROL SYSTEM WIRING DIAGRAM