Curiosii for ever!: Car repair manuals for everyone.

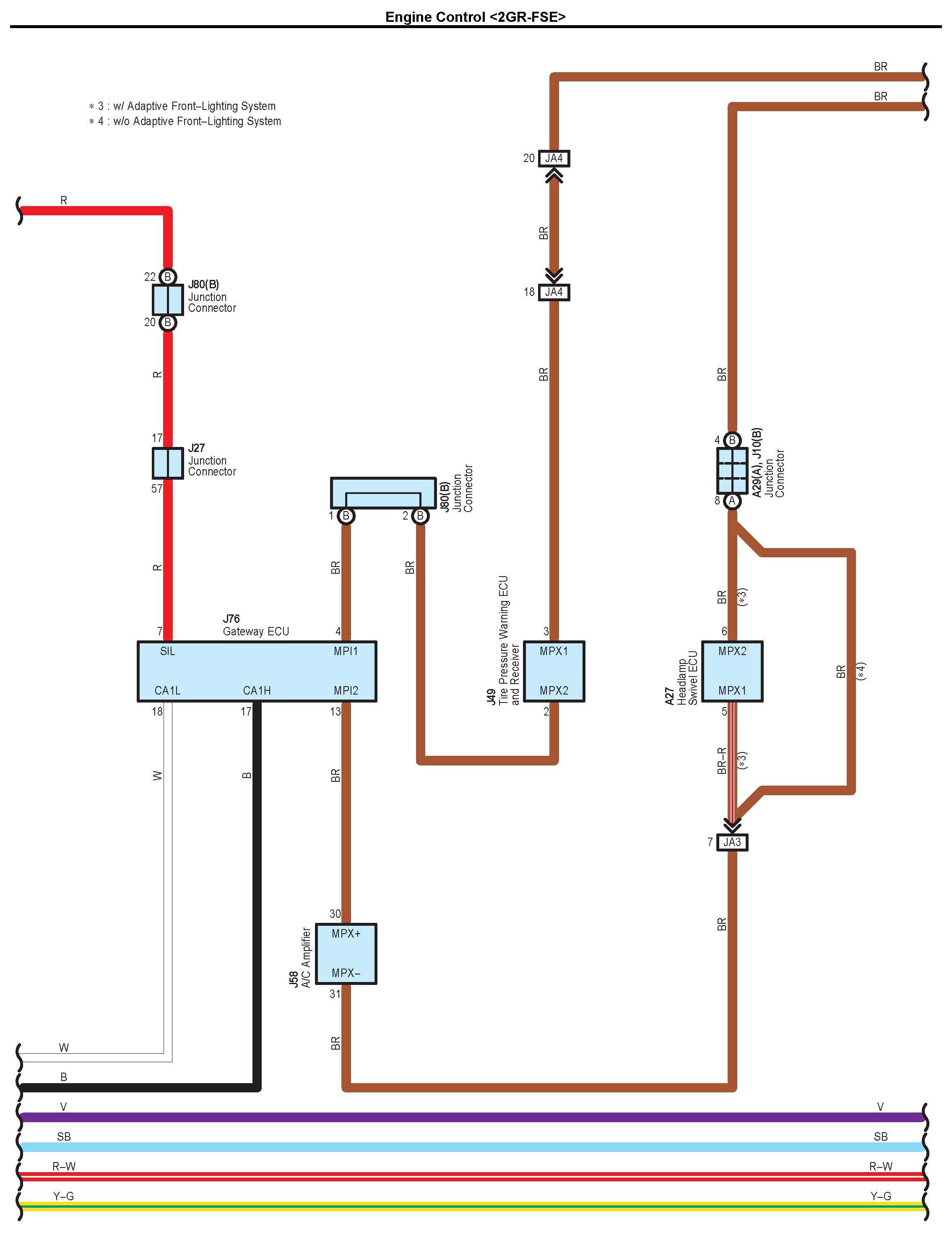
Engine Control Part 14

Engine Control Part 14:




Connector Pin Outs Part 1:




Connector Pin Outs Part 2:




Connector Pin Outs Part 3:




Connector Pin Outs Part 4:




Connector Pin Outs Part 5:




Connector Pin Outs Part 6:




Connector Pin Outs Part 7:






Next Diagram Engine Control Part 15

Previous Diagram Engine Control Part 13

Locations: The locations of components, connectors, ground points, and splices referred to within these diagrams can be found at Vehicle Locations. Locations