Component Tests and General Diagnostics
2GR-FSE ENGINE CONTROL SYSTEM: SFI SYSTEM: ECM Power Source Circuit
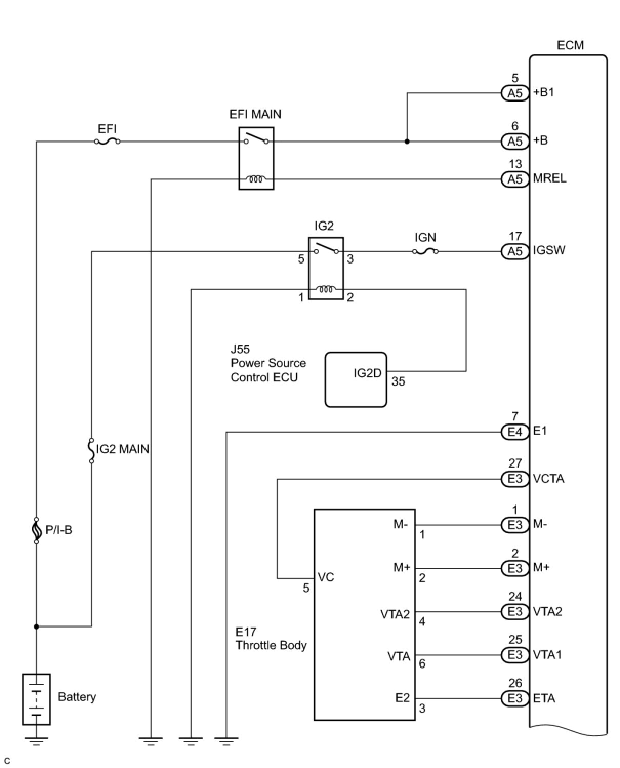
ECM Power Source Circuit
DESCRIPTION
When the engine switch is turned on (IG), the battery voltage is applied to terminal IGSW of the ECM. The ECM MREL output signal causes a current to flow to the coil, closing the contacts of the EFI MAIN relay and supplying power to terminal +B of the ECM.
If the engine switch is turned off, the ECM holds the EFI MAIN relay ON for a maximum of 2 seconds to allow for the initial setting of the throttle valve.
When the engine switch is turned on (IG), voltage from the ECM's MREL terminal applies to the integration relay (EFI MAIN relay). This causes the contacts of the integration relay (EFI MAIN relay) to close, which supplies power to terminal +B or +B1 of the ECM.
WIRING DIAGRAM
INSPECTION PROCEDURE
PROCEDURE
1. INSPECT ECM (+B, +B1 VOLTAGE)
(a) Turn the engine switch on (IG).
(b) Measure the voltage according to the value(s) in the table below.
Standard voltage:
OK -- PROCEED TO NEXT CIRCUIT INSPECTION SHOWN IN PROBLEM SYMPTOMS TABLE
NG -- Continue to next step.
2. CHECK HARNESS AND CONNECTOR (ECM - BODY GROUND)
(a) Disconnect the E4 ECM connector.
(b) Measure the resistance according to the value(s) in the table below.
Standard resistance (Check for open):
(c) Reconnect the ECM connector.
NG -- REPAIR OR REPLACE HARNESS OR CONNECTOR
OK -- Continue to next step.
3. INSPECT ECM (IGSW VOLTAGE)
(a) Turn the engine switch on (IG).
(b) Measure the voltage according to the value(s) in the table below.
Standard voltage:
OK -- INSPECT ECM (MREL VOLTAGE)
NG -- Continue to next step.
4. CHECK FUSE (IGN FUSE)
(a) Remove the IGN fuse from the cowl side junction block RH.
(b) Measure the resistance of the IGN fuse.
Standard resistance:
Below 1 Ohms
(c) Reinstall the IGN fuse.
NG -- REPLACE IGN FUSE
OK -- Continue to next step.
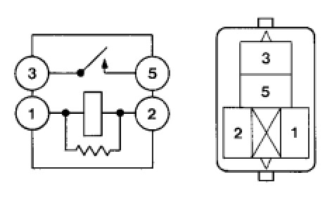
5. INSPECT IGNITION RELAY NO. 2
(a) Remove the IG2 relay from the engine room R/B No. 2.
(b) Measure the resistance according to the value(s) in the table below.
Standard resistance:
NG -- REPLACE IGNITION RELAY NO. 2
OK -- GO TO SMART ACCESS SYSTEM WITH PUSH-BUTTON START
6. INSPECT ECM (MREL VOLTAGE)
(a) Turn the engine switch on (IG).
(b) Measure the voltage according to the value(s) in the table below.
Standard voltage:
NG -- REPLACE ECM
OK -- Continue to next step.
7. CHECK FUSE (EFI FUSE)
(a) Remove the EFI fuse from the engine room R/B No.2.
(b) Measure the resistance of the EFI fuse.
Standard resistance:
Below 1 Ohms
(c) Reinstall the EFI fuse.
NG -- REPLACE EFI FUSE
OK -- Continue to next step.
8. INSPECT INTEGRATION RELAY (EFI MAIN RELAY)
(a) Remove the integration relay from the engine room J/B No. 2.
(b) Measure the resistance according to the value(s) in the table below.
Standard resistance:
NG -- REPLACE INTEGRATION RELAY
OK -- Continue to next step.
9. CHECK HARNESS AND CONNECTOR (INTEGRATION RELAY- ECM, INTEGRATION RELAY - BODY GROUND)
(a) Check the harness and the connectors between the integration relay and the ECM.
(1) Remove the integration relay from the engine room J/B and R/B No. 2.
(2) Disconnect the A5 ECM connector.
(3) Measure the resistance according to the value(s) in the table below.
Standard resistance (Check for open):
Standard resistance (Check for short):
(b) Check the harness and the connectors between the integration relay and body ground.
(1) Remove the integration relay from the engine room J/B and R/B No. 2.
(2) Measure the resistance according to the value(s) in the table below.
Standard resistance (Check for open):
NG -- REPAIR OR REPLACE HARNESS OR CONNECTOR
OK -- CHECK AND REPAIR HARNESS AND CONNECTOR (TERMINAL +B OF ECM - BATTERY POSITIVE TERMINAL)