Curiosii for ever!
: Car repair manuals for everyone.
Home
>>
Lexus
>>
2008
>>
IS 350 V6-3.5L (2GR-FSE)
>>
Repair and Diagnosis
>>
Powertrain Management
>>
Computers and Control Systems
>>
Description and Operation
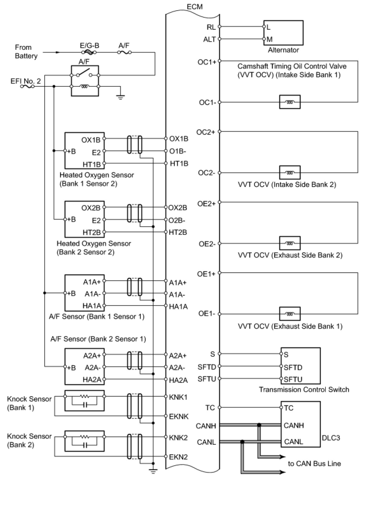
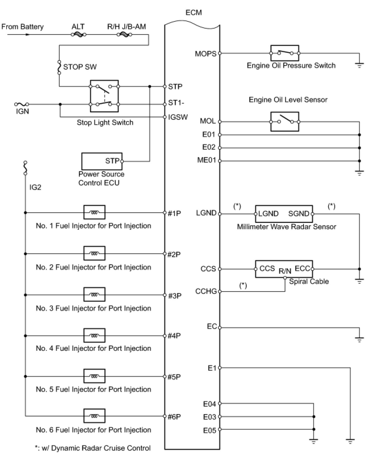
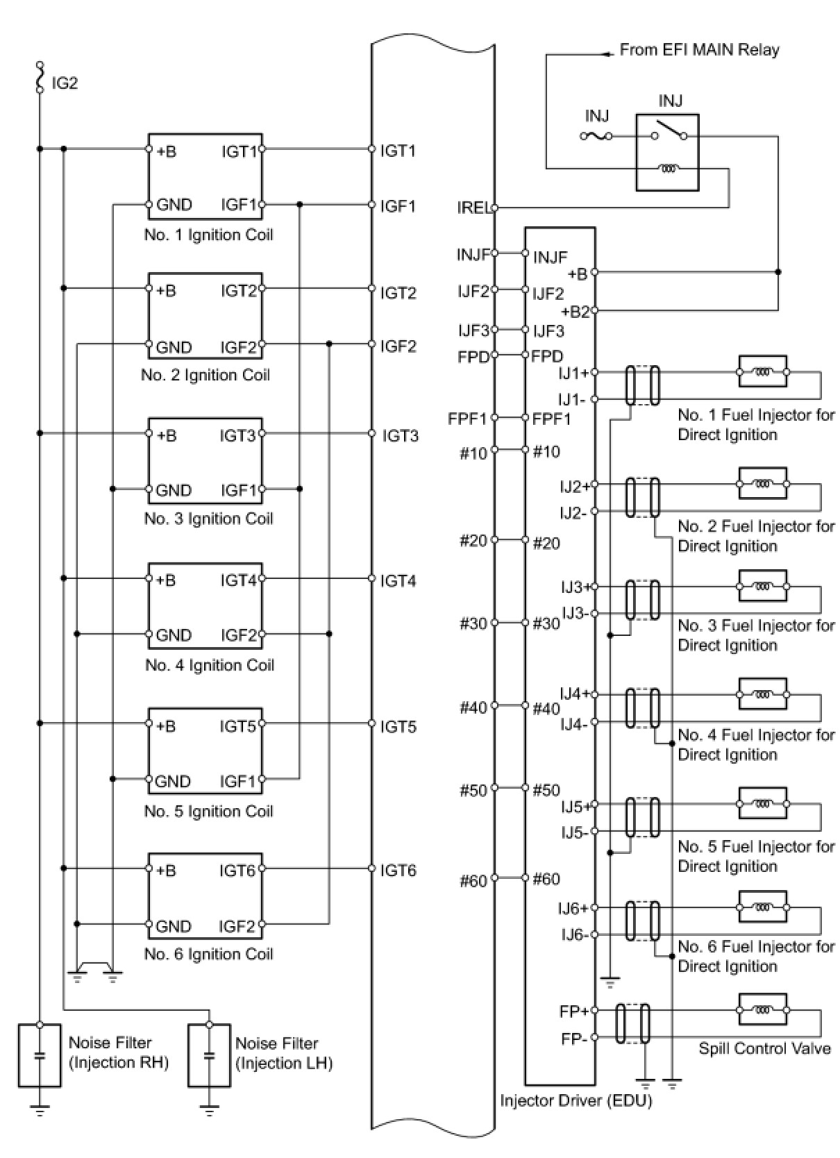
Computers and Control Systems: Description and Operation
2GR-FSE ENGINE CONTROL SYSTEM: SFI SYSTEM:
SYSTEM DIAGRAM