Curiosii for ever!: Car repair manuals for everyone.

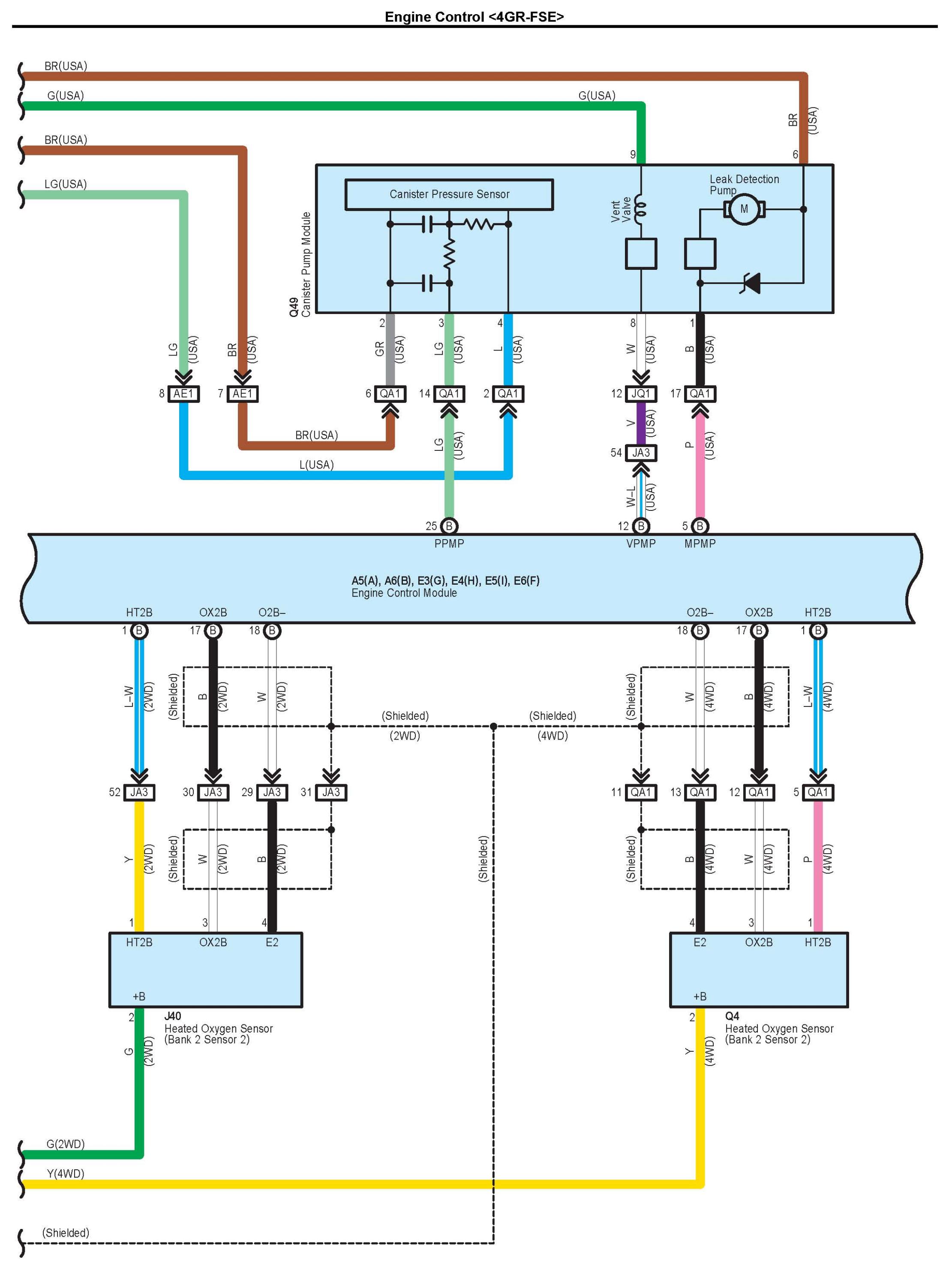
Engine Control Part 9

Engine Control Part 9:




Connector Pin Outs Part 1:




Connector Pin Outs Part 2:




Connector Pin Outs Part 3:




Connector Pin Outs Part 4:




Connector Pin Outs Part 5:




Connector Pin Outs Part 6:




Connector Pin Outs Part 7:




Connector Pin Outs Part 8:




Connector Pin Outs Part 9:






Next Diagram Engine Control Part 10

Previous Diagram Engine Control Part 8

Locations: The locations of components, connectors, ground points, and splices referred to within these diagrams can be found at Vehicle Locations. Locations