Curiosii for ever!: Car repair manuals for everyone.

Cranking Holding Function Circuit








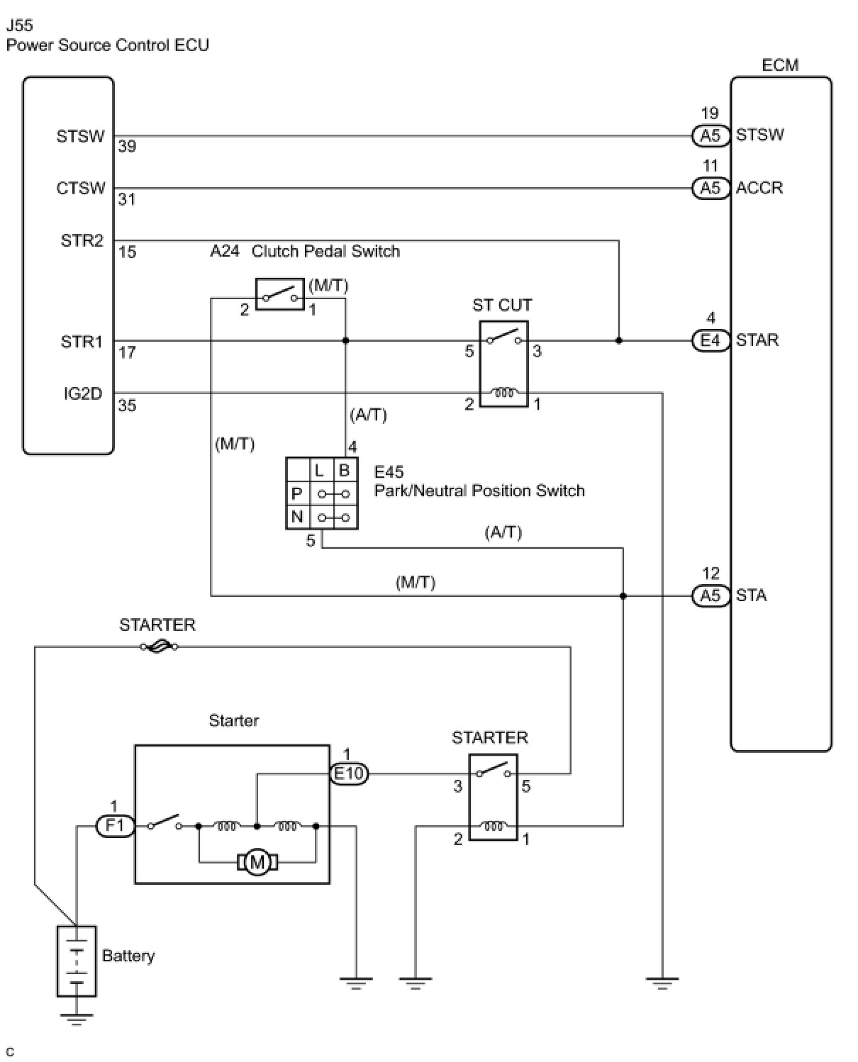
4GR-FSE ENGINE CONTROL SYSTEM: SFI SYSTEM: Cranking Holding Function Circuit

Cranking Holding Function Circuit

DESCRIPTION

The cranking holding control system provides current to the starter when the ECM detects the engine switch's start signal (STSW). When the ECM performs a firing judgment, the system cuts current to the starter. When an ECM receives the STSW signal, it turns on the ST CUT relay, which prevents flickering of the combination meter, clock, audio system, etc. Also, the ECM sends a signal to the ECM's STAR terminal. Then the STAR output signal travels through the park/neutral position (PNP) switch to the STARTER relay, causing the starter to activate.
When the engine is cranking, the starter operation signal is sent to the ECM's STA terminal.





WIRING DIAGRAM





INSPECTION PROCEDURE

PROCEDURE

1. CHECK CRANKING
(a) When starting the engine, check whether the starter motor starts.
OK -- CHECK FOR INTERMITTENT PROBLEMS
NG -- Continue to next step.
2. READ VALUE USING TECHSTREAM (STA SIGNAL)
(a) Connect Techstream to the DLC3.
(b) Turn the engine switch on (IG) and turn the tester on.
(c) Enter the following menus: Powertrain / Engine and ECT / Data List / Starter Signal.
(d) Check the result when the engine switch is turned on (IG) and the engine is started.
Standard:






OK -- INSPECT STARTER RELAY
NG -- Continue to next step.
3. INSPECT ECM (STAR AND STSW VOLTAGE)





(a) Measure the voltage according to the value(s) in the table below while cranking the engine.
Standard voltage:






Result:






C -- CHECK HARNESS AND CONNECTOR (POWER SOURCE CONTROL ECU - ECM)
B -- REPLACE ECM
A -- Continue to next step.
4. INSPECT ST CUT RELAY





(a) Remove the ST CUT relay from the engine room R/B No. 2.
(b) Measure the resistance according to the value(s) in the table below.
Standard resistance:






NG -- REPLACE ST CUT RELAY
OK -- Continue to next step.
5. INSPECT PARK/NEUTRAL POSITION SWITCH ASSEMBLY (A/T) OR CLUTCH PEDAL SWITCH ASSEMBLY (M/T)





(a) Disconnect the park/neutral position (PNP) switch (A/T) or clutch pedal switch (M/T) connector.
(b) Measure the resistance according to the value(s) in the table below.
Standard resistance (A/T):






Standard resistance (M/T):






NG -- REPLACE PARK/NEUTRAL POSITION SWITCH (A/T) OR CLUTCH PEDAL SWITCH (M/T)
OK -- CHECK AND REPAIR HARNESS AND CONNECTOR ((PARK/NEUTRAL POSITION SWITCH - ECM, ECM - ST CUT RELAY, ST)
6. INSPECT STARTER RELAY





(a) Remove the STARTER relay from the engine room R/B No. 1.
(b) Measure the resistance according to the value(s) in the table below.
Standard resistance:






NG -- REPLACE STARTER RELAY
OK -- Continue to next step.
7. CHECK HARNESS AND CONNECTOR (PNP SWITCH (A/T) OR CLUTCH PEDAL SWITCH (M/T) - ST RELAY)





(a) Check the harness and the connectors between the park/neutral position switch and the starter relay.
(1) Disconnect the E45*1, A24*2 switch connector.
*1: A/T
*2: M/T
(2) Remove the starter relay from the engine room R/B No. 1.
(3) Measure the resistance according to the value(s) in the table below.
Standard resistance (A/T) (Check for open):






Standard resistance (M/T) (Check for open):






Standard resistance (A/T) (Check for short):






Standard resistance (M/T) (Check for short):





(b) Check the harness and the connector between the starter relay and the body ground.
(1) Remove the starter relay from the engine room R/B No. 1.
(2) Measure the resistance according to the value(s) in the table below.
Standard resistance (Check for open):






NG -- REPAIR OR REPLACE HARNESS OR CONNECTOR
OK -- Continue to next step.
8. INSPECT ENGINE ROOM RELAY BLOCK (STARTER RELAY VOLTAGE)





(a) Remove the starter relay from the engine room R/B No. 1.
(b) Measure the voltage according to the value(s) in the table below.
Standard voltage:






NG -- REPAIR OR REPLACE HARNESS OR CONNECTOR
OK -- Continue to next step.
9. INSPECT STARTER ASSEMBLY
NG -- REPAIR OR REPLACE STARTER ASSEMBLY
OK -- REPAIR OR REPLACE HARNESS OR CONNECTOR (STARTER RELAY - STARTER, STARTER - BATTERY)
10. CHECK HARNESS AND CONNECTOR (POWER SOURCE CONTROL ECU - ECM)





(a) Check the harness and the connectors between the power source control ECU and ECM.
(1) Disconnect the power source control ECU connector.
(2) Disconnect the A5 ECM connector.
(3) Measure the resistance according to the value(s) in the table below.
Standard resistance (Check for open):






Standard resistance (Check for short):






NG -- REPAIR OR REPLACE HARNESS OR CONNECTOR
OK -- GO TO SMART ACCESS SYSTEM WITH PUSH-BUTTON START