Curiosii for ever!: Car repair manuals for everyone.

CAN Communication System








CAN COMMUNICATION SYSTEM: TERMINALS OF ECU

TERMINALS OF ECU
HINT: This section describes the standard CAN values for all CAN related components.

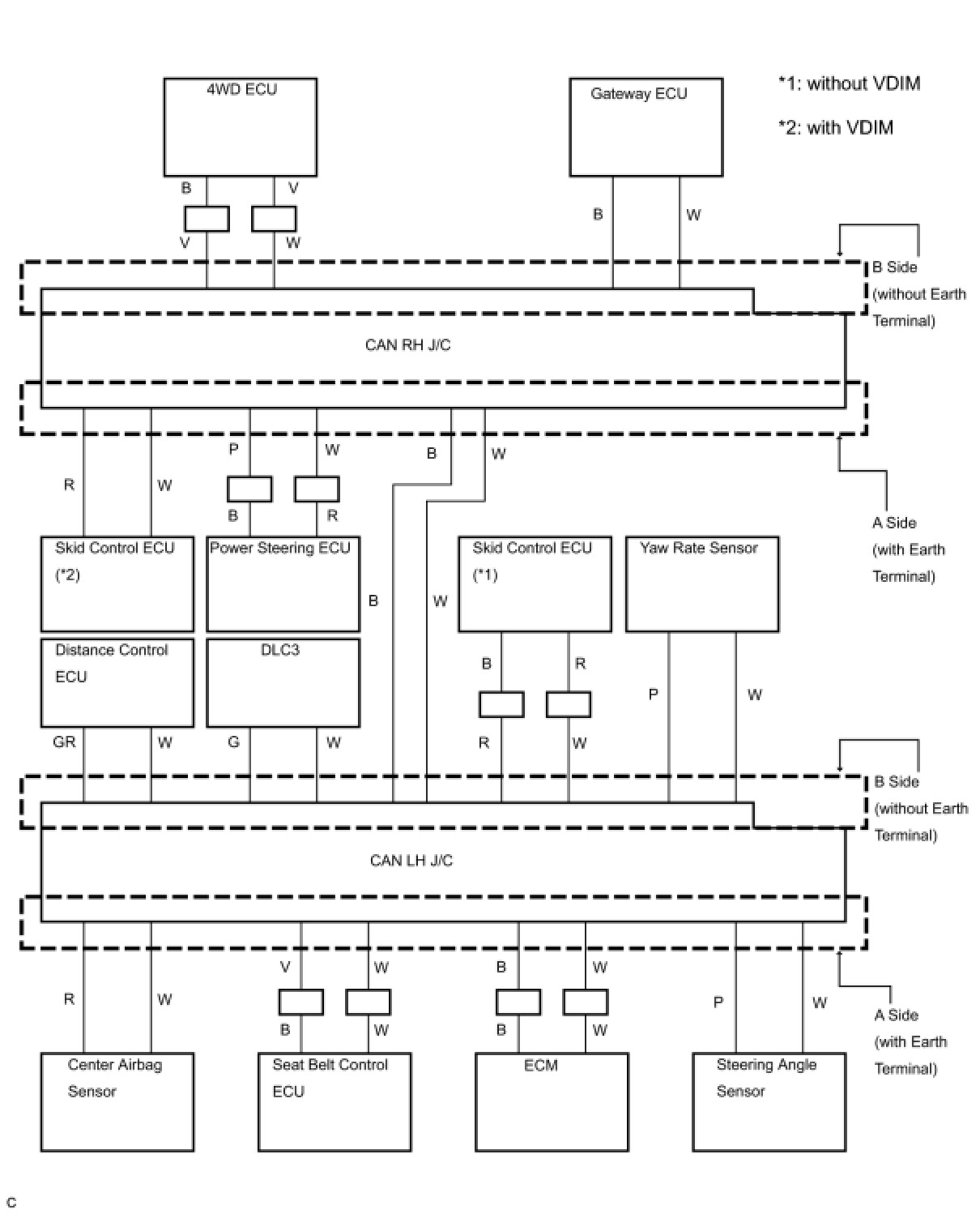
1. CAN J/C (CAN LH J/C, CAN RH J/C)
HINT:
- The connectors connected to the CAN J/C can be distinguished by the colors of the bus lines and the connecting side of the junction connector.
- The connectors can be connected to any terminals on the same side.

(a) CAN LH J/C





Wiring color:





Wiring color:





(b) CAN RH J/C





Wiring color:





Wiring color:









(c) The terminals on connectors for the CAN J/C






(d) Wiring diagram for identifying CAN J/C connectors





2. DLC3






(a) Measure the resistance according to the value(s) in the table below.
Standard resistance:






3. SKID CONTROL ECU (with VDIM)






(a) Measure the resistance according to the value(s) in the table below.
Standard resistance:






4. SKID CONTROL ECU WITH ACTUATOR (without VDIM)






(a) Measure the resistance according to the value(s) in the table below.
Standard resistance:






5. STEERING ANGLE SENSOR






(a) Measure the resistance according to the value(s) in the table below.
Standard resistance:






6. YAW RATE SENSOR






(a) Measure the resistance according to the value(s) in the table below.
Standard resistance:






7. DISTANCE CONTROL ECU






(a) Measure the resistance according to the value(s) in the table below.
Standard resistance:






8. SEAT BELT CONTROL ECU






(a) Measure the resistance according to the value(s) in the table below.
Standard resistance:






9. 4WD CONTROL ECU






(a) Measure the resistance according to the value(s) in the table below.
Standard resistance:






10. POWER STEERING ECU






(a) Measure the resistance according to the value(s) in the table below.
Standard resistance:






11. CENTER AIRBAG SENSOR






(a) Measure the resistance according to the value(s) in the table below.
Standard resistance:






12. ECM
(a) Measure the resistance according to the value(s) in the table below.





Standard resistance:










(b) Measure the resistance according to the value(s) in the table below.
Standard resistance:






13. GATEWAY ECU
(a) Measure the resistance according to the value(s) in the table below.





Standard resistance:










(b) Measure the resistance according to the value(s) in the table below.
Standard resistance: