Curiosii for ever!
: Car repair manuals for everyone.
Home
>>
Lexus
>>
2008
>>
IS 250 AWD V6-2.5L (4GR-FSE)
>>
Repair and Diagnosis
>>
Powertrain Management
>>
Computers and Control Systems
>>
Information Bus
>>
Locations
>>
Multiplex Communication System
Multiplex Communication System
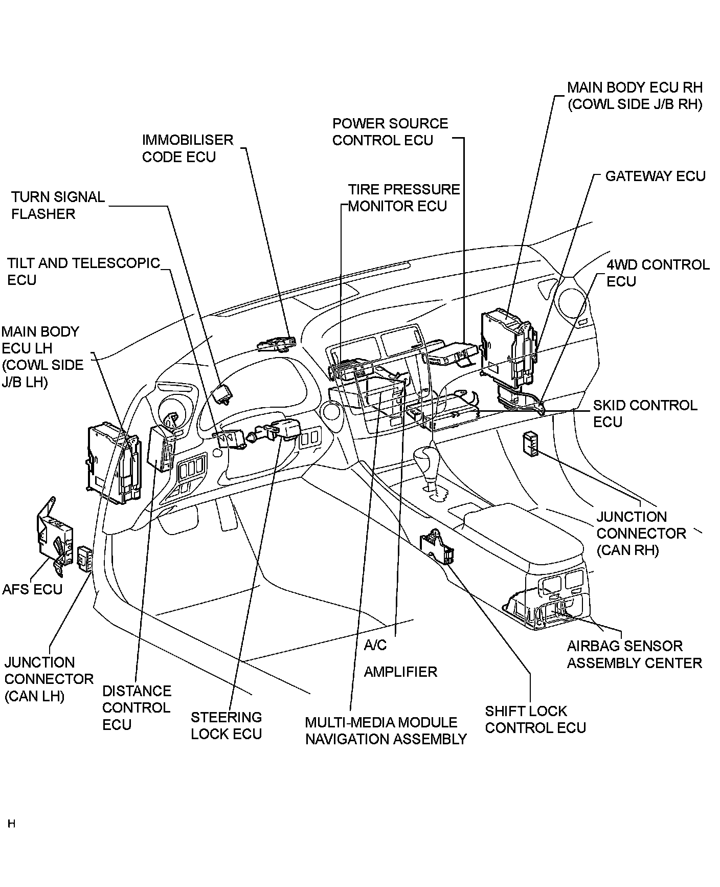
MULTIPLEX COMMUNICATION SYSTEM: PARTS LOCATION
PARTS LOCATION