Curiosii for ever!: Car repair manuals for everyone.

Electrical Diagrams

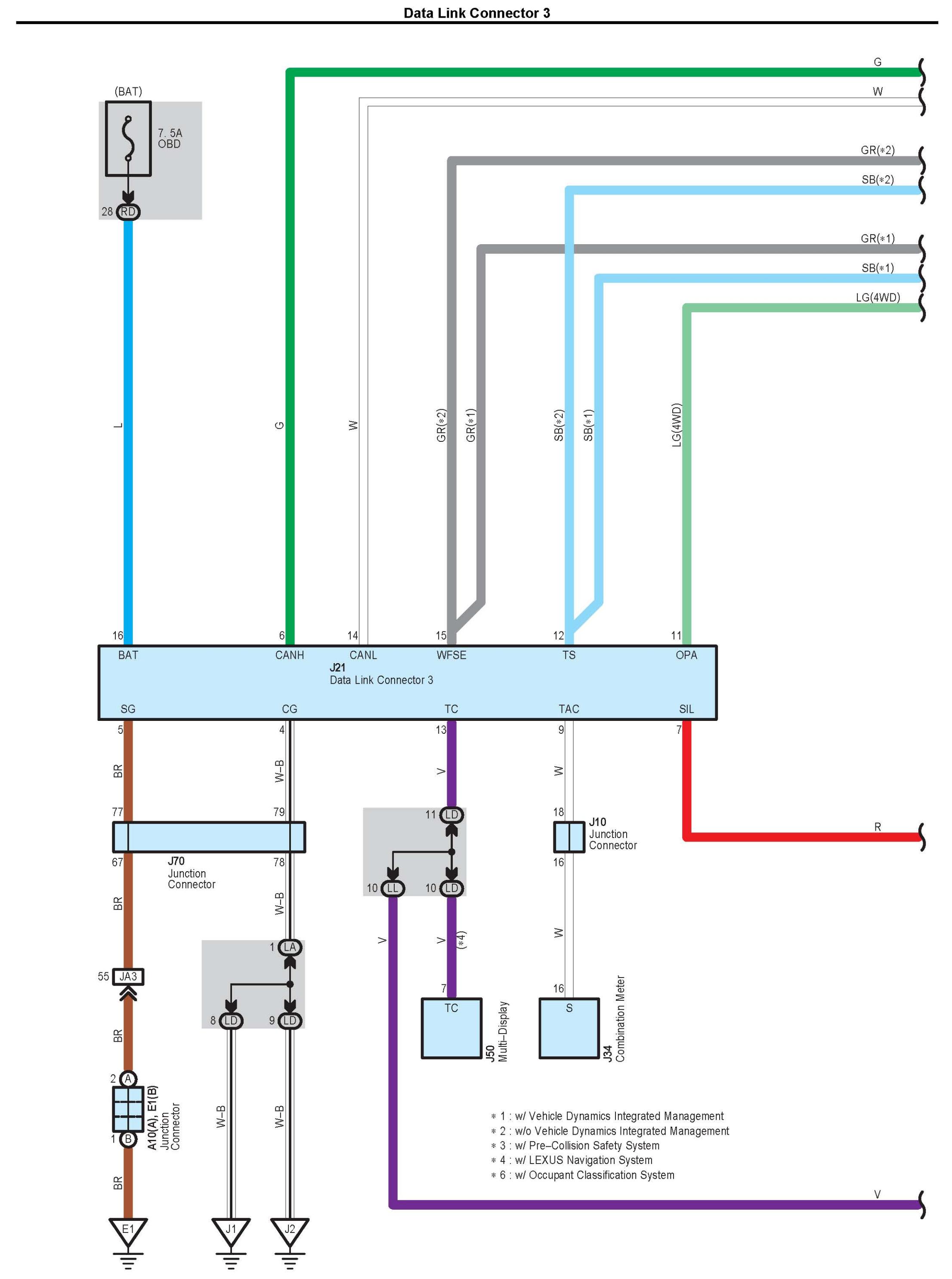
Data Link Connector 3 Part 1:




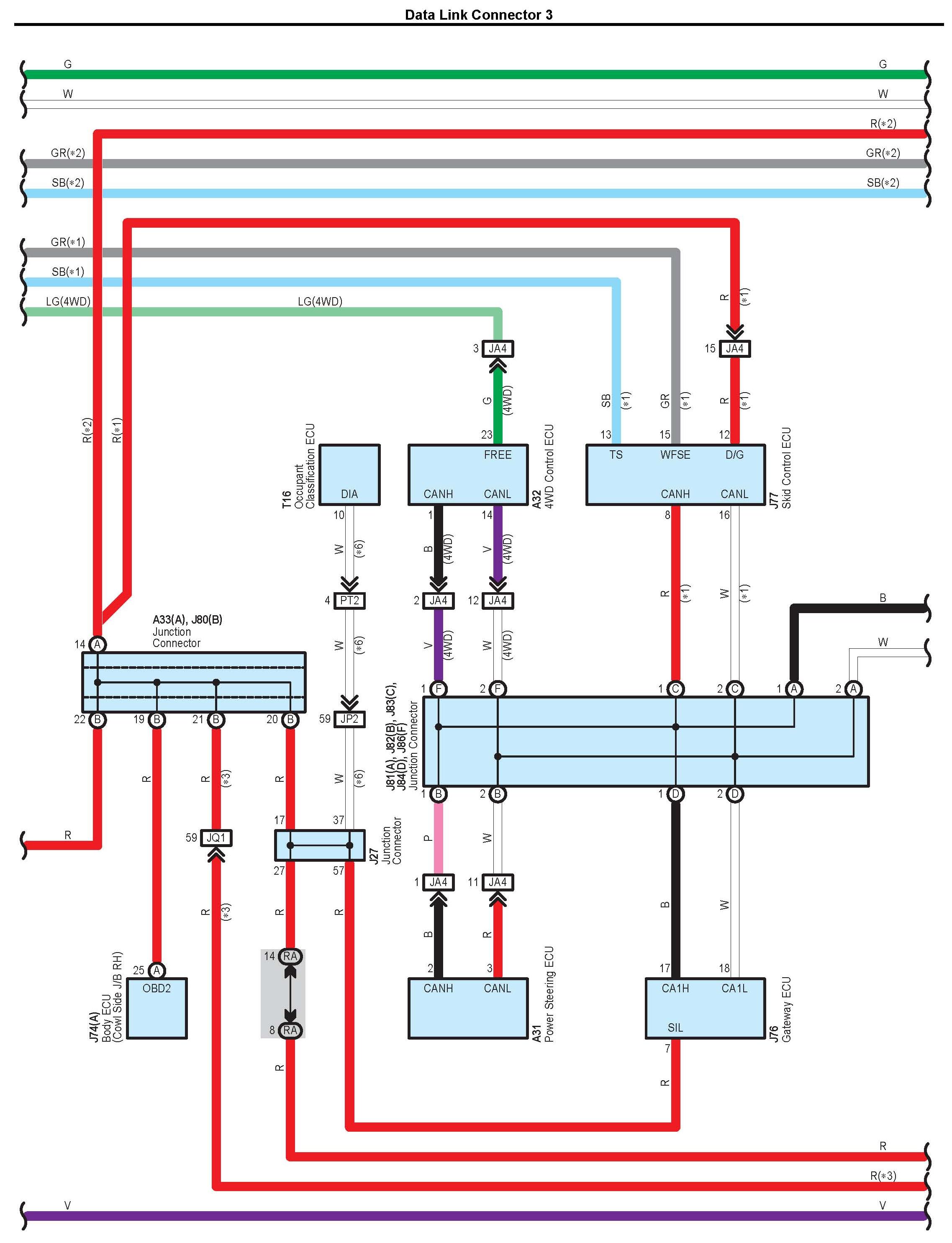
Data Link Connector 3 Part 2:




Data Link Connector 3 Part 3:




Connector Pin Outs Part 1:




Connector Pin Outs Part 2:




Connector Pin Outs Part 3:




Connector Pin Outs Part 4:




Connector Pin Outs Part 5:






Locations: The locations of components, connectors, ground points, and splices referred to within these diagrams can be found at Vehicle Locations. Locations