Curiosii for ever!: Car repair manuals for everyone.

Installation








AIR CONDITIONING UNIT:

INSTALLATION

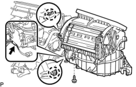
1. INSTALL BLOWER ASSEMBLY






(a) Install the blower assembly with the claw and screw.
Torque: 3.0 Nm (31 kgf-cm, 27 in-lbf)
(b) Connect the connector.
2. INSTALL AIR CONDITIONING AMPLIFIER ASSEMBLY Installation

3. INSTALL NO. 2 AIR DUCT






(a) Install the No. 2 air duct with the screw.
Torque: 5.4 Nm (55 kgf-cm, 48 in-lbf)
4. INSTALL AIR CONDITIONER UNIT ASSEMBLY
(a) Install the air conditioner unit assembly with the 3 bolts and 2 screws.





Torque: 9.8 Nm (100 kgf-cm, 7 ft-lbf)(bolt 1)
5. INSTALL INSTRUMENT PANEL REINFORCEMENT ASSEMBLY
(a) Driver seat side:





(1) Using a T40 "torx" socket, install the instrument panel reinforcement with the 3 "torx" bolts.
(b) Passenger seat side:
(1) Using a 12 mm hexagon wrench, install the instrument panel reinforcement with the 2 bolts.
Torque: 6.0 Nm (61 kgf-cm, 53 in-lbf)
(2) Using a T40 "torx" socket, install the instrument panel reinforcement with the 2 "torx" bolts.
Torque: 20 Nm (204 kgf-cm, 15 ft-lbf)
(c) Install the instrument panel reinforcement with the 4 bolts and nut.





Torque: 9.8 Nm (100 kgf-cm, 7 ft-lbf)(nut 1)
(d) Install the bolt and cap.
(e) Connect the 19 connectors and attach the 27 clamps.
(f) Install the 2 junction blocks with the 2 bolts and nut.





6. INSTALL IMMOBILISER CODE ECU
7. INSTALL DEFROSTER NOZZLE LOWER ASSEMBLY






(a) Attach the 4 claws to install the defroster nozzle lower.
8. INSTALL STEERING COLUMN ASSEMBLY (for Manual Tilt) Installation

9. INSTALL STEERING COLUMN ASSEMBLY (for Power Tilt and Power Telescopic Steering Column) Installation

10. INSTALL STEERING SLIDING YOKE SUB-ASSEMBLY (for 2WD) Installation

11. INSTALL NO. 2 STEERING INTERMEDIATE SHAFT ASSEMBLY (for 4WD) Installation

12. INSTALL INSTRUMENT PANEL SAFETY PAD ASSEMBLY Installation

13. CONNECT PASSENGER AIRBAG CONNECTOR
14. INSTALL NO. 2 CONSOLE BOX DUCT (for Manual Transmission) Installation

15. INSTALL NO. 1 CONSOLE BOX DUCT (for Automatic Transmission) Installation

16. INSTALL NO. 2 CONSOLE BOX DUCT (for Automatic Transmission) Installation

17. INSTALL FRONT STEREO COMPONENT SPEAKER ASSEMBLY (w/ Front Center Speaker) Installation

18. INSTALL NO. 3 INSTRUMENT PANEL SPEAKER PANEL SUB-ASSEMBLY Installation

19. INSTALL NO. 2 INSTRUMENT PANEL REGISTER ASSEMBLY Installation

20. INSTALL NO. 1 INSTRUMENT PANEL REGISTER ASSEMBLY Installation

21. INSTALL FRONT PILLAR GARNISH LH Installation

22. INSTALL FRONT PILLAR GARNISH RH
23. INSTALL GLOVE COMPARTMENT DOOR ASSEMBLY Installation

24. INSTALL FRONT PASSENGER SIDE KNEE AIRBAG ASSEMBLY Installation

25. INSTALL NO. 2 INSTRUMENT PANEL UNDER COVER SUB-ASSEMBLY Installation

26. INSTALL SIDE INSTRUMENT PANEL RH Installation

27. INSTALL FRONT DOOR OPENING TRIM COVER RH Installation

28. INSTALL FRONT DOOR SCUFF PLATE RH (w/o Illumination)
29. REMOVE FRONT DOOR SCUFF PLATE RH (w/ Illumination)
30. INSTALL COMBINATION METER ASSEMBLY Installation

31. INSTALL INSTRUMENT CLUSTER FINISH PANEL SUB-ASSEMBLY Installation

32. INSTALL DRIVER SIDE KNEE AIRBAG ASSEMBLY Installation

33. INSTALL LOWER INSTRUMENT PANEL FINISH PANEL SUB-ASSEMBLY Installation

34. INSTALL NO. 1 INSTRUMENT PANEL UNDER COVER SUB-ASSEMBLY Installation

35. INSTALL SIDE INSTRUMENT PANEL LH Installation

36. INSTALL FRONT DOOR OPENING TRIM COVER LH Installation

37. INSTALL FRONT DOOR SCUFF PLATE LH (w/o Illumination) Installation

38. REMOVE FRONT DOOR SCUFF PLATE LH (w/ Illumination) Installation

39. INSTALL TURN SIGNAL SWITCH ASSEMBLY WITH SPIRAL CABLE SUB-ASSEMBLY Installation

40. INSTALL STEERING COLUMN COVER (for Manual Tilt) Installation

41. INSTALL STEERING COLUMN COVER (for Power Tilt and Power Telescopic Steering Column) Installation

42. ADJUST SPIRAL CABLE SUB-ASSEMBLY Installation

43. INSTALL STEERING WHEEL ASSEMBLY Installation

44. INSTALL STEERING PAD Installation

45. INSTALL LOWER NO. 3 STEERING WHEEL COVER Installation

46. INSTALL LOWER NO. 2 STEERING WHEEL COVER Installation

47. INSTALL INTEGRATION CONTROL PANEL WITH RADIO RECEIVER ASSEMBLY (w/o Navigation System) Installation

48. INSTALL MULTI-DISPLAY WITH RADIO RECEIVER ASSEMBLY (w/ Navigation System) Installation

49. INSTALL CENTER LOWER INSTRUMENT CLUSTER FINISH PANEL Installation

50. INSTALL NO. 3 INSTRUMENT PANEL REGISTER ASSEMBLY Installation

51. INSTALL CONSOLE BOX Installation

52. INSTALL CONSOLE BOX REGISTER ASSEMBLY Installation

53. INSTALL FRONT ASH RECEPTACLE SUB-ASSEMBLY Installation

54. INSTALL FRONT CONSOLE PANEL SUB-ASSEMBLY (for Manual Transmission) Installation

55. INSTALL REAR CONSOLE PANEL SUB-ASSEMBLY (for Manual Transmission) Installation

56. INSTALL CONSOLE PANEL SUB-ASSEMBLY (for Automatic Transmission) Installation

57. INSTALL UPPER NO. 2 CONSOLE PANEL GARNISH (for Automatic Transmission) Installation

58. INSTALL UPPER NO. 1 CONSOLE PANEL GARNISH (for Automatic Transmission) Installation

59. INSTALL SHIFT LEVER KNOB SUB-ASSEMBLY (for Manual Transmission)
60. INSTALL SHIFT LEVER KNOB SUB-ASSEMBLY (for Automatic Transmission)
61. INSTALL WINDSHIELD WIPER MOTOR AND LINK ASSEMBLY Installation

62. INSTALL COWL TOP VENTILATOR LOUVER SUB-ASSEMBLY Installation

63. INSTALL FRONT WIPER ARM AND BLADE ASSEMBLY LH Installation

64. INSTALL FRONT WIPER ARM AND BLADE ASSEMBLY RH Installation

65. INSTALL FRONT WIPER ARM HEAD CAP Installation

66. INSTALL ROOF DRIP SIDE FINISH MOULDING LH
67. INSTALL ROOF DRIP SIDE FINISH MOULDING RH
68. INSTALL FRONT FENDER PROTECTOR UPPER LH Installation

69. INSTALL FRONT FENDER PROTECTOR UPPER RH Installation

70. INSTALL HEATER WATER INLET HOSE
(a) Install the water hose and attach the clip.
71. INSTALL HEATER WATER OUTLET HOSE
(a) Use the same procedures described for the water hose inlet.
72. INSTALL LIQUID TUBE SUB-ASSEMBLY
(a) Remove the vinyl tape attached to the tube.
(b) Sufficiently apply compressor oil to a new O-ring and the fitting surface of the liquid tube.
Compressor oil:
ND-OIL 8 or equivalent
(c) Install the O-ring on the liquid tube.
(d) Install the liquid tube to the fitting hole.
73. INSTALL SUCTION PIPE SUB-ASSEMBLY
(a) Remove the vinyl tape attached to the pipe.
(b) Sufficiently apply compressor oil to a new O-ring and the fitting surface of the suction pipe.
Compressor oil:
ND-OIL 8 or equivalent
(c) Install the O-ring on the suction pipe.






(d) Move the hook connector in the direction indicated by the arrow in the illustration.
(e) Insert the pipe joints into the fitting holes securely and tighten the bolt.
Torque: 9.8 Nm (100 kgf-cm, 7 ft-lbf)
74. CONNECT CABLE TO NEGATIVE BATTERY TERMINAL
75. PERFORM INITIALIZATION
NOTE: Some systems need initialization after reconnecting the cable to the negative battery terminal Repair Instruction - Initialization

76. CHARGE REFRIGERANT Service and Repair

77. WARM UP ENGINE Service and Repair

78. CHECK FOR LEAKAGE OF REFRIGERANT Service and Repair

79. INSTALL ENGINE ROOM SIDE COVER LH Installation

80. INSTALL ENGINE ROOM SIDE COVER RH Installation

81. INSTALL COOL AIR INTAKE DUCT SEAL Installation