Curiosii for ever!: Car repair manuals for everyone.

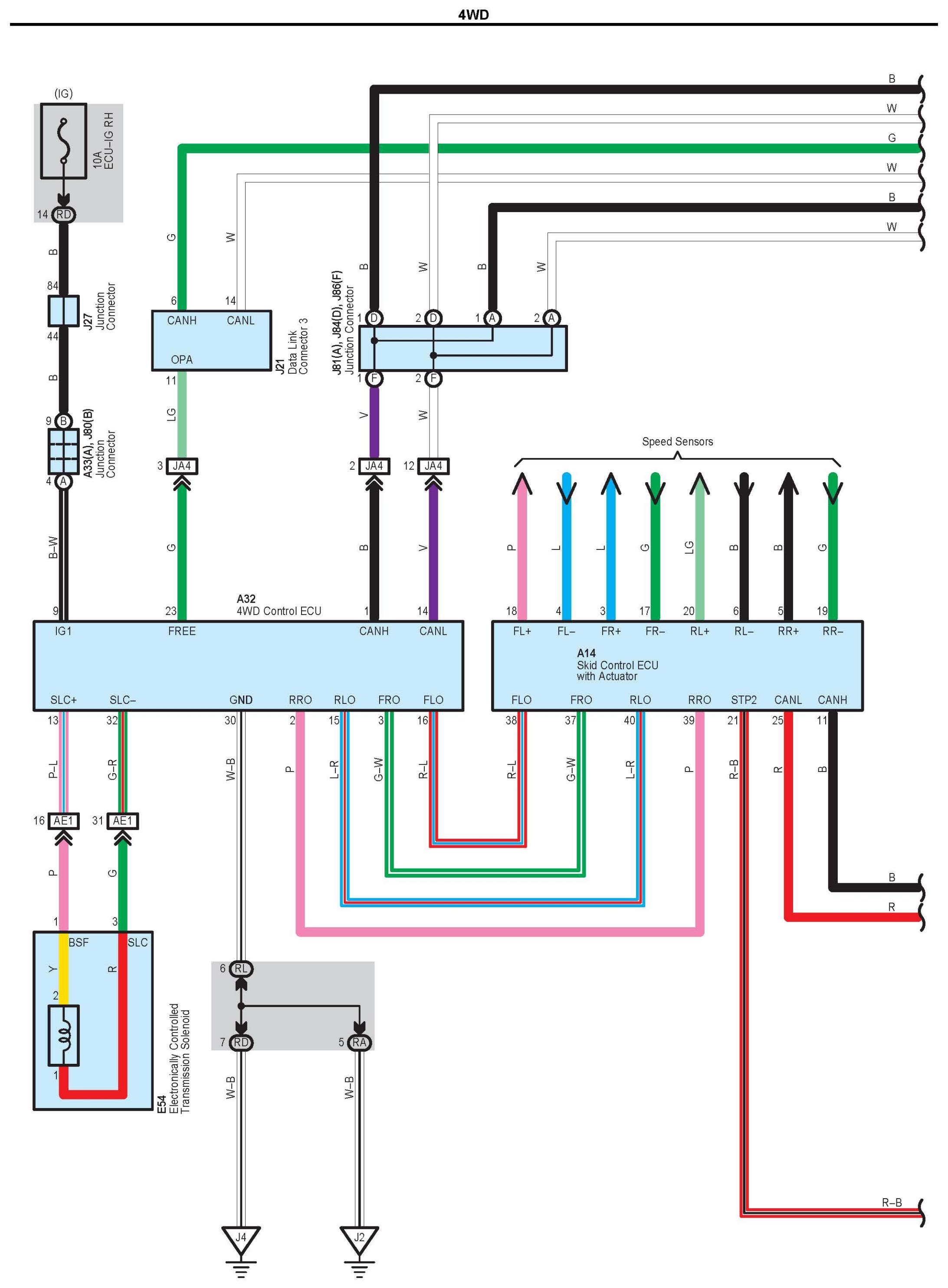
Control Module, Transfer Case

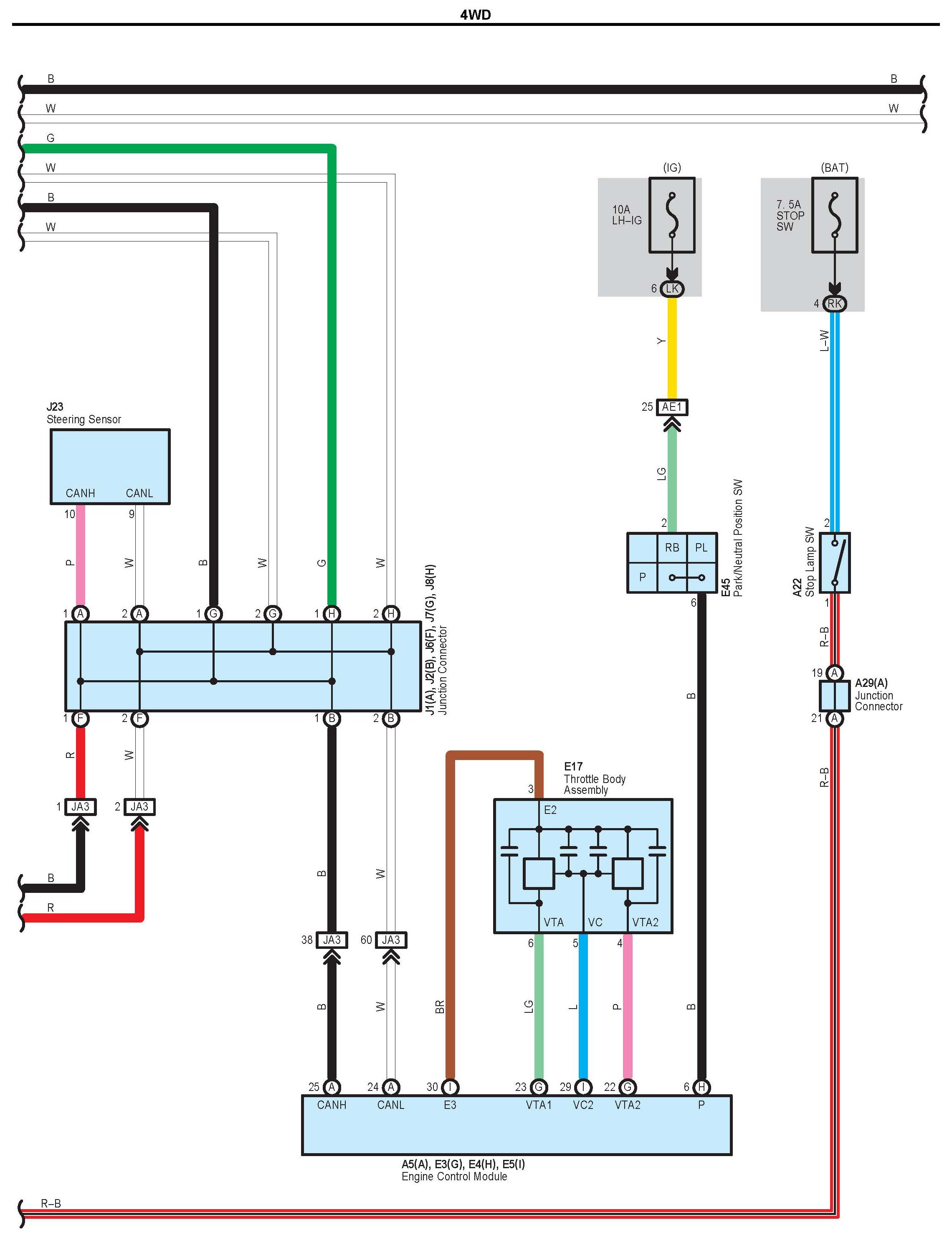
4WD Part 1:




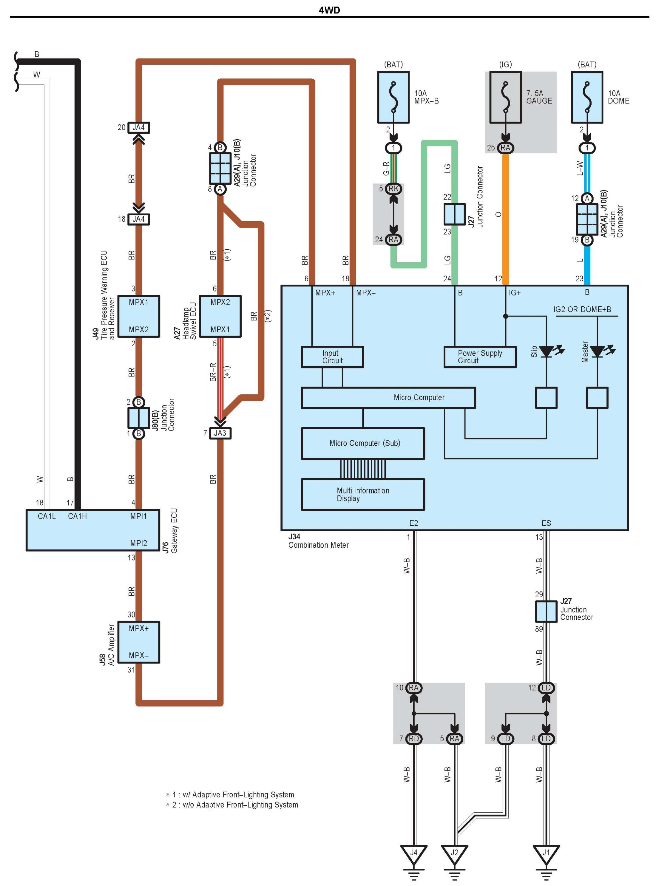
4WD Part 2:




4WD Part 3:




Connector Pin Outs Part 1:




Connector Pin Outs Part 2:




Connector Pin Outs Part 3:




Connector Pin Outs Part 4:






Locations: The locations of components, connectors, ground points, and splices referred to within these diagrams can be found at Vehicle Locations. Locations