Curiosii for ever!: Car repair manuals for everyone.

Distance Control Switch Circuit








CRUISE CONTROL: DYNAMIC RADAR CRUISE CONTROL SYSTEM: Distance Control Switch Circuit

Distance Control Switch Circuit

DESCRIPTION

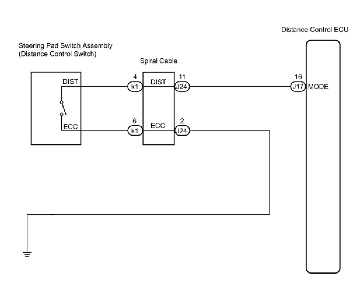
The distance control switch sets the vehicle-to-vehicle distance control mode. The distance control switch is installed in the steering pad switch. The vehicle-to-vehicle distance set value can be changed by operating the steering pad switch (distance control switch) while the dynamic radar cruise control system is in operation. The steering pad switch uses the BEAN to communicate with each ECU. Therefore, it does not have a direct connection with the ECM. If there are any malfunctions in the communication line of the steering pad switch, one or more DTCs in the multiplex communication system are output.

WIRING DIAGRAM





INSPECTION PROCEDURE
NOTE: When the distance control ECU is replaced with a new one, initialization must be performed Installation.

PROCEDURE

1. INSPECT DISTANCE CONTROL ECU





(a) Turn the engine switch on (IG).
(b) Measure the voltage according to the value(s) in the table below.
Standard voltage:






OK -- PROCEED TO NEXT CIRCUIT INSPECTION SHOWN IN PROBLEM SYMPTOMS TABLE
NG -- Continue to next step.
2. INSPECT DISTANCE CONTROL ECU CIRCUIT
(a) Disconnect the J17 connector.





(b) Measure the resistance according to the value(s) in the table below.
Standard resistance:






OK -- REPLACE DISTANCE CONTROL ECU
NG -- Continue to next step.
3. INSPECT STEERING PAD SWITCH ASSEMBLY
(a) Remove the steering pad Removal.





(b) Disconnect k1 connector from the spiral cable.
(c) Measure the resistance according to the value(s) in the table below.
Standard resistance:






NG -- REPLACE STEERING PAD SWITCH ASSEMBLY
OK -- Continue to next step.
4. CHECK HARNESS AND CONNECTOR (DISTANCE CONTROL ECU - SPIRAL CABLE)
NOTE: The spiral cable is an important part of the SRS airbag system. Incorrect removal or installation of the spiral cable may prevent the airbag from deploying.

HINT:
- Removal Removal
- Installation Installation
(a) Remove the spiral cable.





(b) Disconnect the J17 connector from the distance control ECU.
(c) Measure the resistance according to the value(s) in the table below.
Standard resistance:






NG -- REPAIR OR REPLACE HARNESS OR CONNECTOR
OK -- REPLACE SPIRAL CABLE