Curiosii for ever!: Car repair manuals for everyone.

Part 1









1UR-FSE ENGINE CONTROL SYSTEM: SFI SYSTEM: EVAP System

EVAP System

RELATED DTCS





If any EVAP system DTCs are set, the malfunctioning area can be determined using the table below.





NOTICE:
If the reference pressure difference between the first and second checks is greater than the specification, all the DTCs relating to the reference pressure (P043E, P043F, P2401, P2402 and P2419) are stored.

DESCRIPTION





NOTICE:
The canister is located near the fuel tank, underneath the body.





NOTICE:
In this vehicle's EVAP system, turning ON the vent valve does not seal off the EVAP system. To check for leaks in the EVAP system, disconnect the air inlet vent hose and apply pressure from the atmosphere side of the canister.

While the engine is running, if a predetermined condition (closed-loop etc.) is met, the purge VSV is opened by the ECM and stored fuel vapors in the canister are purged into the intake manifold. The ECM changes the duty cycle ratio of the purge VSV to control purge flow volume.
The purge flow volume is also determined by the intake manifold pressure. Atmospheric pressure is allowed into the canister through the vent valve to ensure that the purge flow is maintained when the negative pressure (vacuum) is applied to the canister.
The following two monitors run to confirm appropriate EVAP system operation.
1. Key-off monitor
This monitor checks for EVAP (Evaporative Emission) system leaks and canister pump module malfunctions. The monitor starts 5 hours* after the engine switch is turned off. More than 5 hours are required for the fuel to cool down to stabilize the EVAP pressure, thus making the EVAP system monitor more accurate.
The leak detection pump creates negative pressure (vacuum) in the EVAP system and the pressure is measured. Finally, the ECM monitors for leaks from the EVAP system, and malfunctions in both the canister pump module and purge VSV, based on the EVAP pressure.
HINT:
*: If the engine coolant temperature is not below 35°C (95°F) 5 hours after the engine switch is turned off, the monitor check starts 2 hours later. If it is still not below 35°C (95°F) 7 hours after the engine switch is turned off, the monitor check starts 2.5 hours later.

2. Purge flow monitor
The purge flow monitor consists of the two monitors. The 1st monitor is conducted every time and the 2nd monitor is activated if necessary.

- The 1st monitor
While the engine is running and the purge VSV (Vacuum Switching Valve) is ON (open), the ECM monitors the purge flow by measuring the EVAP pressure change. If negative pressure is not created, the ECM begins the 2nd monitor.
- The 2nd monitor
The vent valve is turned OFF (open) and the EVAP pressure is measured. If the variation in the pressure is less than 0.5 kPa-g (3.75 mmHg-g), the ECM interprets this as the purge VSV being stuck closed, illuminates the MIL and sets DTC P0441 (2 trip detection logic).

Atmospheric pressure check:
In order to ensure reliable malfunction detection, the variation between the atmospheric pressures, before and after conduction of the purge flow monitor, is measured by the ECM.





















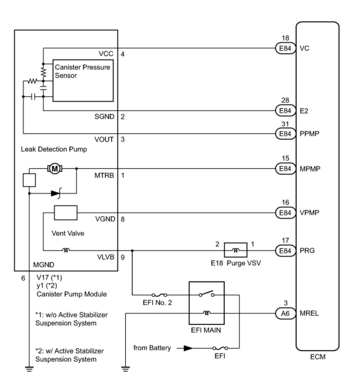
WIRING DIAGRAM





INSPECTION PROCEDURE
NOTICE:
The Techstream is required to conduct the following diagnostic troubleshooting procedure.
HINT:
- Using the Techstream monitor results enables the EVAP (Evaporative Emission) system to be confirmed.
- Read freeze frame data using the Techstream. Freeze frame data records the engine condition when malfunctions are detected. When troubleshooting, freeze frame data can help determine if the vehicle was moving or stationary, if the engine was warmed up or not, if the air-fuel ratio was lean or rich, and other data from the time the malfunction occurred.

PROCEDURE

1. CONFIRM DTC
(a) Turn the engine switch off and wait for 10 seconds.
(b) Turn the engine switch on (IG).
(c) Turn the engine switch off and wait for 10 seconds.
(d) Connect the Techstream to the DLC3.
(e) Turn the engine switch on (IG) and turn the Techstream ON.
(f) Enter the following menus: Powertrain / Engine / Trouble Codes.
(g) Confirm DTCs and freeze frame data.
If any EVAP system DTCs are set, the malfunctioning area can be determined using the table below.





NOTICE:
If the reference pressure difference between the first and second checks is greater than the specification, all the DTCs relating to the reference pressure (P043E, P043F, P2401, P2402 and P2419) are stored.

NEXT -- Continue to next step.
2. PERFORM EVAPORATIVE SYSTEM CHECK (AUTOMATIC MODE)
NOTICE:
- The Evaporative System Check (Automatic Mode) consists of five steps performed automatically by the Techstream. It takes a maximum of approximately 18 minutes.
- Do not perform the Evaporative System Check when the fuel tank is more than 90% full because the cut-off valve may be closed, making the fuel tank leak check unavailable.
- Do not run the engine during this operation.
- When the temperature of the fuel is 35°C (95°F) or more, a large amount of vapor forms and any check results become inaccurate. When performing the Evaporative System Check, keep the temperature below 35°C (95°F).
(a) Clear DTCs DTC Check / Clear.
(b) Enter the following menus: Powertrain / Engine / Utility / Evaporative System Check / Automatic Mode.
(c) After the Evaporative System Check is completed, check for pending DTCs by entering the following menus: Powertrain / Engine / Trouble Codes / Pending.
HINT:
If no pending DTCs are displayed, perform the MONITOR CONFIRMATION (see "Diagnostic Help" menu). After this confirmation, check for pending DTCs. If no DTCs are displayed, the EVAP system is normal.

NEXT -- Continue to next step.
3. PERFORM EVAPORATIVE SYSTEM CHECK (MANUAL MODE)





NOTICE:
- In the Evaporative System Check (Manual Mode), perform the series of 5 Evaporative System Check steps manually using the Techstream.
- Do not perform the Evaporative System Check when the fuel tank is more than 90% full because the cut-off valve may be closed, making the fuel tank leak check unavailable.
- Do not run the engine during this operation.
- When the temperature of the fuel is 35°C (95°F) or more, a large amount of vapor forms and any check results become inaccurate. When performing the Evaporative System Check, keep the temperature below 35°C (95°F).
(a) Clear DTCs DTC Check / Clear.
(b) Enter the following menus: Powertrain / Engine / Utility / Evaporative System Check / Manual Mode.
NEXT -- Continue to next step.
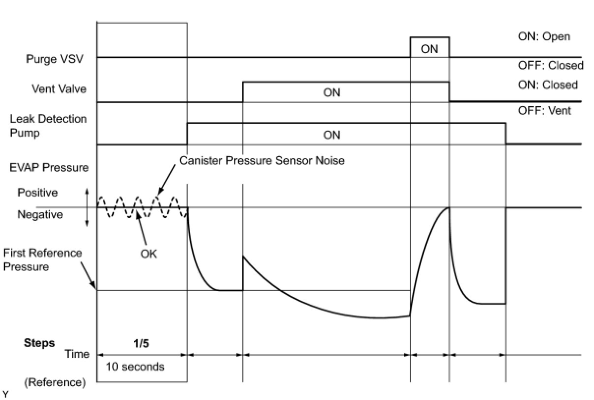
4. PERFORM EVAPORATIVE SYSTEM CHECK (STEP 1/5)





(a) Check the EVAP pressure in step 1/5.
Result:





*: These DTCs are already present in the ECM when the vehicle arrives and are confirmed in the "CONFIRM DTC" procedures above.
B -- REPLACE CANISTER ASSEMBLY
A -- Continue to next step.
5. PERFORM EVAPORATIVE SYSTEM CHECK (STEP 1/5 TO 2/5)





(a) Check the EVAP pressure in steps 1/5 and 2/5.
Result:





*: These DTCs are already present in the ECM when the vehicle arrives and are confirmed in the "CONFIRM DTC" procedures above.
HINT:
The first reference pressure is the value determined in step 2/5.

B -- PERFORM ACTIVE TEST USING TECHSTREAM (FOR LEAK DETECTION PUMP)
A -- Continue to next step.
6. PERFORM EVAPORATIVE SYSTEM CHECK (STEP 2/5)





HINT:
Make a note of the pressures checked in steps (a) and (b) below.

(a) Check the EVAP pressure 4 seconds after the leak detection pump is activated*.
*: The leak detection pump begins to operate as step 1/5 finishes and step 2/5 starts.
(b) Check the EVAP pressure again when it has stabilized. This pressure is the reference pressure.
Result:






*: These DTCs are already present in the ECM when the vehicle arrives and are confirmed in the "CONFIRM DTC" procedures above.
D -- PERFORM ACTIVE TEST USING TECHSTREAM (FOR VENT VALVE)
C -- REPLACE CANISTER ASSEMBLY
B -- PERFORM EVAPORATIVE SYSTEM CHECK (STEP 3/5)
A -- Continue to next step.
7. PERFORM EVAPORATIVE SYSTEM CHECK (STEP 2/5 TO 3/5)





(a) Check the EVAP pressure increase in step 3/5.
Result:





*: These DTCs are already present in the ECM when the vehicle arrives and are confirmed in the "CONFIRM DTC" procedures above.
C -- REPLACE CANISTER ASSEMBLY
B -- PERFORM ACTIVE TEST USING TECHSTREAM (FOR VENT VALVE)
A -- Continue to next step.
8. PERFORM EVAPORATIVE SYSTEM CHECK (STEP 3/5)





(a) Wait until the EVAP pressure change is less than 0.1 kPa-g (0.75 mmHg-g) for 30 seconds.
(b) Measure the EVAP pressure and record it.
HINT:
A few minutes are required for the EVAP pressure to become saturated. When there is little fuel in the fuel tank, it takes up to 15 minutes.

NEXT -- Continue to next step.
9. PERFORM EVAPORATIVE SYSTEM CHECK (STEP 4/5)





(a) Check the EVAP pressure in step 4/5.
Result:





*: These DTCs are already present in the ECM when the vehicle arrives and are confirmed in the "CONFIRM DTC" procedures above.
C -- PERFORM ACTIVE TEST USING TECHSTREAM (PURGE VSV)
B -- CHECK EVAP HOSE (PURGE VSV - INTAKE MANIFOLD)
A -- Continue to next step.
10. PERFORM EVAPORATIVE SYSTEM CHECK (STEP 5/5)





(a) Check the EVAP pressure in step 5/5.
(b) Compare the EVAP pressure in step 3/5 and the second reference pressure (step 5/5).
Result:





*: These DTCs are already present in the ECM when the vehicle arrives and are confirmed in the "CONFIRM DTC" procedures above.
B -- PERFORM ACTIVE TEST USING TECHSTREAM (PURGE VSV)
A -- REPAIR OR REPLACE PARTS AND COMPONENTS INDICATED BY OUTPUT DTCS
11. PERFORM EVAPORATIVE SYSTEM CHECK (STEP 3/5)





(a) Check the EVAP pressure in step 3/5.
Result:





*: These DTCs are already present in the ECM when the vehicle arrives and are confirmed in the "CONFIRM DTC" procedures above.
HINT:
The first reference pressure is the value determined in step 2/5.

B -- PERFORM ACTIVE TEST USING TECHSTREAM (FOR LEAK DETECTION PUMP)
A -- REPLACE CANISTER ASSEMBLY
12. PERFORM ACTIVE TEST USING TECHSTREAM (PURGE VSV)





(a) Enter the following menus: Powertrain / Engine / Active Test / Activate the VSV for EVAP Control.
(b) Disconnect the hose (connected to the canister) from the purge VSV.
(c) Start the engine.
(d) Using the Techstream, turn off the purge VSV (Activate the VSV for EVAP Control: OFF).
(e) Use your finger to confirm that the purge VSV has no suction.
(f) Using the Techstream, turn on the purge VSV (Activate the VSV for EVAP Control: ON).
(g) Use your finger to confirm that the purge VSV has suction.
Result:





(h) Reconnect the hose.
C -- CHECK EVAP HOSE (PURGE VSV - INTAKE MANIFOLD)
B -- INSPECT PURGE VSV
A -- Continue to next step.
13. CHECK FUEL CAP ASSEMBLY
(a) Check that the fuel cap is correctly installed and confirm the fuel cap meets OEM specifications.
(b) Confirm that the fuel cap is tightened until a few click sounds are heard.
HINT:
If an EVAP tester is available, check the fuel cap using the Techstream.

(1) Remove the fuel cap and install it onto a fuel cap adaptor.
(2) Connect an EVAP tester pump hose to the adaptor, and pressurize the cap to 3.2 to 3.7 kPa (24 to 28 mmHg) using an EVAP tester pump.
(3) Seal the adaptor and wait for 2 minutes.
(4) Check the pressure. If the pressure is 2 kPa (15 mmHg) or more, the fuel cap is normal.
Result:






C -- REPLACE FUEL CAP ASSEMBLY
B -- CORRECTLY REINSTALL OR REPLACE FUEL CAP ASSEMBLY
A -- LOCATE EVAP LEAK PART
14. INSPECT PURGE VSV





(a) Turn the engine switch off.
(b) Disconnect the purge VSV connector.
(c) Disconnect the hose (connected to the canister) from the purge VSV.
(d) Start the engine.
(e) Use your finger to confirm that the purge VSV has no suction.
Result:





(f) Reconnect the VSV connector.
B -- REPLACE PURGE VSV (PURGE VSV)
A -- REPLACE ECM