Curiosii for ever!: Car repair manuals for everyone.

Key Luggage Compartment Lock-in Prevention Function does not Operate









DOOR LOCK: SMART ACCESS SYSTEM WITH PUSH-BUTTON START: Key Luggage Compartment Lock-in Prevention Function does not Operate

Key Luggage Compartment Lock-in Prevention Function does not Operate

DESCRIPTION

With the key inside the luggage compartment, press the power luggage door open switch. The certification ECU uses the luggage electrical key antennas (outer and inner) to output request signals. The luggage electrical key antenna (outer) cannot verify an ID code in this situation. The key receives the request and transmits its ID code to the antenna. The ID code is then sent to the certification ECU through the luggage electrical key antenna (inner) in order to be confirmed by the certification ECU. If the ID code is verified, the certification ECU sends a luggage compartment door open signal to the cowl side junction block LH (cowl side junction block ECU LH) using the multiplex communication line and stops outputting request signals. The luggage compartment door then can be opened.
HINT:
*: The key luggage compartment lock-in prevention function does not operate for 100% of the luggage compartment Smart Access System With Push-Button Start.

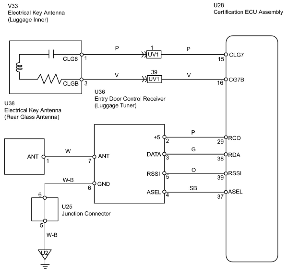
WIRING DIAGRAM





INSPECTION PROCEDURE

PROCEDURE

1. CHECK LUGGAGE DOOR OPENING MAIN SWITCH ASSEMBLY





(a) Turn the luggage door opening switch OFF and check that the entry luggage compartment door opener function operates normally.
OK:
Entry luggage compartment door opener function operates normally.
OK -- END
NG -- Continue to next step.
2. CHECK MANUAL LUGGAGE COMPARTMENT DOOR OPENER OPERATION
(a) Check that the manual luggage compartment door operates function operates normally.
OK:
Manual luggage compartment door opener function operates normally.
NG -- GO TO LUGGAGE COMPARTMENT DOOR OPENER SYSTEM
OK -- Continue to next step.
3. READ VALUE USING TECHSTREAM (DOOR COURTESY SWITCH)
(a) Check the DATA LIST for proper functioning of the each door courtesy switches.

Multiplex Network Body ECU RH





Multiplex Network Body ECU LH





OK:
ON (door courtesy switch is pushed) appears on the screen.
NG -- GO TO LIGHTING SYSTEM
OK -- Continue to next step.
4. READ VALUE USING TECHSTREAM (LOCK POSITION SWITCH)
(a) Check the DATA LIST for proper functioning of the door lock position switch.

Multiplex Network Master Switch Assembly:





Multiplex Network Door ECU Front RH:





Multiplex Network Door ECU Rear LH:





Multiplex Network Door ECU Rear RH:





OK:
ON (Door is unlocked) appears on the screen.
NG -- GO TO POWER DOOR LOCK CONTROL SYSTEM
OK -- Continue to next step.
5. PERFORM ACTIVE TEST USING TECHSTREAM (LUGGAGE ELECTRICAL KEY ANTENNA (INNER))
(a) Select the ACTIVE TEST, use the Techstream to generate a control command, and then check that the antenna (inner) operates.

Certification ECU:





OK:
When key is brought close to luggage compartment door, antenna (inner) is turned OFF and indicator on key illuminates.
NG -- CHECK OPERATION OF CERTIFICATION ECU ASSEMBLY
OK -- Continue to next step.
6. CHECK WIRE HARNESS (ENTRY DOOR CONTROL RECEIVER - BATTERY AND BODY GROUND)





(a) Disconnect the U36 receiver connector.
(b) Measure the voltage and resistance of the wire harness side connectors.
Standard voltage:






Standard resistance:






NG -- REPAIR OR REPLACE HARNESS AND CONNECTOR
OK -- Continue to next step.
7. CHECK WIRE HARNESS (ENTRY DOOR CONTROL RECEIVER - CERTIFICATION ECU ASSEMBLY)





(a) Disconnect the U36 receiver connector.
(b) Disconnect the U28 ECU connector.
(c) Measure the resistance of the wire harness side connectors.
Standard resistance:






NG -- REPAIR OR REPLACE HARNESS AND CONNECTOR
OK -- Continue to next step.
8. CHECK ENTRY DOOR CONTROL RECEIVER





(a) Measure the frequency of the receiver connector.
Standard frequency:






NG -- REPLACE ENTRY DOOR CONTROL RECEIVER
OK -- Continue to next step.
9. CHECK LUGGAGE ELECTRICAL KEY ANTENNA (INNER)





(a) Disconnect the V33 connector.
(b) Measure the voltage and resistance of the wire harness side connectors.
Standard voltage:






Standard resistance:






NG -- CHECK WIRE HARNESS (ANTENNA - ECU)
OK -- Continue to next step.
10. READ VALUE USING TECHSTREAM (POWER LUGGAGE DOOR OPEN SWITCH)
(a) Check the DATA LIST for proper functioning of the power luggage door open switch.

Cowl Side Junction Block ECU LH:





OK:
ON (power luggage door open switch is pushed) appears on the screen.
NG -- REPLACE LUGGAGE COMPARTMENT DOOR LOCK ASSEMBLY
OK -- Continue to next step.
11. CHECK OPERATION OF CERTIFICATION ECU ASSEMBLY
(a) After replacing the certification ECU assembly with a normal one, check that the key luggage lock-in prevention function operates normally.
OK:
Key luggage lock-in prevention function operates normally.
NG -- REPLACE COWL SIDE JUNCTION BLOCK LH (COWL SIDE JUNCTION BLOCK ECU LH)
OK -- END (CERTIFICATION ECU ASSEMBLY IS DEFECTIVE)
12. CHECK WIRE HARNESS (ANTENNA - ECU)





(a) Disconnect the V33 antenna connector.
(b) Disconnect the U28 ECU connector.
(c) Measure the resistance of the wire harness side connectors.
Standard resistance:






NG -- REPAIR OR REPLACE HARNESS AND CONNECTOR
OK -- Continue to next step.
13. CHECK OPERATION OF LUGGAGE ELECTRICAL KEY ANTENNA (INNER)
(a) After replacing the luggage electrical key antenna (inner) with a normal one, check that the key luggage lock-in prevention function operates normally.
OK:
Key luggage lock-in prevention function operates normally.
NG -- REPLACE CERTIFICATION ECU ASSEMBLY
OK -- END (LUGGAGE ELECTRICAL KEY ANTENNA (INNER) IS DEFECTIVE)