Curiosii for ever!: Car repair manuals for everyone.

Pattern Select Switch Snow Mode Circuit









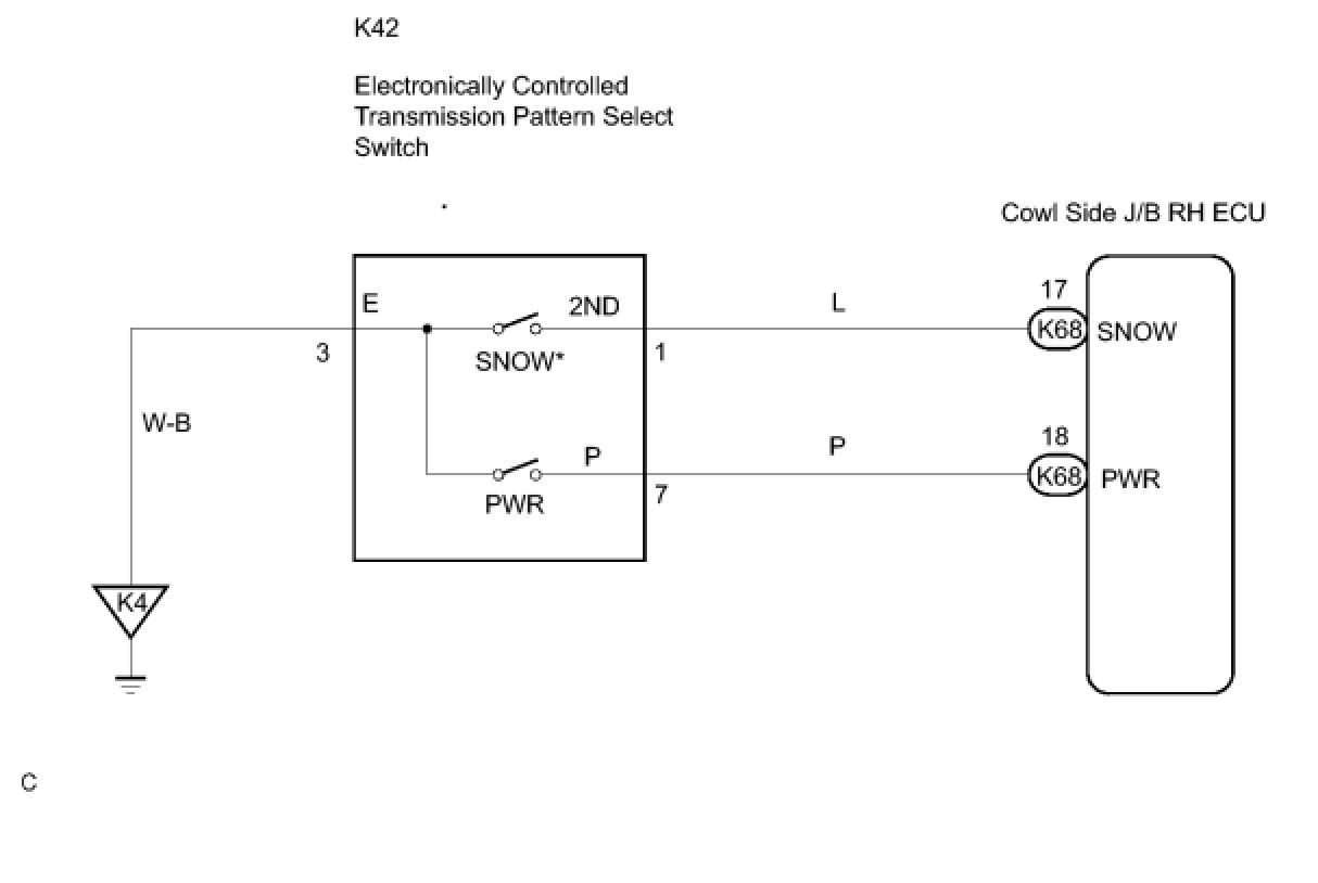
A760E AUTOMATIC TRANSMISSION: ELECTRONIC CONTROLLED AUTOMATIC TRANSMISSION SYSTEM: Pattern Select Switch Snow Mode Circuit

Pattern Select Switch Snow Mode Circuit

DESCRIPTION

The cowl side J/B ECU receives pattern select switch information, and sends it through the multiplex communication system and CAN system to the ECM.
ECT SNOW is the system that operates the throttle motor to control engine output to reduce skidding of the driving wheels, and guarantee takeoff acceleration, driving straightness and turning stability.

WIRING DIAGRAM





HINT:
(*) Pattern Select Switch (ECT SNOW Switch)
When the ECT SNOW switch is pushed, the switch contact is made and the ECT SNOW mode is selected.
To cancel the ECT SNOW mode, push the ECT SNOW switch once again.
The ECT SNOW mode is automatically canceled when the engine switch is turned "OFF".

INSPECTION PROCEDURE

PROCEDURE

1. DRIVING TEST
(a) Start the engine.
(b) Turn the ECT SNOW switch "OFF" (Normal drive mode).
(c) Confirm vehicle response by driving from a parked position to fully depressing the accelerator pedal.
(d) Turn the ECT SNOW switch "ON" and perform the same check as above.
Confirm that there is a difference between ECT SNOW switch "ON" and "OFF".
HINT:
- Driving test should be done on a paved road (a nonskid road).
- Make sure not to use the TRAC system when testing a vehicle equipped with one.

OK:
There is a difference in acceleration between "ON" and "OFF".
NG -- CHECK HARNESS AND CONNECTOR (PATTERN SELECT SWITCH ASSEMBLY - BODY GROUND)
OK -- PROCEED TO NEXT CIRCUIT INSPECTION SHOWN IN PROBLEM SYMPTOM TABLE
2. CHECK HARNESS AND CONNECTOR (PATTERN SELECT SWITCH ASSEMBLY - BODY GROUND)
(a) Disconnect the connector of the pattern select switch.





(b) Measure the resistance according to the value(s) in the table below.
Resistance:






NG -- REPAIR OR REPLACE HARNESS OR CONNECTOR
OK -- Continue to next step.
3. INSPECT PATTERN SELECT SWITCH ASSEMBLY





(a) Measure the resistance according to the value(s) in the table below.
Resistance:






NG -- REPLACE PATTERN SELECT SWITCH ASSEMBLY
OK -- Continue to next step.
4. CHECK HARNESS AND CONNECTOR





(a) Connect the connector of the pattern select switch.
(b) Disconnect the cowl side junction block RH (multiplex network body ECU) connector.
(c) Measure the resistance between terminal PWR of the cowl side junction block RH (multiplex network body ECU) and body ground.
Resistance:






NG -- REPAIR OR REPLACE HARNESS OR CONNECTOR
OK -- PROCEED TO NEXT CIRCUIT INSPECTION SHOWN IN PROBLEM SYMPTOM TABLE