Curiosii for ever!
: Car repair manuals for everyone.
Home
>>
Lexus
>>
2008
>>
GS 350 AWD V6-3.5L (2GR-FSE)
>>
Repair and Diagnosis
>>
Starting and Charging
>>
Starting System
>>
Description and Operation
>>
Smart Access System With Push-Button Start
>>
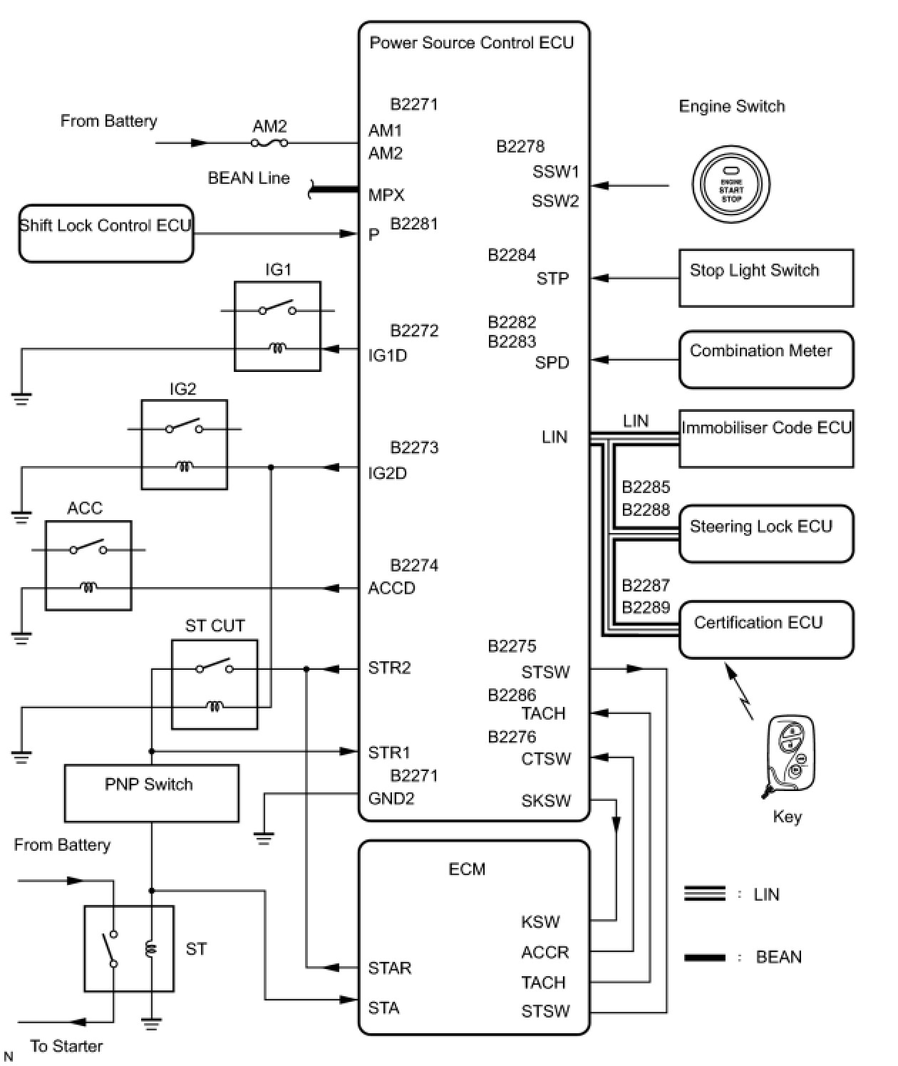
System Diagram
System Diagram
2GR-FSE STARTING: SMART ACCESS SYSTEM WITH PUSH-BUTTON START: SYSTEM DIAGRAM
Communication table: