Curiosii for ever!: Car repair manuals for everyone.

Steering Control ECU Communication Stop Mode









CAN COMMUNICATION: CAN COMMUNICATION SYSTEM: Steering Control ECU Communication Stop Mode

Steering Control ECU Communication Stop Mode

DESCRIPTION





HINT:
For vehicles with 1UR-FSE only.

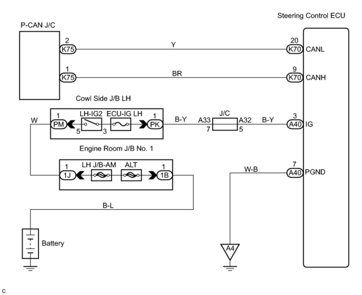
WIRING DIAGRAM





INSPECTION PROCEDURE

PROCEDURE

1. CHECK CAN BUS LINE FOR DISCONNECTION (STEERING CONTROL ECU SUB BUS LINE)
(a) Turn the engine switch off.
(b) Disconnect the steering control ECU connector (K70).





(c) Measure the resistance according to the value(s) in the table below.
Standard resistance:






NG -- REPAIR OR REPLACE STEERING CONTROL ECU SUB BUS LINE OR CONNECTOR (CAN-H, CAN-L)
OK -- Continue to next step.
2. CHECK WIRE HARNESS (IG, PGND)
(a) Reconnect the steering control ECU connector (K70).
(b) Disconnect the steering control ECU connector (A40).





(c) Measure the resistance according to the value(s) in the table below.
Standard resistance:





(d) Measure the voltage according to the value(s) in the table below.
Standard voltage:






NG -- REPAIR OR REPLACE HARNESS OR CONNECTOR
OK -- REPLACE STEERING CONTROL ECU