Curiosii for ever!: Car repair manuals for everyone.

Power Steering ECU Communication Stop Mode









CAN COMMUNICATION: CAN COMMUNICATION SYSTEM: Power Steering ECU Communication Stop Mode

Power Steering ECU Communication Stop Mode

DESCRIPTION





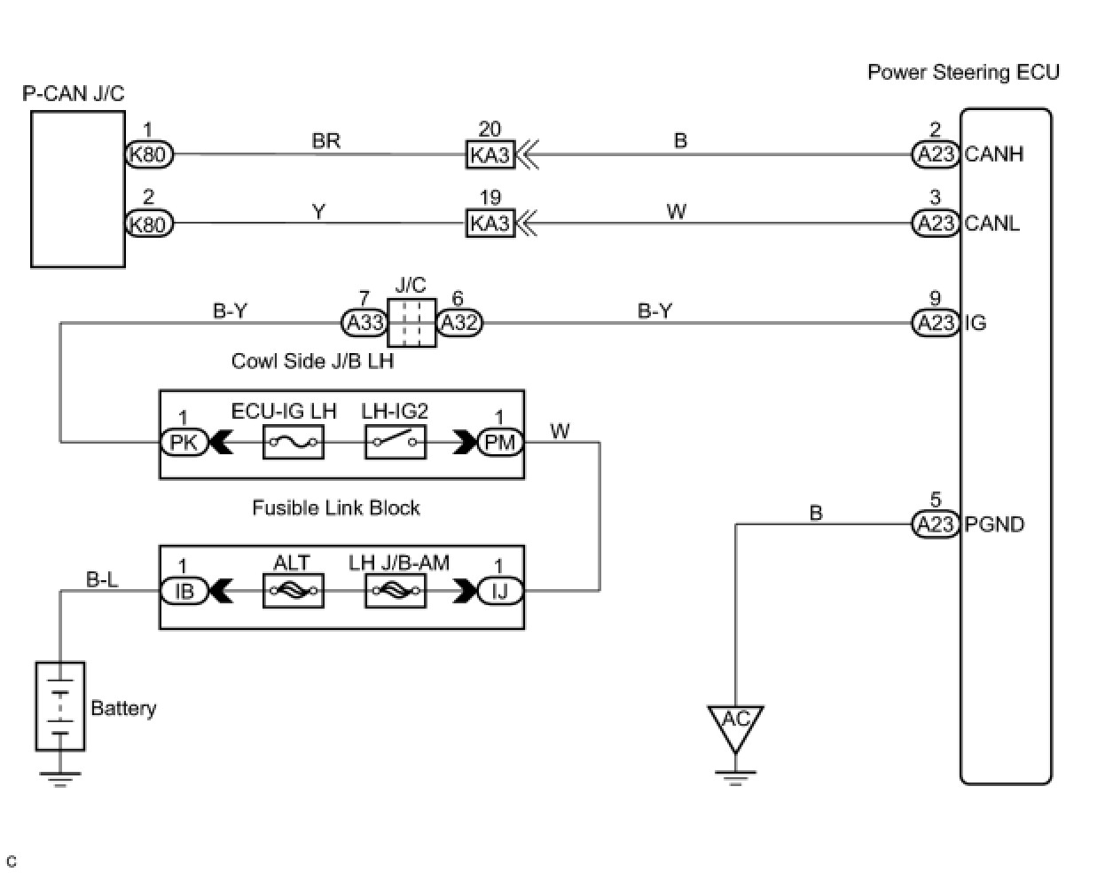
WIRING DIAGRAM





INSPECTION PROCEDURE

PROCEDURE

1. CHECK CAN BUS LINE FOR DISCONNECTION (POWER STEERING ECU SUB BUS LINE)
(a) Turn the engine switch off.
(b) Disconnect the power steering ECU connector (A23).





(c) Measure the resistance according to the value(s) in the table below.
Standard resistance:






NG -- REPAIR OR REPLACE POWER STEERING ECU SUB BUS LINE OR CONNECTOR (CAN-H, CAN-L)
OK -- Continue to next step.
2. CHECK WIRE HARNESS (IG, PGND)





(a) Measure the resistance according to the value(s) in the table below.
Standard resistance:





(b) Measure the voltage according to the value(s) in the table below.
Standard voltage:






NG -- REPAIR OR REPLACE HARNESS OR CONNECTOR
OK -- REPLACE POWER STEERING ECU