ECM Communication Stop Mode
CAN COMMUNICATION: CAN COMMUNICATION SYSTEM: ECM Communication Stop Mode
ECM Communication Stop Mode
DESCRIPTION
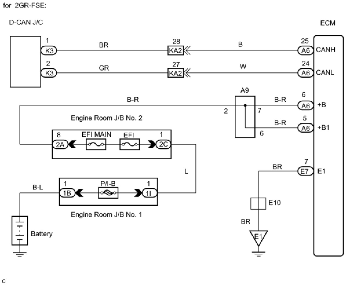
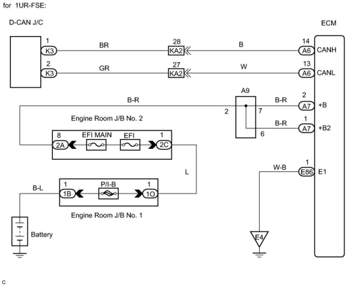
WIRING DIAGRAM
INSPECTION PROCEDURE
PROCEDURE
1. CHECK VEHICLE TYPE
(a) Check the engine model of the vehicle.
Result:
B -- CHECK CAN BUS LINE FOR DISCONNECTION (ECM SUB BUS LINE)
A -- Continue to next step.
2. CHECK CAN BUS LINE FOR DISCONNECTION (ECM SUB BUS LINE)
(a) Turn the engine switch off.
(b) Disconnect the ECM connector (A6).
(c) Measure the resistance according to the value(s) in the table below.
Standard resistance:
NG -- REPAIR OR REPLACE ECM SUB BUS LINE OR CONNECTOR (CAN-H, CAN-L)
OK -- Continue to next step.
3. CHECK WIRE HARNESS (+B2, +B, E1)
(a) Disconnect the ECM connectors.
(b) Measure the resistance according to the value(s) in the table below.
Standard resistance:
(c) Measure the voltage according to the value(s) in the table below.
Standard voltage:
NG -- REPAIR OR REPLACE HARNESS OR CONNECTOR
OK -- REPLACE ECM
4. CHECK CAN BUS LINE FOR DISCONNECTION (ECM SUB BUS LINE)
(a) Turn the engine switch off.
(b) Disconnect the ECM connector (A6).
(c) Measure the resistance according to the value(s) in the table below.
Standard resistance:
NG -- REPAIR OR REPLACE ECM SUB BUS LINE OR CONNECTOR (CAN-H, CAN-L)
OK -- Continue to next step.
5. CHECK WIRE HARNESS (+B1, +B, E1)
(a) Disconnect the ECM connectors.
(b) Measure the resistance according to the value(s) in the table below.
Standard resistance:
(c) Measure the voltage according to the value(s) in the table below.
Standard voltage:
NG -- REPAIR OR REPLACE HARNESS OR CONNECTOR
OK -- REPLACE ECM