Absorber Control ECU Communication Stop Mode
CAN COMMUNICATION: CAN COMMUNICATION SYSTEM: Absorber Control ECU Communication Stop Mode
Absorber Control ECU Communication Stop Mode
DESCRIPTION
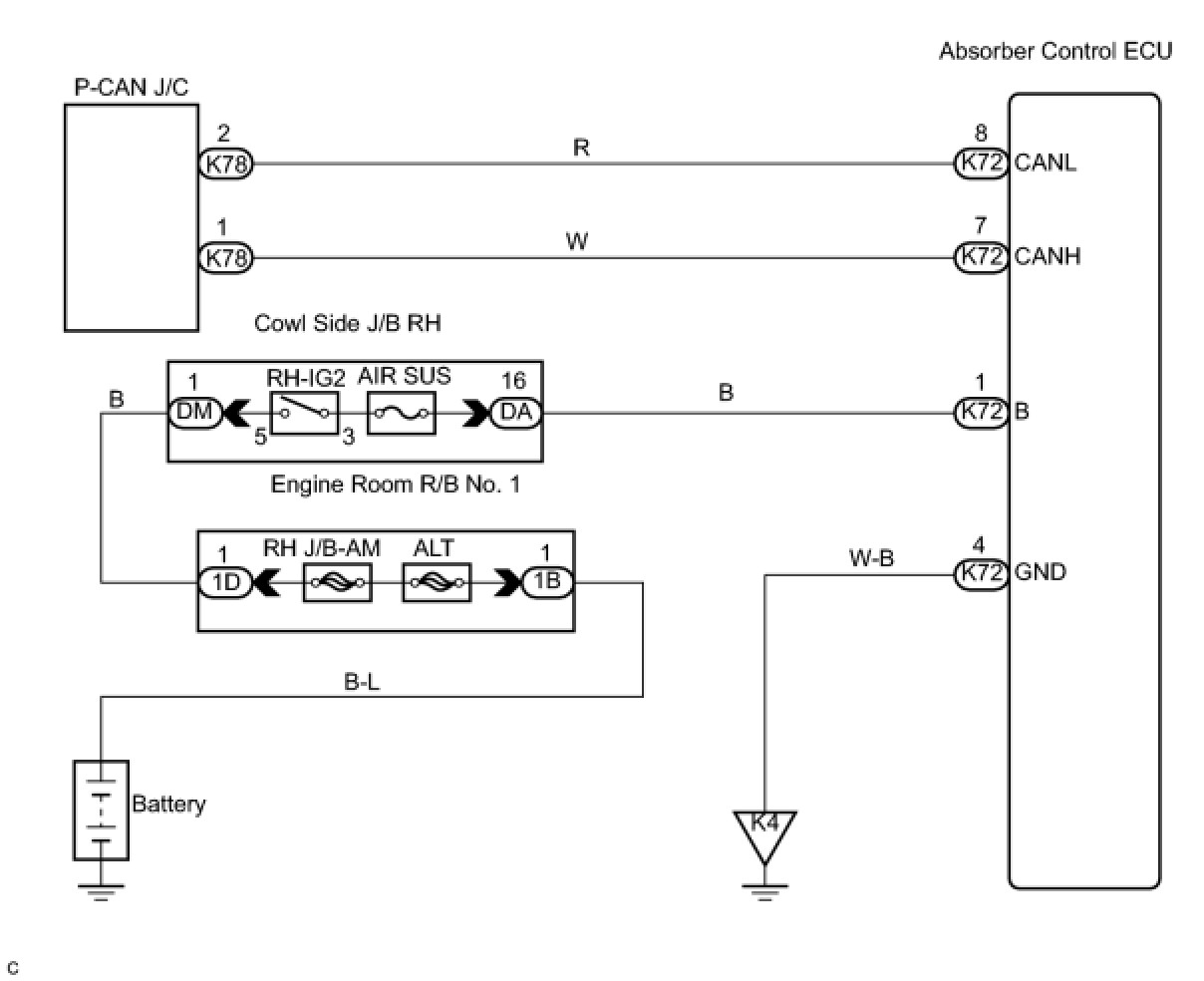
WIRING DIAGRAM
INSPECTION PROCEDURE
PROCEDURE
1. CHECK CAN BUS LINE FOR DISCONNECTION (ABSORBER CONTROL ECU SUB BUS LINE)
(a) Turn the engine switch off.
(b) Disconnect the absorber control ECU connector (K72).
(c) Measure the resistance according to the value(s) in the table below.
Standard resistance:
NG -- REPAIR OR REPLACE ABSORBER CONTROL ECU SUB BUS LINE OR CONNECTOR (CAN-H, CAN-L)
OK -- Continue to next step.
2. CHECK WIRE HARNESS (B, GND)
(a) Measure the resistance according to the value(s) in the table below.
Standard resistance:
(b) Measure the voltage according to the value(s) in the table below.
Standard voltage:
NG -- REPAIR OR REPLACE HARNESS OR CONNECTOR
OK -- REPLACE ABSORBER CONTROL ECU