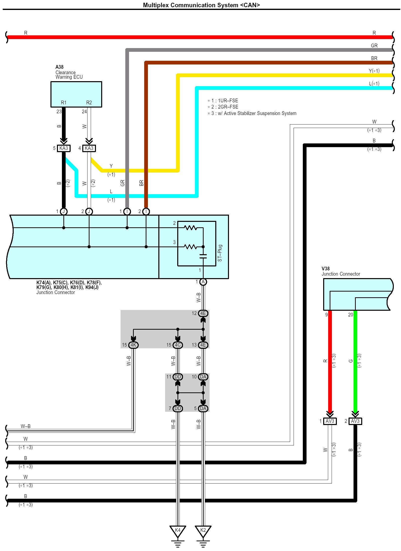
Multiplex Communication System [CAN] Part 3
Multiplex Communication System <CAN> Part 3:
Connector Pin Outs Part 1:
Connector Pin Outs Part 2:
Connector Pin Outs Part 3:
Connector Pin Outs Part 4:
Connector Pin Outs Part 5:
Connector Pin Outs Part 6:
Next Diagram Multiplex Communication System [CAN] Part 4
Previous Diagram Multiplex Communication System [CAN] Part 2
Locations: The locations of components, connectors, ground points, and splices referred to within these diagrams can be found at Vehicle Locations. Locations