Curiosii for ever!: Car repair manuals for everyone.

Multiplex Communication System [BEAN] Part 5

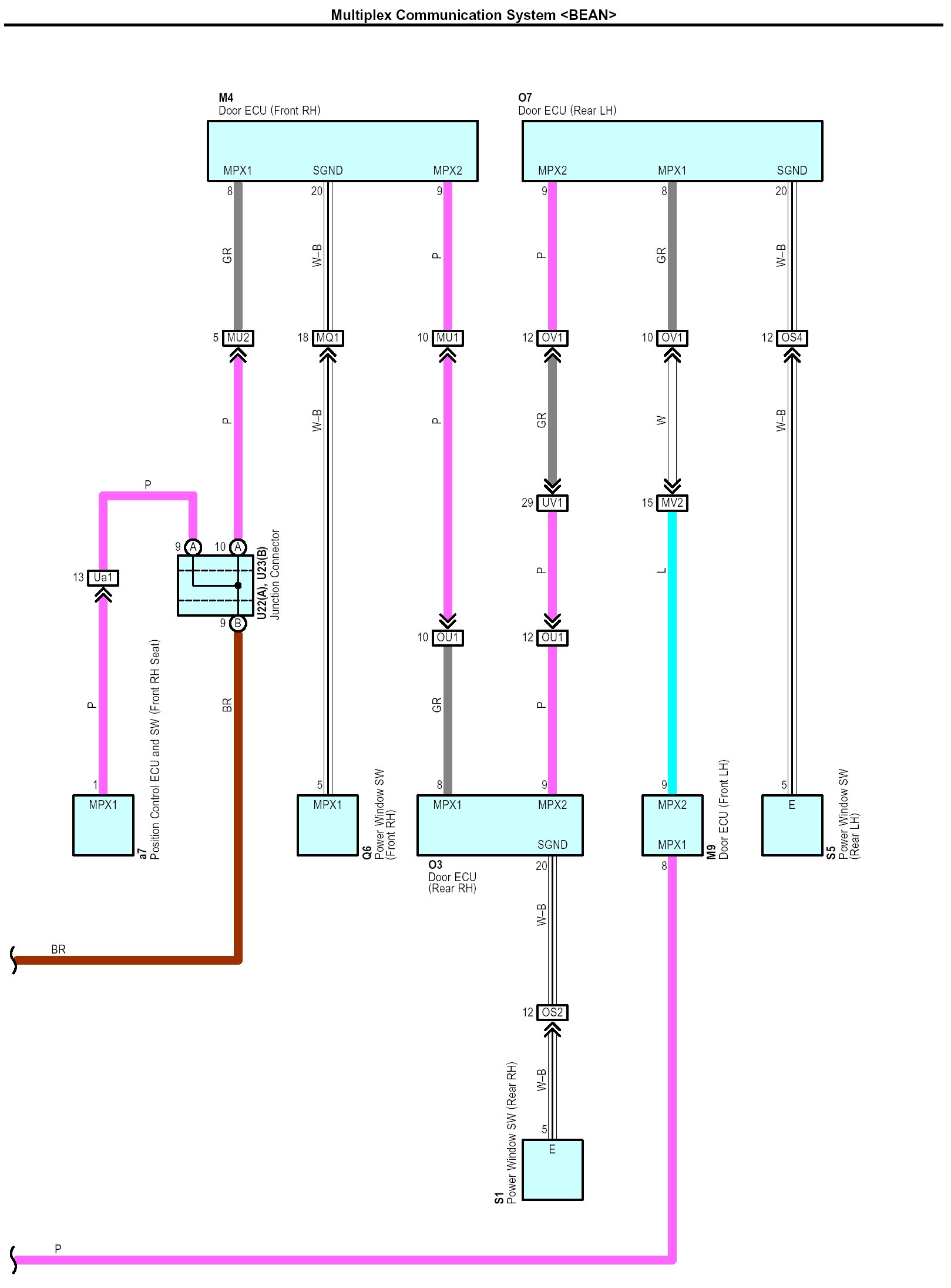
Multiplex Communication System <BEAN> Part 5:




Connector Pin Outs Part 1:




Connector Pin Outs Part 2:




Connector Pin Outs Part 3:




Connector Pin Outs Part 4:




Connector Pin Outs Part 5:




Connector Pin Outs Part 6:




Connector Pin Outs Part 7:






Previous Diagram Multiplex Communication System [BEAN] Part 4

Locations: The locations of components, connectors, ground points, and splices referred to within these diagrams can be found at Vehicle Locations. Locations