Curiosii for ever!: Car repair manuals for everyone.

Distance Control Switch Circuit









CRUISE CONTROL: DYNAMIC RADAR CRUISE CONTROL SYSTEM: Distance Control Switch Circuit

Distance Control Switch Circuit

DESCRIPTION

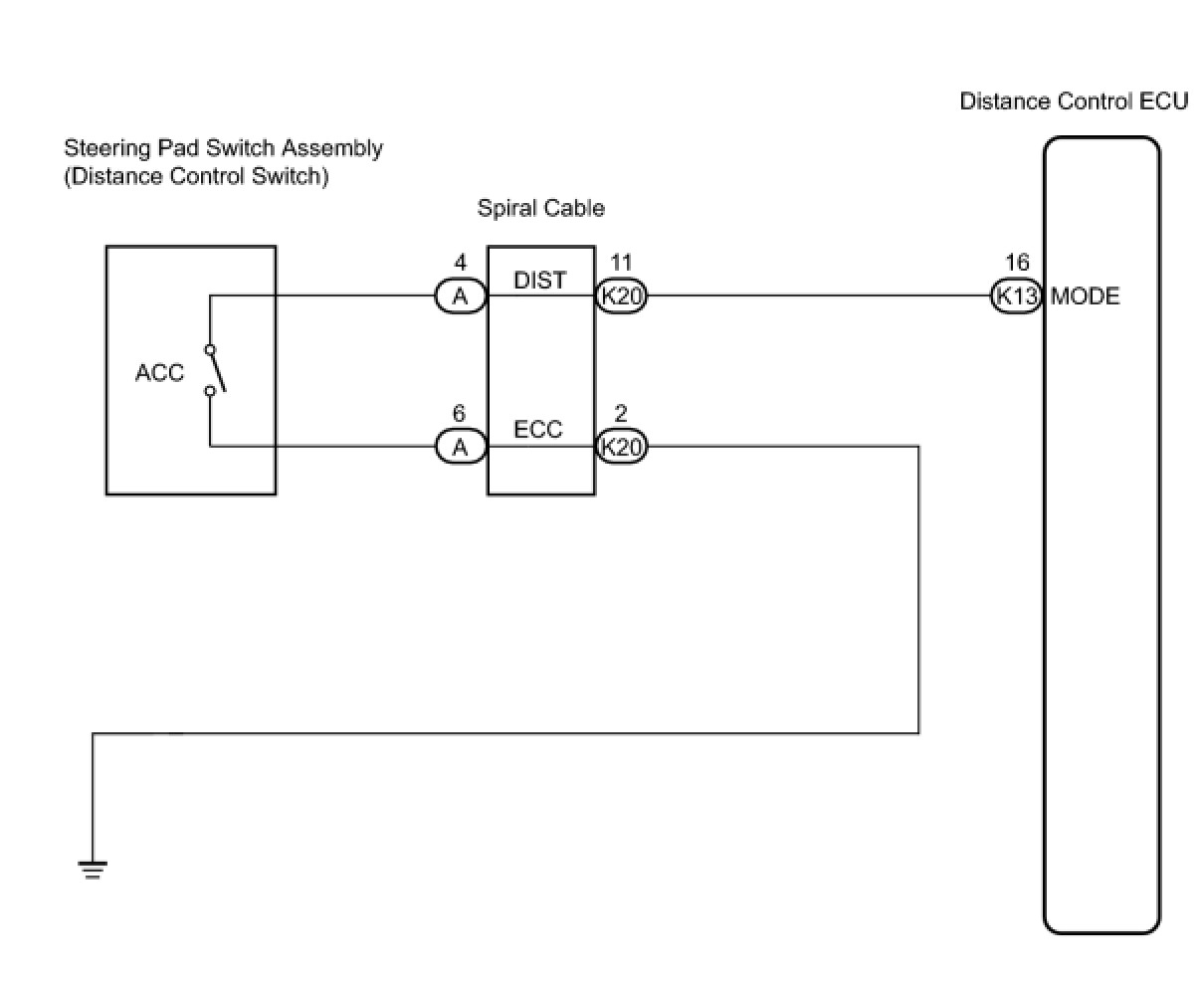
The distance control switch sets the vehicle-to-vehicle distance mode. The distance control switch is installed in the steering pad switch. The vehicle-to-vehicle distance set value can be changed by operating the steering pad switch (distance control switch) while the dynamic radar cruise control system is in operation. The steering pad switch uses the BEAN to communicate with each ECU. Therefore it does not have a direct connection with the ECM. If there are any malfunction in the communication line of the steering pad switch, one or more DTCs in the multiplex communication system are output.

WIRING DIAGRAM





INSPECTION PROCEDURE
NOTICE:
When the distance control ECU is replaced with a new one, initialization must be performed Installation.

PROCEDURE

1. INSPECT STEERING PAD SWITCH ASSEMBLY
(a) Remove the steering pad switch assembly.





(b) Measure the resistance according to the value(s) in the table below.
Standard resistance:






NG -- REPLACE STEERING PAD SWITCH ASSEMBLY
OK -- Continue to next step.
2. INSPECT SPIRAL CABLE





(a) Disconnect the spiral cable connector.
(b) Measure the resistance according to the value(s) in the table below.
Standard resistance:






NG -- REPLACE SPIRAL CABLE
OK -- Continue to next step.
3. CHECK HARNESS AND CONNECTOR (DISTANCE CONTROL ECU - SPIRAL CABLE)





(a) Disconnect the distance control ECU connector.
(b) Measure the resistance according to the value(s) in the table below.
Standard resistance:






NG -- REPAIR OR REPLACE HARNESS OR CONNECTOR
OK -- Continue to next step.
4. CHECK HARNESS AND CONNECTOR (SPIRAL CABLE - BODY GROUND)





(a) Measure the resistance according to the value(s) in the table below.
Standard resistance:






NG -- REPAIR OR REPLACE HARNESS OR CONNECTOR
OK -- Continue to next step.
5. INSPECT DISTANCE CONTROL ECU





(a) Remove the distance control ECU (cruise control ECU) with the connector.
(b) Turn the engine switch on (IG).
(c) Measure the voltage according to the value(s) in the table below.
Standard voltage:






NG -- REPLACE DISTANCE CONTROL ECU
OK -- PROCEED TO NEXT CIRCUIT INSPECTION SHOWN IN PROBLEM SYMPTOMS TABLE