Curiosii for ever!: Car repair manuals for everyone.

Cruise Control Switch Circuit









CRUISE CONTROL: DYNAMIC RADAR CRUISE CONTROL SYSTEM: Cruise Control Switch Circuit

Cruise Control Switch Circuit

DESCRIPTION

The cruise control main switch operates 8 functions: SET, COAST, TAP-DOWN, RESUME, ACCEL, TAP-UP, CANCEL and MODE. The SET, TAP-DOWN and COAST functions, and the RESUME, TAP-UP and ACCEL functions are operated with the same switch. The cruise control main switch is an automatic return type switch which turns on only while operating it in each arrow direction and turns off after releasing it. The internal contact point of the cruise control main switch is turned on with the switch operation. The ECM then reads the resistance value that has been changed by the switch operation to control MODE, SET, COAST, RESUME, ACCEL and CANCEL. The dynamic radar cruise control system has two cruise control modes: the constant speed control mode and vehicle-to-vehicle distance control mode.

- The vehicle-to-vehicle distance control mode is always selected when starting up the dynamic radar cruise control system.
- The operation of the constant speed control mode is the same as that for a conventional cruise control system.

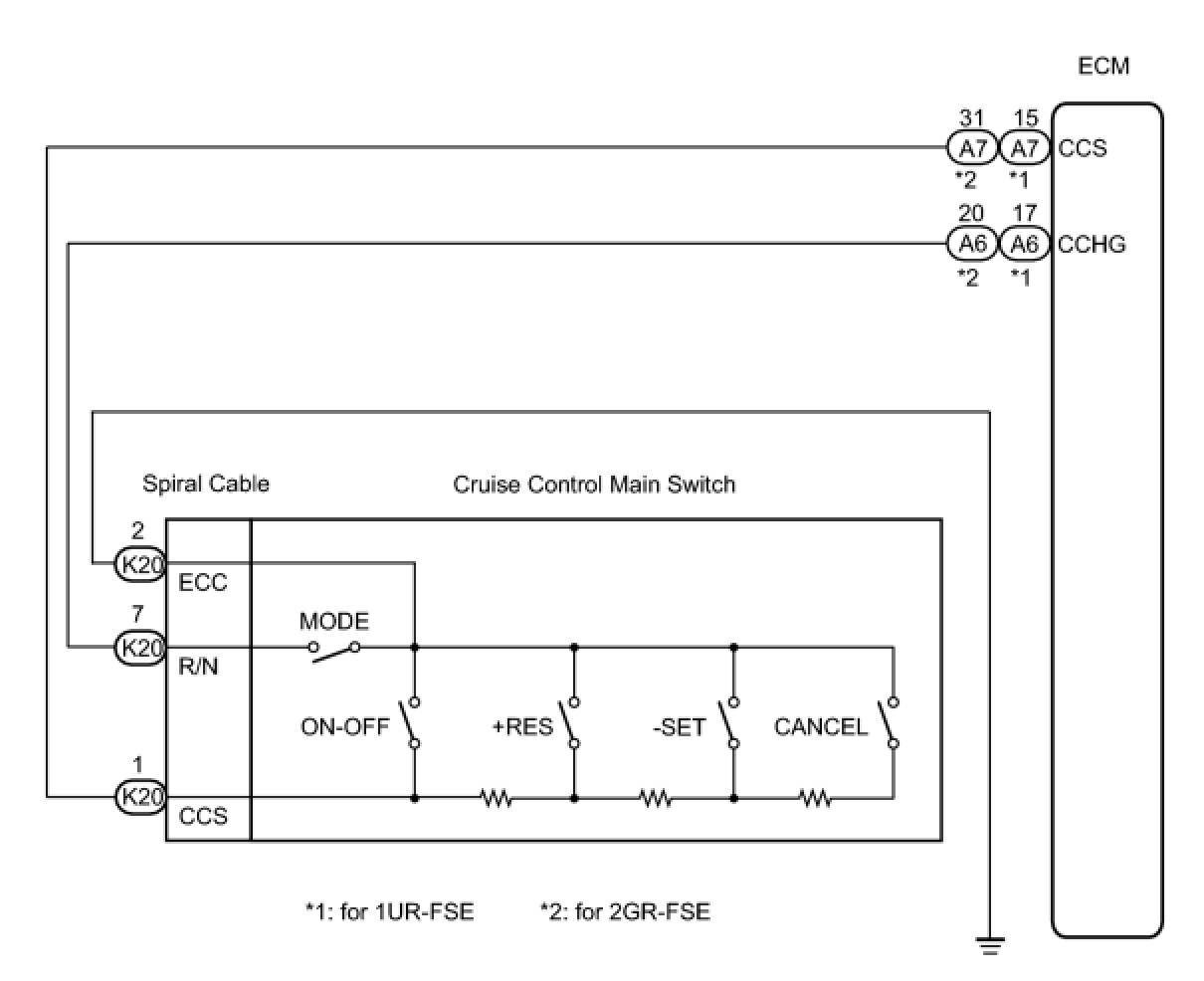
WIRING DIAGRAM





INSPECTION PROCEDURE

PROCEDURE

1. READ VALUE USING TECHSTREAM





(a) Connect the Techstream to the DLC3.
(b) Turn the engine switch on (IG).
(c) Turn the Techstream on.
(d) Enter the following menus: Powertrain / Radar Cruise / Data List.
(e) Check the Data List for proper functioning of the cruise control main switch.

ECM (Radar Cruise):





OK:
When the cruise control main switch operation is performed, the result will be same as above.
Result:






C -- REPLACE CRUISE CONTROL MAIN SWITCH
A -- PROCEED TO NEXT CIRCUIT INSPECTION SHOWN IN PROBLEM SYMPTOMS TABLE
B -- Continue to next step.
2. INSPECT CRUISE CONTROL MAIN SWITCH
(a) Disconnect the cruise control main switch connector.





(b) Measure the resistance according to the value(s) in the table below.
Standard resistance:






NG -- REPLACE CRUISE CONTROL MAIN SWITCH
OK -- Continue to next step.
3. INSPECT SPIRAL CABLE





(a) Disconnect the spiral cable connector.
(b) Measure the resistance according to the value(s) in the table below.
Standard resistance:






NG -- REPLACE SPIRAL CABLE
OK -- Continue to next step.
4. CHECK WIRE HARNESS (SPIRAL CABLE - ECM)





(a) Disconnect the A6 and A7 ECM connectors.
(b) Measure the resistance according to the value(s) in the table below.
Standard resistance (for 1UR-FSE):






Standard resistance (for 2GR-FSE):





HINT:
- *1: for 1UR-FSE
- *2: for 2GR-FSE

NG -- REPAIR OR REPLACE WIRE HARNESS AND CONNECTOR
OK -- Continue to next step.
5. CHECK WIRE HARNESS (SPIRAL CABLE - BODY GROUND)





(a) Measure the resistance according to the value(s) in the table below.
Standard resistance:






NG -- REPAIR OR REPLACE WIRE HARNESS AND CONNECTOR
OK -- PROCEED TO NEXT CIRCUIT INSPECTION SHOWN IN PROBLEM SYMPTOMS TABLE