Curiosii for ever!: Car repair manuals for everyone.

Front Power Seat Does Not Operate With Front Power Seat Switch









SEAT: FRONT POWER SEAT CONTROL SYSTEM (w/ Seat Position Memory System): Front Power Seat does not Operate with Front Power Seat Switch

Front Power Seat does not Operate with Front Power Seat Switch

DESCRIPTION

Signals of the front power seat switch are monitored by the position control ECU & switch assembly. The position control ECU & switch assembly then activates the driver and passenger side motors.

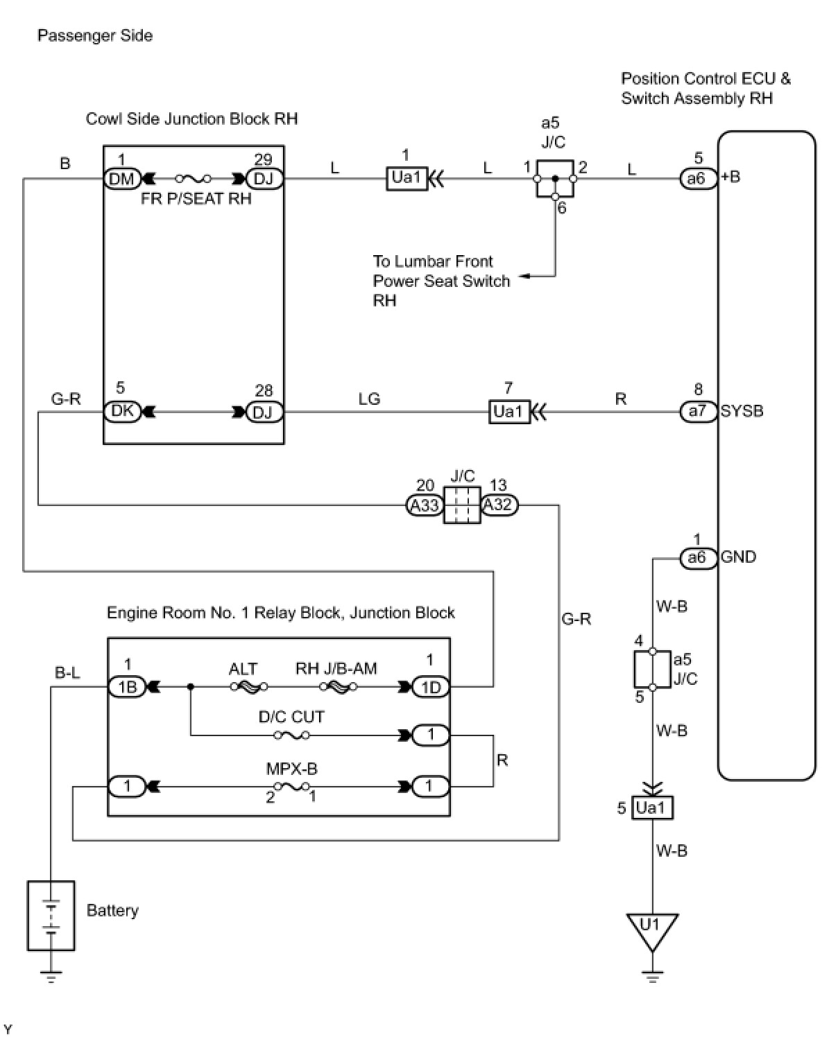
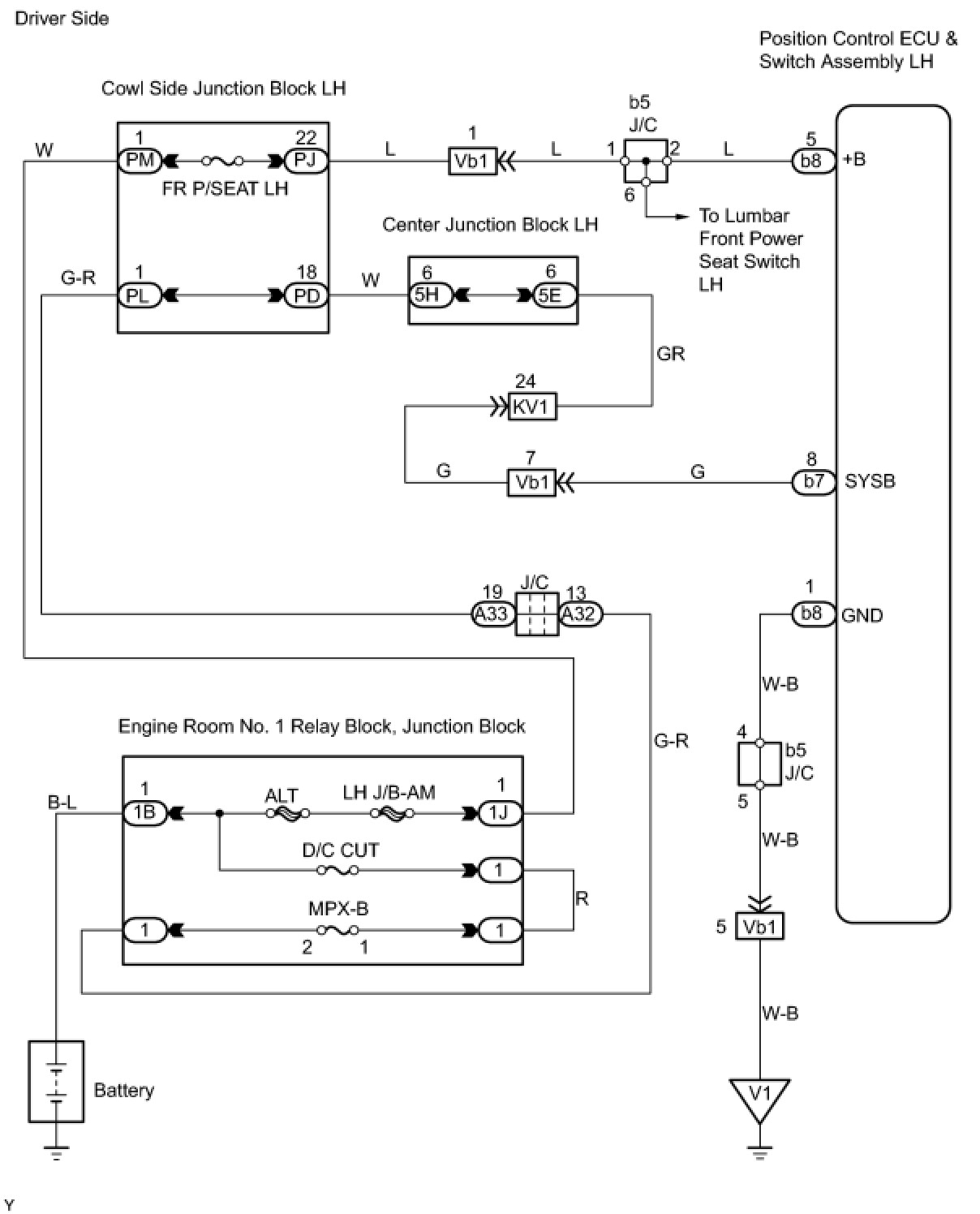
WIRING DIAGRAM









INSPECTION PROCEDURE

PROCEDURE

1. INSPECT FUSE (FR P/SEAT LH, FR P/SEAT RH, D/C CUT, MPX-B)
(a) Remove the FR P/SEAT LH fuse from the cowl side junction block LH.
(b) Remove the FR P/SEAT RH fuse from the cowl side junction block LH.
(c) Remove the D/C CUT and MPX-B fuses from the engine room No. 1 relay block.
(d) Measure the resistance of the fuses.
Standard resistance:
Below 1 Ohms
NG -- REPLACE FUSE
OK -- Continue to next step.
2. CHECK WIRE HARNESS (POSITION CONTROL ECU & SWITCH ASSEMBLY - BODY GROUND)





(a) Disconnect the a6, a7, b7and b8 switch connectors.
(b) Measure the voltage and resistance of the wire harness side connectors.
Standard voltage:
Driver side:






Passenger side:






Standard resistance:
Driver side:






Passenger side:






NG -- REPAIR OR REPLACE HARNESS AND CONNECTOR
OK -- REPLACE POSITION CONTROL ECU & SWITCH ASSEMBLY