Curiosii for ever!: Car repair manuals for everyone.

Room Oscillator does not Recognize Key









DOOR LOCK: SMART ACCESS SYSTEM WITH PUSH-BUTTON START: Room Oscillator does not Recognize Key

Room Oscillator does not Recognize Key

DESCRIPTION

If the entry ignition function does not operate, place the key in the vehicle and check if the engine control system starts. If the engine control system starts (the immobilizer code ECU outputs a start permission to the engine control system and the engine control system starts), it can be assumed that only the entry ignition system is malfunctioning.
The certification ECU uses the indoor electrical key antenna to send a request signal to the key when: 1) the driver's door is opened and closed, or 2) the engine switch is turned from on (ACC) to off or off to on. Then, the key transmits its ID code to the entry door control receiver. The ID code, which is then sent to the certification ECU, is verified by the certification ECU and the verification result is sent to the immobilizer code ECU. Turning the engine switch from on (ACC) to off stops the engine control system.
The immobilizer code ECU and the certification ECU communicate encryption codes to each other using the multiplex communication line. When the return code from the certification ECU matches the ID code in memory, the immobilizer code ECU sends an engine control system start permission signal to the ECM. With the brake pedal depressed, pressing the engine switch starts the engine. With the engine running, pressing the engine switch stops the engine.

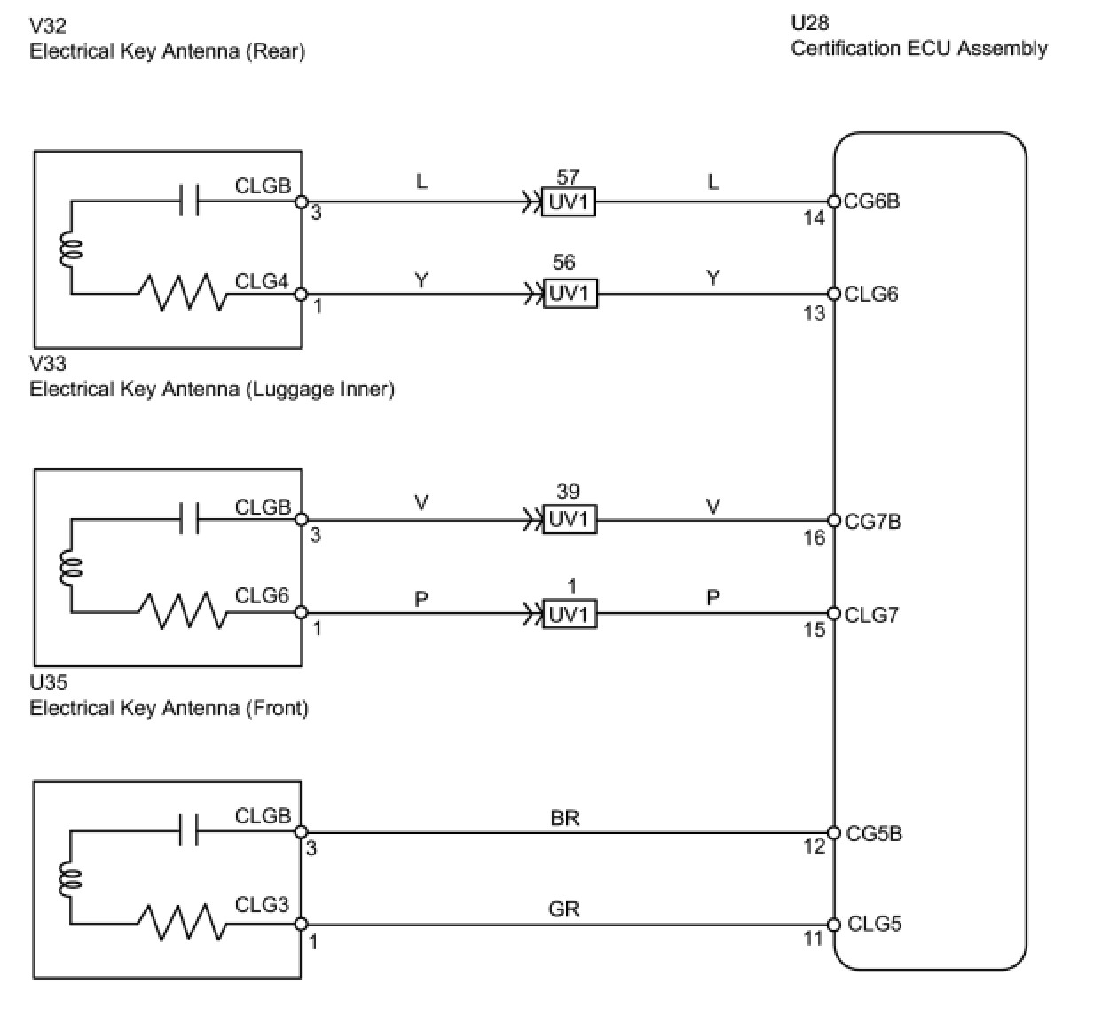
WIRING DIAGRAM





INSPECTION PROCEDURE

PROCEDURE

1. CHECK WIRELESS DOOR LOCK AND UNLOCK OPERATION
(a) Check that the wireless door lock and unlock functions operate normally.
OK:
Wireless door lock functions operate normally.
NG -- GO TO WIRELESS DOOR LOCK CONTROL FUNCTION
OK -- Continue to next step.
2. CHECK OPERATION OF KEY
(a) After replacing the key with a normally functioning one, check that the wireless lock and unlock functions operate normally.
OK:
Wireless lock and unlock functions operate normally.
OK -- END (KEY IS DEFECTIVE)
NG -- Continue to next step.
3. PERFORM ACTIVE TEST USING TECHSTREAM (INDOOR ELECTRICAL KEY ANTENNA)
(a) Select the ACTIVE TEST, use the Techstream to generate a control command, and then check that the antenna operates.

Certification ECU:





OK:
When key is brought close to indoor electrical key antenna, antenna is turned OFF and indicator on key illuminates.
OK -- REPLACE CERTIFICATION ECU ASSEMBLY
NG -- Continue to next step.
4. CHECK WIRE HARNESS (INDOOR ELECTRICAL KEY ANTENNA - CERTIFICATION ECU ASSEMBLY)





(a) Disconnect the U35, V32 and V33 antenna connectors.
(b) Disconnect the U28 ECU connector.
(c) Measure the resistance of the wire harness side connectors.
Standard resistance:






NG -- REPAIR OR REPLACE HARNESS AND CONNECTOR
OK -- Continue to next step.
5. CHECK INDOOR ELECTRICAL KEY ANTENNA
(a) Carry the key into the vehicle.
(b) Replace the indoor electrical key antenna with a new one.
(c) Depress the brake pedal and check that the engine switch indicator illuminates in green.
OK:
Engine switch indicator illuminates in green.
OK -- END (INDOOR ELECTRICAL KEY ANTENNA IS DEFECTIVE)
NG -- REPLACE CERTIFICATION ECU ASSEMBLY