Curiosii for ever!: Car repair manuals for everyone.

Front Passenger Side Door Entry Lock and Unlock Functions do not Operate









DOOR LOCK: SMART ACCESS SYSTEM WITH PUSH-BUTTON START: Front Passenger Side Door Entry Lock and Unlock Functions do not Operate

Front Passenger Side Door Entry Lock and Unlock Functions do not Operate

DESCRIPTION

Both the entry lock and unlock functions do not operate when: 1) nothing is output from the door electrical key oscillator front RH, 2) the smart access system with push-button start is disabled through customization, or 3) the entire power door lock control system is malfunctioning.

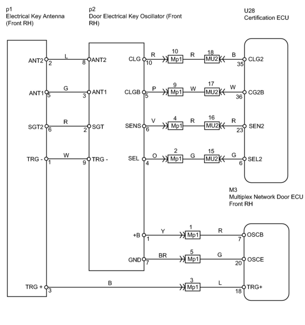
WIRING DIAGRAM





INSPECTION PROCEDURE

PROCEDURE

1. CHECK MANUAL DOOR LOCK AND UNLOCK OPERATION
(a) Check that the manual door lock and unlock function operates normally.
OK:
Manual door lock and unlock function operates normally.
NG -- GO TO POWER DOOR LOCK CONTROL SYSTEM
OK -- Continue to next step.
2. PERFORM ACTIVE TEST USING TECHSTREAM (DOOR ELECTRICAL KEY OSCILLATOR FRONT RH)
(a) Select the ACTIVE TEST, use the Techstream to generate a control command, and then check that the oscillator operates.

Certification ECU:





OK:
When key is brought close to door oscillator that is OFF, indicator light on key illuminates.
OK -- REPLACE CERTIFICATION ECU ASSEMBLY
NG -- Continue to next step.
3. CHECK WIRE HARNESS (ECU - OSCILLATOR)





(a) Disconnect the U28 ECU connector.
(b) Disconnect the p2 oscillator connector.
(c) Measure the resistance of the wire harness side connector.
Standard resistance:






NG -- REPAIR OR REPLACE HARNESS AND CONNECTOR
OK -- Continue to next step.
4. CHECK WIRE HARNESS (OSCILLATOR - ANTENNA)





(a) Disconnect the p2 oscillator connector.
(b) Disconnect the p1 antenna connector.
(c) Measure the resistance of the wire harness side connector.
Standard resistance:






NG -- REPAIR OR REPLACE HARNESS AND CONNECTOR
OK -- Continue to next step.
5. CHECK WIRE HARNESS (OSCILLATOR - ECU)





(a) Disconnect the p2 oscillator connector.
(b) Disconnect the M3 ECU connector.
(c) Measure the resistance of the wire harness side connector.
Standard resistance:






NG -- REPAIR OR REPLACE HARNESS AND CONNECTOR
OK -- Continue to next step.
6. CHECK WIRE HARNESS (ANTENNA - ECU)





(a) Disconnect the p1 antenna connector.
(b) Disconnect the M3 ECU connector.
(c) Measure the resistance of the wire harness side connector.
Standard resistance:






NG -- REPAIR OR REPLACE HARNESS AND CONNECTOR
OK -- Continue to next step.
7. CHECK OPERATION OF ELECTRICAL KEY ANTENNA FRONT RH
(a) After replacing the electrical key antenna front RH with a normal one, check that the entry lock and unlock functions operate normally.
OK:
Entry lock and unlock functions operate normally.
OK -- END (ELECTRICAL KEY ANTENNA FRONT RH IS DEFECTIVE)
NG -- Continue to next step.
8. CHECK OPERATION OF DOOR ELECTRICAL KEY OSCILLATOR FRONT RH
(a) After replacing the door electrical key oscillator front RH with a normal one, check that the entry lock and unlock functions operate normally.
OK:
Entry lock and unlock functions operate normally.
NG -- REPLACE CERTIFICATION ECU ASSEMBLY
OK -- END (DOOR ELECTRICAL KEY OSCILLATOR FRONT RH IS DEFECTIVE)