Curiosii for ever!: Car repair manuals for everyone.

All Doors Lock / Unlock Functions Do Not Operate Via Master Switch, Driver Side Door Key Cylinder









DOOR LOCK: POWER DOOR LOCK CONTROL SYSTEM: All Doors LOCK / UNLOCK Functions do not Operate Via Master Switch, Driver Side Door Key Cylinder

All Doors LOCK / UNLOCK Functions do not Operate Via Master Switch, Driver Side Door Key Cylinder

DESCRIPTION

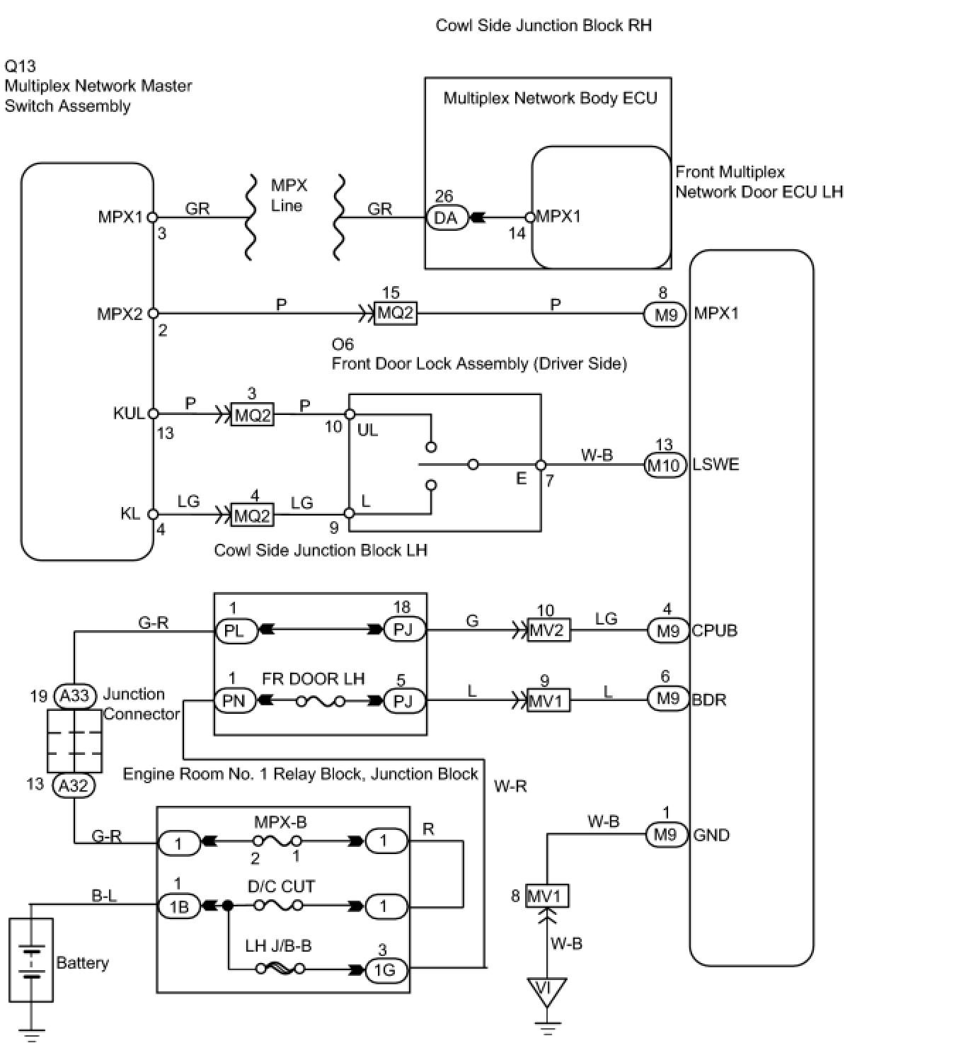
The multiplex network body ECU receives switch signals from the multiplex network master switch and driver side door key cylinder, and activates the door lock motor on each door according to the signals.

WIRING DIAGRAM





INSPECTION PROCEDURE

PROCEDURE

1. INSPECT FUSE (FR DOOR LH, MPX-B, D/C CUT)
(a) Remove the FR DOOR LH fuse from the cowl side junction block LH.
(b) Remove the MPX-B and D/C CUT fuses from the engine room No. 1 junction block.
(c) Measure the resistance of the fuses.
Standard resistance:
Below 1 Ohms
NG -- REPLACE FUSE
OK -- Continue to next step.
2. CHECK WIRE HARNESS (DRIVER DOOR ECU - BATTERY AND BODY GROUND)





(a) Disconnect the M9 ECU connector.
(b) Measure the voltage of the wire harness side connector.
Standard voltage:





(c) Measure the resistance of the wire harness side connector.
Standard resistance:






NG -- REPAIR OR REPLACE HARNESS AND CONNECTOR
OK -- Continue to next step.
3. CHECK DOOR LOCK OPERATION
Result:






B -- READ VALUE USING TECHSTREAM (DOOR LOCK AND UNLOCK SWITCH)
A -- Continue to next step.
4. REPLACE MULTIPLEX NETWORK MASTER SWITCH ASSEMBLY (POWER WINDOW REGULATOR MASTER SWITCH ASSEMBLY)
(a) After replacing the multiplex network master switch assembly with a normal one, check that all doors can be locked and unlocked by using the master switch.
OK:
All doors can be locked and unlocked with master switch.
NG -- REPLACE COWL SIDE JUNCTION BLOCK RH (MULTIPLEX NETWORK BODY ECU)
OK -- END (MULTIPLEX NETWORK MASTER SWITCH ASSEMBLY IS FAULTY)
5. READ VALUE USING TECHSTREAM (DOOR LOCK AND UNLOCK SWITCH)
(a) Check the Data List for proper functioning of the door lock and unlock switch.
Multiplex Network Master Switch Assembly:






OK:
ON (driver side door key cylinder is turned to lock/unlock position) appears on screen.
NG -- INSPECT FRONT DOOR LOCK ASSEMBLY (DRIVER SIDE) (DOOR LOCK AND UNLOCK SWITCH)
OK -- REPLACE MULTIPLEX NETWORK MASTER SWITCH ASSEMBLY
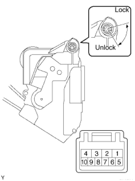
6. INSPECT FRONT DOOR LOCK ASSEMBLY (DRIVER SIDE) (DOOR LOCK AND UNLOCK SWITCH)





(a) Disconnect the M12 door lock connector.
(b) Measure the resistance of the switch.
Standard resistance:

LHD





NG -- REPLACE FRONT DOOR LOCK ASSEMBLY (DRIVER SIDE)
OK -- Continue to next step.
7. CHECK WIRE HARNESS (FRONT DOOR LOCK ASSEMBLY - MULTIPLEX NETWORK MASTER SWITCH)





(a) Disconnect the M12 door lock connector.
(b) Disconnect the Q13 switch connector.
(c) Measure the resistance of the wire harness side connectors.
Standard resistance:






NG -- REPAIR OR REPLACE HARNESS AND CONNECTOR
OK -- Continue to next step.
8. CHECK WIRE HARNESS (DRIVER DOOR ECU - FRONT DOOR LOCK ASSEMBLY (DRIVER SIDE))





(a) Disconnect the M10 ECU connector.
(b) Disconnect the M12 door lock connector.
(c) Measure the resistance of the wire harness side connectors.
Standard resistance:






NG -- REPAIR OR REPLACE HARNESS AND CONNECTOR
OK -- Continue to next step.
9. REPLACE DRIVER DOOR ECU
(a) After replacing the driver door ECU with a normal one, check that all doors can be locked and unlocked by using the driver side door key cylinder.
OK:
All doors can be locked and unlocked with driver side door key cylinder.
NG -- REPLACE MULTIPLEX NETWORK MASTER SWITCH ASSEMBLY
OK -- END (DRIVER DOOR ECU IS FAULTY)